网站首页  词典首页


请输入您要查询的字词:

 

字词 高真空的获得
类别 中英文字词句释义及详细解析
释义 高真空的获得

50年代以来,由于尖端科学的兴起和生产技术的发展,对于低于10-8乇(torr)的超高真空技术提出迫切的要求,目前已能获得10-11~10-13乇的超高真空。

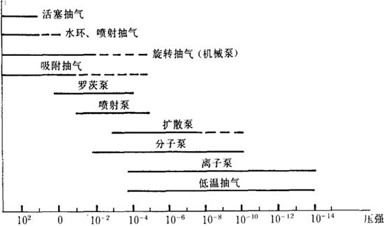
真空泵(或抽气机)的性能一般用下列两个量来描述:(1)抽气速率,即单位时间内从被抽系统内抽出气体的体积;(2)极限真空度,即在封闭系统中所能达到的最高真空度。

真空泵的种类甚多,根据它的工作条件能在大气压下工作的称为前级泵;最常用的前级泵是机械泵。

需要在一定真空条件下才能工作的称为次级泵。

例如各种扩散泵。

人们还常利用吸气剂、低温装置等来改善真空泵的极限真空度。

由下图表示各种真空泵的压力范围和它们的极限真空度。

随便看

 

离鸟网收录3541549条中英文词条,其功能与新华字典、现代汉语词典、牛津高阶英汉词典等各类中英文词典类似,基本涵盖了全部常用中英文字词句的读音、释义及用法,是语言学习和写作的有利工具。

 

Copyright © 2004-2024 vtrois.com All Rights Reserved
更新时间:2026/4/7 23:09:29