网站首页  词典首页


请输入您要查询的字词:

 

字词 4.航空有机玻璃(HG 6-127-66)
类别 中英文字词句释义及详细解析
释义 4.航空有机玻璃(HG 6-127-66)

航空有机玻璃主要用于飞机上的玻璃件,也可用于磨制光学镜片。

4.1航空有机玻璃的规格

表1-69 航空有机玻璃规格

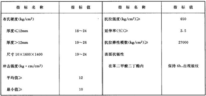
4.2 航空有机玻璃物理机械性能

表1-70 航空有机玻璃物理机械性能

随便看

 

离鸟网收录3541549条中英文词条,其功能与新华字典、现代汉语词典、牛津高阶英汉词典等各类中英文词典类似,基本涵盖了全部常用中英文字词句的读音、释义及用法,是语言学习和写作的有利工具。

 

Copyright © 2004-2024 vtrois.com All Rights Reserved
更新时间:2026/4/6 15:01:45