1.结构特点
(1)ARL造纸法烟草薄片设备主要由备料系统、浸泡系统、浓缩系统、抄造重组系统、干燥系统等组成。ARL造纸法烟草薄片设备见图9-6-17所示。

图9-6-17 ARL造纸法烟草薄片设备示意图
1-筛分除杂系统 2-配比混合罐 3-浸泡罐 4-精浆位置 5-净化分离装置 6-抄纸设备 7-干燥设备 8-分切装置 9-储柜 10-包装设备
(2)抄纸设备采用夹网结构,见图9-6-18所示。

图9-6-18 夹网抄纸设备结构示意图
1-流浆箱 2-真空箱 3、4-网 5-密封 6-真空箱 7-真空辊 8-引纸辊
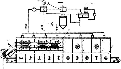
(3)ARL造纸法烟草薄片干燥设备采用隧道式热风干燥机,见图9-6-19所示。

图9-6-19 隧道式热风干燥机结构示意图
1-网带 2-干燥隧道 3-冷却隧道 4-热交换器
2.主要技术参数(表9-6-16)。
表9-6-16ARL造纸法烟草薄片设备主要技术参数

3.生产厂家
奥地利PMB公司。