网站首页  词典首页


请输入您要查询的字词:

 

字词 万能转换开关
类别 中英文字词句释义及详细解析
释义

万能转换开关


1.LW2系列万能转换开关

(1)适用范围:LW2系列万能转换开关主要适用于交流50Hz、额定电压至220V及直流电压至220V的电路中作为转换各种控制线路,也可作为各种电气测量仪表及伺服电动机的转换之用。

(2)主要技术参数:

①额定工作电压AC、DC:220V,用作转换三相单只电气仪表的转换开关(当电流不超过0.1A时,允许使用于380V电路中)。

②触头型式有:1型(带指示灯)、2型、4型(定位型)、6型(自复型)、7型(钥匙型)、8型(定位自复型)、10型、20型、40型可任选组合。

③接触系统节数有1、2、4、5、6、7、8共8节可任选组合。

④转换开关在正常工作条件下的电寿命见表1-125。

表1-125 转换开关在正常工作条件下的电寿命

(3)LW2系列万能转换开关各种型号的意义见表1-126。

表1-126 LW2型号的意义

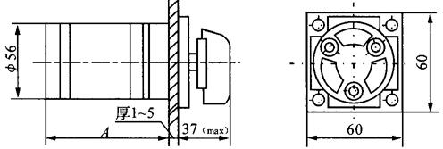
(4)外形及安装尺寸见图1-89。

图1-89 LW2万能式断路器外形及安装尺寸

注:自复型Amax=130+18n(n为接触系统节数),其他型:Amax=141+18n

2.LW5-16万能转换开关

(1)适用范围:LW5-16万能转换开关适用于交流50Hz,额定电压至500V及直流电压至440V的电路中,作电气控制线路转换之用和电压380V、5.5kW以下的三相鼠笼型异步电动机的直接控制之用。

(2)结构特征:

①按用途分:有主令控制用万能式转换开关和直接控制5.5kW三相鼠笼异步电动机用万能式转换开关。

②按接触系统节数分有1~16节,共16种。

③按操作方式分有定位型、自复型两种,其操作手柄位置见表1-127。

表1-127 LW5-16型万能转换开关操作手柄位置

④按操动器外形分有球形捏手式和旋钮式两种。

(3)主要技术参数:

①额定绝缘电压660V,约定发热电流为16A。

②使用类别为AC-3时,额定电压为380V,则额定电流12A,额定功率5.5kW。

③操作频率不超过300次/h,直接控制电动机时的操作频率不超过120次/h。

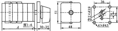
(4)LW5万能式断路器外形及安装尺寸见图1-90。

LW5断路器外形

定位型安装尺寸

自复型安装尺寸

面板改时型(72)安装尺寸

图1-90 LW5万能式断路器外形及安装尺寸

3.LW6万能转换开关

(1)适用范围:LW6万能转换开关用于交流50Hz,电压至380V及直流电压至220V,电流至4A的机床控制线路中,实现各种线路的控制和转换。

(2)结构特征:LW6万能转换开关的触头座数有8种,排列型式为单列,触头对数分别为3,6,9,12,15,18,24和30。LW6万能转换开关的操作器位置见表1-128。LW6接触系统节数分有1、2、3、4、5、6、8和10节,共8种。

表1-128 LW6万能转换开关的操作器位置

(3)主要技术参数:

①额定电压:交流50Hz、380V;直流220V,额定电流5A。

②额定操作频率为120次/h。

③绝缘应能承受交流50Hz、2000V/min的耐压试验而无击穿或闪络现象。

(4)外形及安装尺寸见图1-91。

LW6外形

LW6内安装孔尺寸

LW6外安装孔尺寸

图1-91 LW6万能式断路器外形及安装尺寸

注:A=25+13n(n为接触系统节数)

4.LW8万能转换开关

(1)适用范围:LW8万能转换开关适用于交流50Hz,380V及以下直流电压220V以下的电路中,作为电气控制线路的转换和配电设备的远距离控制,电气测量仪表的转换以及容量2.2kW及以下的鼠笼型异步电动机的直接启动、换向和变换。

(2)结构特征:LW8万能转换开关为手动旋转操作凸轮形开关,由接触系统、定位系统和安装系统三部分组成。接触系统由绝缘基座叠装组成。每节绝缘基座二对双断点触头,面板有方形和圆形二种,面板型式分定位型1~10节,共10种,自复型有1~3节,共3种,其操作器位置见表1-129。

表1-129 LW8型万能转换开关手柄操作器位置

(3)主要技术参数:

①额定绝缘电压440V,额定电压交流50Hz、380V;直流220V。

②约定发热电流10A、20A。

③额定操作频率120次/h。

(4)外形及安装尺寸见图1-92。

LW8方形面板外形及安装尺寸

LW8圆形面板外形及安装尺寸

图1-92 LW8万能式断路器外形及安装尺寸

注:方形A=22+10n(n为接触系统节数),圆形A=35+10n

5.LW12万能转换开关

(1)适用范围:LW12万能转换开关主要用于交流50Hz、额定工作电压500V及以下,直流电压220V及以下的电路中,转换电气控制线路(电磁铁、电气测量仪表及伺服电动机等),也可直接控制380V、5.5kW及以下的三相交流鼠笼型异步电动机。

(2)结构特征:LW12万能转换开关体积小,结构合理,能替代目前全部同类型产品,品种有普通型基本式,开启型组合式,防扩型组合式。

①按用途分:主令控制用转换开关和直接控制5.5kW三相鼠笼型异步电动机用转换开关。

②按接触系统节数分:转换开关的节数有1~12节,总共12节。

③按操作方式分:定位型、自复型和定位自复型三大类,特征可分为21种,其操作器位置见表1-130。

表1-130 LW12万能转换开关操作手柄位置

④按操作器外形分:转换开关有T型、手枪型、鱼尾型、旋钮型和钥匙型5种。

(3)主要技术参数:

①额定电压500V;额定电流16A。

②允许正常操作频率300次/h;AC-4时为120次/h。

(4)外形及安装尺寸见图1-93。

LW12外形

Lw12安装尺寸

图1-93 LW12万能式断路器外形及安装尺寸

注:定位型A=30+13.2n(n为接触系统节数);自复型A=42+13.2n;带45°定位自复型A=58+13.2n。

6.LW15~16万能转换开关

(1)适用范围:LW15~16万能转换开关适用于交流50Hz,额定工作电压至660V及直流电压至220V的电路中,作电气控制线路(控制电磁线圈、电气测量仪表和伺服电动机等)的转换,电源通断和小容量交流交流电动机的直接控制(启动、可逆转换,多速电动机变速)之用。

(2)结构特征:LW15~16万能转换开关按操作方式分为定位型、自复型、锁扣型,其操作器位置见表1-131。

表1-131 LW15~16万能转换开关操作器位置

(3)LW15万能转换开关主要技术参数:

①约定发热电流为10A、16A。

②额定绝缘电压为380V。

③允许正常操作频率300次/h;AC-4时为120次/h。

(4)外形及安装尺寸见图1-94。

图1-94 LW15万能式断路器外形及安装尺寸

注:定位型A=35+13n(n为接触系统节数);自复型A=31.5+13n。

随便看

 

离鸟网收录3541549条中英文词条,其功能与新华字典、现代汉语词典、牛津高阶英汉词典等各类中英文词典类似,基本涵盖了全部常用中英文字词句的读音、释义及用法,是语言学习和写作的有利工具。

 

Copyright © 2004-2024 vtrois.com All Rights Reserved
更新时间:2026/4/8 8:06:37