网站首页  词典首页


请输入您要查询的字词:

 

字词 中间继电器
类别 中英文字词句释义及详细解析
释义

中间继电器


1.适用范围

中间继电器适用于交流50Hz或60Hz、电压至380V,及直流电压至220V的控制电路中,用来控制各种电磁线圈,以使信号放大或将信号同时传递给有关控制元件。也可用来直接控制小容量电动机或其他电气执行元件。

2.结构和工作原理

中间继电器的结构和工作原理与交流接触器基本相同,与交流接触器的主要区别是触点数目多些,且触点容量小,只允许通过小电流。在选用中间继电器时,主要是考虑电压等级和触点数目。

3.常用中间继电器产品型号及主要技术参数

常用中间继电器产品型号及主要技术参数见表1-91。

表1-91 常用中间继电器产品型号及主要技术参数

4.常用中间继电器的外形及安装尺寸

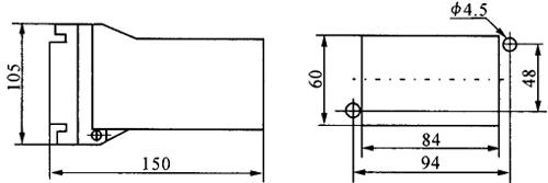
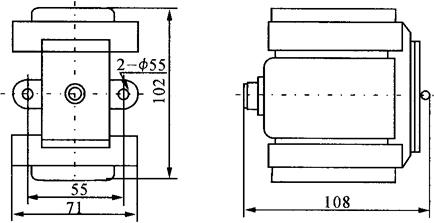
(1)JZ7系列中间继电器的外形及安装尺寸见图1-64。

图1-64a JZ7系列外形及安装尺寸

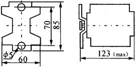
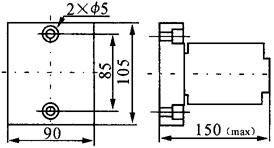
JZ11-□/1半开启式板后安装尺寸

JZ11-□/2半开启式板前安装

JZ11-□/3半开启式板前垂直安装

JZ11-□/4半开启式带接线底座

JZ11-□/5密封外罩带接线底座

图1-64b JZ11系列中间继电器的外形及安装尺寸

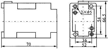
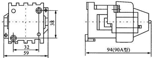
敞开式板后安装

敞开式板前安装

图1-64c JZ14系列中间继电器外形及安装尺寸

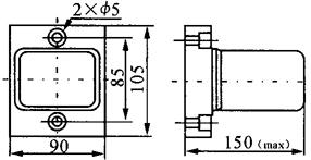
图1-64d JZ15系列中间继电器外形及安装尺寸

图1-64e JDZ系列中间继电器外形及安装尺寸

DZB-11、12、13电压起动中间继电器

DZB-14、15、电流起动中间继电器

图1-64f DZB系列中间继电器外形安装尺寸

(2)JZ11系列中间继电器的外形及安装尺寸见图1-64b。

(3)JZ14系列中间继电器外形及安装尺寸见图1-64c。

(4)JZ15系列中间继电器外形及安装尺寸见图1-64d。

(5)JDZ系列中间继电器外形及安装尺寸见图1-64e。

(6)DZB系列中间继电器接线图及外形安装尺寸见图1-64f。

随便看

 

离鸟网收录3541549条中英文词条,其功能与新华字典、现代汉语词典、牛津高阶英汉词典等各类中英文词典类似,基本涵盖了全部常用中英文字词句的读音、释义及用法,是语言学习和写作的有利工具。

 

Copyright © 2004-2024 vtrois.com All Rights Reserved
更新时间:2026/4/9 6:43:24