网站首页  词典首页


请输入您要查询的字词:

 

字词 井中爆破与射孔
类别 中英文字词句释义及详细解析
释义

井中爆破与射孔


在多层状岩盐(或多层地下卤水)建造的矿区中,已被套管封隔的产层或层段进行开采时,可采用井中爆破或定位射孔工艺,揭露矿层或矿段,以便由下至上逐层、分层开采岩盐(或地下卤水),提高单井生产能力,延长服务年限,提高矿床采收率。

(-)射孔

将射孔器下放至井中预定深度引爆,射穿套管及水泥环,并穿过地层一定深度,使之与井内液柱连通,造成井下通道。

1.方法分类

(1)套管射孔 将射孔器用测井电缆送到无油管的井内,对套管进行射孔;

(2)过油管射孔 将射孔器用测井电缆通过预先下放到井内的油管,对套管进行射孔;

(3)油管输送式射孔 将射孔器连接在油管底部,下放到井内,对套管进行射孔。

2.射孔弹的分类

(1)按装配形式分有枪身射孔弹和无枪身射孔弹。

(2)按射孔方法,分为套管射孔弹、过油管射孔弹和油管输送式射孔弹;

(3)按聚能罩类形,分为有杵堵射孔弹和无杵堵射孔弹;

3.代号及其含义:

Y——有枪身射孔系列

W——无枪身射孔系列

D——射孔弹

T——套管射孔

G——过油管射孔

S——油管输送式射孔

4.型号表示方法

分类与型号见表3-1-24。

表3-1-24 射孔弹分类与型号

5.主要性能指标

(1)外观要求:表面应清洁,无损伤,不得漏药、缺药,涂胶(漆)部位胶(漆)应均匀。

(2)地面穿孔性能、起爆率不小于95%,穿孔率不小于90%,平均穿孔深度不应小于表3-1-25之规定。

表3-1-25 射孔弹地面穿孔深度要求(mm)

(3)对139.7mm(″)套管射孔后的允许损伤应满足表3-1-26要求。

表3-1-26139.7mm套管射孔后允许损伤

(4)各类射孔器综合指标见表3-1-27。

表3-1-27 各类射孔器综合指标

6.射孔弹包装与标志

(1)射孔弹的包装,除按民爆器材的要求外,应符合SY/JQ257-81包装通用技术的规定;

(2)包装箱外应有爆炸药品标志,应符合GB190-73危险品包装标志的要求;

(3)包装箱外并标明民爆器材生产企业凭证编号,应有生产厂家铅封。

7.运输与贮存 按照《中华人民共和国民用爆破器材管理条例》(国发〔84〕5号)文件第五章第二十三条至第二十六条,第三章第十三条至第十七条执行。

(二)井中爆破

采用专门的药弹(具有横向和纵向聚能切割效应的药形罩和高能炸药柱炸弹),下放至井内预定深度引爆,切割套管,爆破管外水泥环,并穿过岩层或矿层至一定深度,使生产目的层段裸露,以便进行开采;或根据钻井工程处理事故的需要,用以切断钻具、爆破振动解卡;也可用来处理开采层段之间较薄的夹石层,以连通上下盐层,提高采收率等。

1.爆破器材

(1)特种药弹 由聚能药形罩、高能炸药柱、引爆装置及壳体组成。

(2)导爆索 JD-76型Φ9、Φ8、Φ7,每根长2.4m,耐温130℃,耐压58.8MPa,爆速≥6500m/s,爆温≥3300℃。

(3)发火器 为起爆部件。性能指标:耐温150℃,耐压68.6MPa。

(4)炸药 几种常用炸药的主要性能见表3-1-28。

表3-1-28 常用炸药主要性能

2.配套装置

(1)电缆头 与测井绞车电缆相连的部件,用以提升和下放药弹,Φ30~40×300mm。

(2)磁性定位器 测定套管接箍,准确计算起爆点。

(3)加重杆 根据井内压力为药弹配重的附件,以克服井内压力和电缆的摩擦力,使药弹顺畅的下达到预定施工井段,外径≤48mm,长度800mm~1200mm。

3.运输与贮存 爆破器材必须按《中华人民共和国民用爆破器材管理条例》(国发〔84〕5号文件)第五章二十二条至二十六条,第三章十三条至十七条执行。

(三)定位爆破和射孔

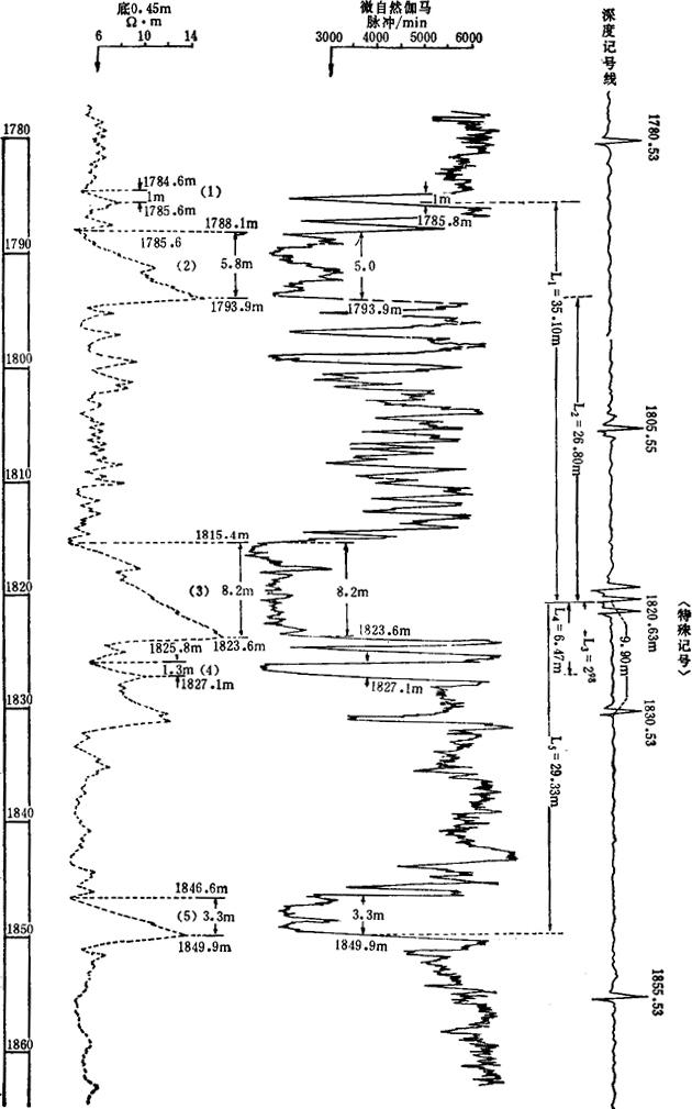
在薄互层组的岩盐矿区,为了准确地射穿目的层,应用测井曲线将计算爆破或射孔层位深度的起算点,由地面间接地移到井下距目的层最近的位置,在电缆上作出标记,以保证爆破和射孔的准确度。

定位方法:测井电缆首先下至目的层附近,作“特殊记号”并注磁以便照像记录。同时测自然伽马曲线及磁性定位曲线,和原测视电阻率曲线进行对比,定出“特殊记号”的深度(以视阻率曲线为准),并求目的层顶、底界及厚度。根据各层底界深度分别量出与“特殊记号”的长度。如图3-1-50所示。

图3-1-50 “特殊记号”深度的推算图例

从而定出定位爆破或射孔所用“特殊记号”深度。然后根据下式计算出第-炮的上提(下放)距离:

±L=M-(T-G+H) (3-1-13)

式中 +L——电缆下放距离

-L——电缆上提距离

M——目的层底介深度

T——特殊记号深度

G——自然伽马零长

H——枪身零长

随便看

 

离鸟网收录3541549条中英文词条,其功能与新华字典、现代汉语词典、牛津高阶英汉词典等各类中英文词典类似,基本涵盖了全部常用中英文字词句的读音、释义及用法,是语言学习和写作的有利工具。

 

Copyright © 2004-2024 vtrois.com All Rights Reserved
更新时间:2026/4/8 18:13:57