网站首页  词典首页


请输入您要查询的字词:

 

字词 井矿盐地球物理测井资料综合解释
类别 中英文字词句释义及详细解析
释义

井矿盐地球物理测井资料综合解释


测井资料的综合解释是运用所有测井资料综合钻井地质工作及有关地质资料去认识所钻穿岩石的岩性、物性和含盐性以及含油、气性,达到综合找矿的目的。要提高测井解释的精度,一般要做到以下几方面的工作。

1.根据矿区地质-地球物理特性,选择适合本地区的测井系列和解释方法。

2.根据矿区区域性地质-地球物理特性,掌握第一性资料,如岩屑录井资料、取芯资料以及油、气、水层等资料,进行综合解释和对比,以便进一步掌握探区内地质-地球物理特性。

3.利用测井曲线在盐类矿物及卤水剖面中的反映特征,对矿层进行定性或定量估价时,要做具体的实验分析、综合分析和选择分析,以确定岩性、物性及矿层埋深、厚度、品位等。

4.确定盐、卤矿层的性质和钻穿剖面中岩层的岩性、物性及和地球物理特性的关系。

(一)井矿盐地球物理测井系列

1.最佳测井系列的选择

(1)测井系列选择的原则

①能探明不同深度,能反映岩层径向特性的变化;

②结合其他地质资料,能划分盐层、卤水层、油、气及其他有用矿物;

③能划分岩性和渗透性;

④便于区域性地层对比和邻井的对比;

⑤便于确定矿层的埋深、厚度、品位等;

⑥具有划分薄层的能力。

(2)井矿盐最佳组合测井系列考虑到地质特点和洗井液类型,一般选择以下测井系列,即可达到勘探目的地质效果和工程效果。

①1m,2.5m梯度视电阻率曲线;

②自然电位曲线;

③自然伽马曲线;

④井径曲线:

⑤固井声幅测井;

⑥井斜测量。

(二)应用测井资料确定岩性

不同岩性的储集层具有不同的物性、含盐性和曲线特征。常把岩芯和相应井段的测井曲线进行对比,而得出相互之间的特征关系。

1.粘土、泥岩及泥质页岩层

(1)电阻率变化范围很小,一般在1~10Ω·m之间变化,较致密的板岩和泥质页岩比泥岩的电阻率高些,达几十Ω·m。曲线基本上显示低阻。当钻遇陆相含盐系地层时,尤其是钻遇岩盐层时,钻井冲洗液使岩盐溶解造成低阻显示。

(2)自然电位曲线 由于泥质岩颗粒小于0.01mm,呈微毛细管型孔隙,具非渗透性。在粘土和泥岩的接触面上扩散吸附电位比较稳定,一般作为计算其他岩层自然电位的基线。

(3)井径曲线 一般显示为扩径或等于名义井径。对含有蒙脱石等成分的泥岩,因吸水膨胀,曲线小于名义井径;在沉积盐层中,由于钻井泥浆的冲刷引起扩径,曲线显示明显的高值;并呈急剧变化。

(4)自然伽马曲线 泥质越纯、颜色越黑的泥质岩,含有机质越多,以及含有蒙脱石粘土和火山灰等富含放射性矿物时,自然伽马曲线均急剧增加。

2.砂层及砂岩

(1)视电阻率曲线 由于地层的孔隙率、孔隙形状、地层水性质及其含盐矿化度高低的不同,电阻率变化范围从0.1至数千Ω·m。如含油、气的岩层比含水时的电阻率要大得多,含淡水比含卤水的电阻率要大得多。

砂层及砂岩一般比泥质地层幅度高些。

(2)自然伽马曲线 呈现低值显示。泥质含量增加时,曲线读数随之增加。

(3)自然电位曲线 相对于泥岩基线而言,具有较大的异常幅度。当地层水矿化度大于泥浆矿化度时为负异常,反之为正异常;当两者相当时,异常幅度很小或没有异常。地层水矿化度和泥浆矿化度差别越大,其自然电位异常幅度越大。含泥质成分越多,其异常幅度越小。

(4)井径曲线 由于砂岩的渗透性好,井壁常有泥并存在,故曲线上显示缩径:流砂层井段、井径扩大,曲线显示高值。

3.羔盐剖面 视电阻率曲线除盐岩井段因钻井泥浆的冲刷溶解引起井径扩大、出现较低的数值外,其他均显示高阻,在石羔层出现雁尾状高幅度异常。

石羔,无水石羔和盐岩的自然放射性非常低,当遇有钾盐存在时,由于k40的自然放射性强,所以呈现高值异常。

盐岩井段扩径明显,自然伽马曲线为低值;当扩径大于45cm时,低值显示更为突出,甚至低于石羔。无水石羔一般不扩径,井径曲线近似于名义井径。

4.碳酸盐岩剖面

(1)泥灰岩 电阻率随孔隙度和泥化程度而不同,范围变化由几Ω·m至几百Ω·m。在自然电位曲线上显示和泥质相似,为相对正值。自然伽马曲线上,由于泥质含量的增高,读数较高。

(2)石灰岩与白云岩 白云岩电阻率的变化范围比石灰岩小得多;当石灰岩中裂缝比较发育并充满泥质时,电阻率明显降低。在自然电位曲线上,当不含泥质时,表现为负值异常;泥质含量增加时,幅度明显偏正。自然伽马一般表现为低值读数,泥质含量增加时,读数明显升高;当含放射性矿物时,读数也可能很高。因此对于孔隙性泥灰岩,可用自然伽马和自然电位曲线加以区别。

井径曲线在含泥质很多,孔隙、裂缝发育或有溶洞出现时,井径明显扩大,一般情况下和名义井径一致。

(三)应用测井曲线进行地层对比

1.选择标准层 根据各组段地层在测井曲线上显示的特征,可作邻层对比,如地层连续性好,在整个构造或地区都能连续追踪,岩性稳定,厚度变化不大,各种测井曲线显示明显,即可作为标准层。如图3-1-38中的a,b所示。图a中,M、N、P、Q是用页岩作标准层实例;图b中,是用泥岩作标准层实例。

图3-1-38 电测标准层对比图

a-用页岩作标准层 b-用泥岩作标准层 SP-自然电位 Ra-视电阻率

2.应用测井曲线进行地层对比 可以确定地层在空间的分布情况和岩性变化规律,找出盐、卤矿层富集的有利地区,预测钻探目的层,并找出单井剖面上地层岩性特征的反映及不同层系的地层组合沉积韵律等。

3.绘制综合地层对比图 由于各组、段地层在测井曲线上均有明显的特征,根据曲线的形状幅度和上下层段的组合特征等,可把各井剖面分成若干大段,然后再进一步分成许多小层组,详细地逐层对比。最后分探区、分目的层把各井组相应的标准层和各系、组、段、层用对比线加以连接,绘制出地层对比图。如图3-1-39、图3-1-40。

图3-1-39 近距离对比图实例

图3-1-40 远距离对比图实例

4.划分断层 首先利用测井曲线,建立正常的地层剖面。再根据区域性地层特征和地球物理特征,逐层进行对比,以标准层为依据,找出地层缺失、重复或起伏的现象,结合地震追踪断层的资料、断层切割的特点,测井曲线在断层部位明显的反映(如自然电位负异常,井径扩大,各种曲线均有明显重复出现的特征等)进行确定。如图3-1-41、图3-1-42、图3-1-43、图3-1-44所示。

图3-1-41 测井曲线对比确定逆断层的实例

图3-1-42 测井曲线对比确定地层超伏的实例

图3-1-43 测井曲线对比确定地层特征的实例

图3-1-44 用流体、井温测井判断气、水层

5.利用测井曲线划分盐岩层

(1)当采用水基泥浆钻井时,造成盐岩层的溶解,视电阻率分流严重;当电极排列较小时,则出现电阻率低异常显示(纯盐岩电阻率值为107-9Ω·m)的假像,曲线拐点正对盐岩层顶、底板位置。井径曲线显示扩径,曲线的陡急处正对盐岩层顶、底板位置。自然伽马曲线显示低异常读数,如扩径大于45cm,超过仪器的探测范围,更是低异常读数。井内流体电阻曲线呈低异常显示。

(2)当钻孔采用抗盐泥浆体系时,盐岩层得到了保护,不扩径或微小扩径。当用较大电极排列时,则出现视电阻率曲线异常幅度略低于上下围岩(羔盐、碳酸盐岩剖面)或高于上下围岩幅度(砂、泥质剖面)。自然伽马曲线低异常显示。井径曲线不扩径或显示微小扩径。

(四)应用测井曲线定性判断储集层含气、水情况

在井矿盐钻井中,由于强烈的井眼分流和严重的邻层屏蔽影响,探测范围不大的测井方法只能反映泥浆侵入区的物性,不能判断油、气、水的差别;而要结合钻井过程中的显示情况并应用井温及流体等工程测井方法进行定性判断。通常地层水与泥浆的温度和矿化度不同,因而会产生热对流和离子扩散。当地层水进入井中,使局部热场升高(当地层温度高于泥浆温度时)、泥浆电阻率降低(当地层水矿化度高于泥浆矿化度时)。当天燃气进入井中,发生吸热膨胀,使气侵井段显示低温异常,如图3-1-44所示。

在井段1157.5~1175m和1133.5~1341m处显示为水层特征:流体电阻率曲线降低,井温曲线显示高温异常。原因是地层水的离子扩散快,热对流快。井段1294.5~1298m处为绿豆岩、泥岩,其流体电阻率显示低值,这是井径扩大、下部低矿化度水向上扩散,浇井不均匀所致。

(五)确定井下漏失层位

在泥浆柱压力大于地层的条件下,漏失层段泥浆侵入较深,并大量漏入地层,而产生井温异常和井内流体异常幅度。图3-1-45为利用井温和流体电阻率测井确定漏层的实例。

图3-1-45 某井利用井温和流体电阻率测井确定漏层

图中流体曲线1、2是在液面不断下降的情况下测量的。流体曲线3和井温曲线是在向井内灌注清水(使液面保持在井口)情况下测量的。结合视电阻率曲线和自然电位曲线异常和钻井显示,可以判断井段2126~2129m处为漏失层。

(六)确定管外窜流层位

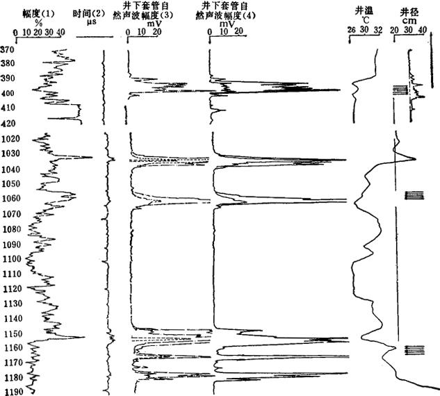
当天然气在管外窜流时,在气体窜入和窜出层位,井温显示低温幅度异常,同时产生自然声波,如图3-1-46。

图3-1-46 应用声波和井温测井确定管外窜流

图中3、4为关闭仪器声源的自然声波测井曲线,声幅大的位置就是窜气位置;同时井温曲线显示低温幅度异常。判断1041~1077m和1145~1180m处为主要出气层段,井深385~405m处为主要进气层段。

(七)确定套管断裂位置

声波通过套管断裂位置时,波幅大大衰减,在曲线上呈低异常幅度显示,和正常的套管接箍幅度差别很大;并且套管断裂处有泥浆漏失,井温曲线出现急剧降温异常。如图3-1-47所示,井深765~766m处为套管断裂位置。

图3-1-47 声波和井温测井寻找套管断裂位置

(八)检查酸化压裂效果

利用不同探测范围的视电阻率测井法,在酸化压裂前后进行测井,将两次测井曲线进行对比,可以判断井下吸酸层位和裂缝地层沟通情况,如图3-1-48所示。

图3-1-48 检查酸化压裂效果测井曲线图

图中以泥质层的电导率幅度为1(假定酸化前后不变),则渗透层1的相对幅度值为:深侧向0.8~2.1;浅侧向0.6~2.5。说明在该层酸化压裂后,裂缝扩大和沟通,电导率增大,电阻率降低(如底1米石灰岩电极)。因此可判断渗透层1为吸酸层位,而且酸化压裂效果好。

随便看

 

离鸟网收录3541549条中英文词条,其功能与新华字典、现代汉语词典、牛津高阶英汉词典等各类中英文词典类似,基本涵盖了全部常用中英文字词句的读音、释义及用法,是语言学习和写作的有利工具。

 

Copyright © 2004-2024 vtrois.com All Rights Reserved
更新时间:2026/4/9 5:38:13