网站首页  词典首页


请输入您要查询的字词:

 

字词 交流比例技术及交流电量测量仪器的检定
类别 中英文字词句释义及详细解析
释义

交流比例技术及交流电量测量仪器的检定


1.交流比例技术

各种交直流转换器件、电路和交流电量测量仪表的测量范围都有一定的限制,对于高电压、大电流和小电压、小电流,一般都需通过交流比例设备将其转换成适应于变换器和仪表的测量范围,因此,交流比例技术在交流电量的测量中应用得非常广泛。最常用的交流比例设备为电压互感器和电流互感器。下面仅对专用于测量的互感器的原理予以简单介绍。

电压互感器PT的一次绕组并联接在被测线路上,二次绕组并联接测量仪表;电流互感器CT的一次绕组串联接在被测线路上,二次绕组串联接测量仪表,原理线路如图6.5-10所示。图中N1、N2分别表示互感器的一次和二次绕组,U1、I1为被测线路的电压和电流,即互感器一次绕组输入的一次电压或一次电流;U2、I2为输入测量仪表的电压和电流,即互感器二次绕组输出的二次电压或二次电流。被测线路的电压或电流可通过测量仪表测得的电压或电流由下式计算得:

图6.5-10 电压互感器和电流互感器原理线路

U1=KUU2,I1=KII2 (6.5-12)

KU、KI分别为电压互感器的额定电压比和电流互感器的额定电流比,可表示为:

KU=U1N/U2N,KI=I1N/I2N (6.5-13)

式中U1N-额定一次电压;U2N-额定二次电压;I1N-额定一次电流;I2N-额定二次电流。电压互感器额定二次电压一般规定为100V或150V。电流互感器额定二次电流为5A或1A。

互感器的误差包含比差和角差两部分。电压互感器的误差主要由空载误差和负载误差引起,而电流互感器的误差主要由铁芯励磁电流不为零所造成,而且其大小与二次负荷有关。为了减小误差,实际的互感器大都采取了各种补偿措施,如对电压互感器采取电压补偿或电流补偿,对电流互感器采取磁势补偿或电势补偿等。实验室中使用的精密互感器的测量准确度一般可做到2×10-3~1×10-4

精密互感器除了配合精密仪表扩大量限,用来精密测量被测线路的电压、电流、功率和电能外,还可以作为标准互感器,用来检定准确度等级比它低两级的相应互感器;或者与标准仪表配合,用来检定准确度等级比标准仪表低两级的相应仪表。

按照工作原理的不同,电压互感器可分为电磁式电压互感器,电容式电压互感器和电子补偿式电压互感器;电流互感器也可分为双绕组电流互感器,零磁通电流互感器及电子补偿式电流互感器等。

2.交流电量测量仪器的检定

我国交流电量基准是以前面介绍的交直流转换基准和直流电压及电阻基准为基础于1982年建立的,包括音频电压、电流和功率三个基准,在40~15000Hz的频率范围内,其不确定度为2×10-5(对电压和电流)及3×10-5(对功率)。国内交流电量及其测量仪器的检定测试均溯源到这三个基准及国家电能基准上。下面对这领域中常用的几种检定方法予以简单介绍。

(1)热电式交直流比较法

热电式交直流比较法的工作原理是用与交流电量有效值等值的直流电量的测量代替交流电量的测量。这个等值比较是在热电变换器上实现的,电流或电压有效值的等值是根据热电变换器的热电势不变加以确定的。交直流功率的等值是根据两个热电变换器的热电势差值不变加以确定的。与交流电量等值的直流电量用直流电位差计或数字电压表测量。图6.5-11~13分别给出了用热电式交直流比较法检定交流电流、电压、功率表的原理电路。

图6.5-11 交直流比较法检定电流表的线路

图6.5-12 交直流比较法检定电压表的线路

图中:1.2.交流电源3.4.直流电源5.分压器6.内附电位差计7.监测用电位差计或数字电压表

图6.5-13 交直流比较法检定功率表的线路

(2)利用标准源或标准表的直接测量(比较)法

近年来,高精度的电测仪器发展很快,如数字多用表和多功能标准源,显示位数从四位半到八位半,准确度从10-3~10-6,形成了系列。利用多功能标准源检定交流电压、电流测量仪器非常方便,只要按照一定的准确度等级关系,让被检仪表直接测量标准源输出的电压或电流即可,因此这里就不再介绍。

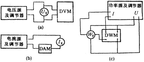
当所用电压、电流或功率源不是标准源,但具有满足检定要求的稳定性及输出范围时,则可用如图6.5-14所示线路,使被测仪表与标准仪表同时测量电压、电流或功率源输出的量,进行直接比较。被检仪表的基本误差按下式计算:

图中:Ux、Ix、Wx-分别为被检电压表、电流表和功率表;

DVM-标准电压表;DAM-标准电流表;DWM-标准功率表。

图6.5-14 用数字表检定仪表的接线图

(3)热电变换器和热电比较仪交直流转换差的检定

热电变换器和热电比较仪的交直流转换误差可以用如图6.5-15所示的电路进行检定。图中a)为检定交直流电压转换的误差,标准交直流电压变换器通过分压器与被检仪器并联,而其热偶的输出分压后与被检仪器热偶的输出进行平衡。当按照被检仪器的检定点分别通以交流和直流电压时,从平衡指示器读数的变化即可确定被检仪器的交直流电压转换误差。注意,此方法只有在标准热电变换器比被检的输出大才可采用。图6.5-15b为检定交直流电流转换的误差,带有分流器的标准交直流电流变换器与被检仪器串联,当按照被检仪器的检定点对应的数值通以直流电流时,调节与标准热电变换器并联的补偿器的输出,使平衡指示器接近指零,然后把开关接至交流,调节电流使被检仪器的指示与通直流时相同,此时平衡指示器读数的变化即为被检仪器的交直流电流转换误差。

a.交直流电压转换误差的检定

b.交直流电流转换误差的检定

a.交直流电压转换误差的检定 b.交直流电流转换误差的检定

图6.5-15 交直流电压、电流转换误差的检定

【参考文献】:

[1]国家技术监督局发布,GB3100~3102-93量和单位国家标准,中国标准出版社,1994年12月。

[2]王江主编,现代计量测试技术(第18章电磁计量技术),中国计量出版社,1990年12月。

[3]程守洙、江之永主编,普通物理学第二册,人民教育出版社,1979年2月。

[4]俞大光编,电工基础,人民教育出版社,1958年9月。

[5]Г.И.阿塔别柯夫,线性电路理论,人民教育出版社,1963年12月。

[6]C.A.狄苏尔、葛守仁,电路基本理论,人民教育出版社,1979年1月。

[7]乔蔚川、刘瑞珉、沈平子,The Absolute Measurement of the Ampere by Means of NMR,IEEE Trans.Instrum.Meas.,vol.IM-29,No.4,Dec.,1980.

[9]张钟华等,NIM用计算电容测定的量子化霍尔电阻的SI值(英文),计量学报,第16卷,第1期,1995年1月。

[10]刘瑞珉、刘恒基、金惕若等,NIM对γ′p及2e/h的SI值的最新测定结果(英文),计量学报,Vol.16,No.3,1995年7月。

[11]B.P.Kibble。I.A.Robinson and J.H.Belliss,A Realization of the SI Watt by the NPL MovingCoil Balance,CCE Documents 88-16,1988.

[12]P.T.Olsen。R.E.Elmquist,E.R.Williams,G.R.Jones and V.E.Bower,A Measurement of the NBS Electrical Watt in SI Units,CCE Documents 88-37,1988.

[13]Report of the 18th Meeting of CCE,1988.

[14]B.P.Kibble,I.A.Robinson and J.H.Belliss,The New NPL Moving Coil Balance-A Progress Report,CCE Documents 92-61,1992.

[15]唐统一、张钟华、张叔涵主编,近代电磁测量,中国计量出版社,1992年8月。

[16]袁楠、沈平子编,电磁量的单位制和单位的复现与传递,机械工业出版社,1986年4月。

[17]阮永顺、迈淑琴、王晓超编着,交流电桥检定与测试技术,中国计量出版社,1991年5月。

[18]唐佐梁、梁德正等,电能计量手册,河南科学技术出版社,1990年12月。

[19]K.J.Lentner.A Current Comparator System to Establish the Unite of Electrical Energy at 60 Hz,IEEE Trans.Instr.Meas.Vol.23,No.4,p.334-336,Dec.,1974.

[20]ю.B.阿法拉谢耶夫等着[苏],张伦译,磁场参数测量器具,科学出版社,1983。

[21]p.Φ.阿克纳叶夫、Л.И.留必莫夫、A.M.巴纳休克-米罗维齐着,李绍贵,王登安译,电磁量计量器具的检定,中国计量出版社,1992年5月。

随便看

 

离鸟网收录3541549条中英文词条,其功能与新华字典、现代汉语词典、牛津高阶英汉词典等各类中英文词典类似,基本涵盖了全部常用中英文字词句的读音、释义及用法,是语言学习和写作的有利工具。

 

Copyright © 2004-2024 vtrois.com All Rights Reserved
更新时间:2026/4/9 0:20:15