网站首页  词典首页


请输入您要查询的字词:

 

字词 信号继电器
类别 中英文字词句释义及详细解析
释义

信号继电器


1.适用范围

(1)DX-8系列信号继电器用于直流操作的保护和自动控制装置中,作为机械保持和手动复位的动作指示器,其中DX-8G型为横向安装。

(2)DX-11系列信号继电器用于直流操作的保护回路中,作辅助继电器和动作指示器。

(3)DX-30系列信号继电器包括DX-31A、DX-32A、DX-32B型,用于直流操作的保护线路中,作为动作指示器。

2.结构特征

(1)DX-8系列信号继电器为电流或电压动作的电磁式继电器,装有机械掉牌信号、掉牌显示明显,手动复位。本继电器有三对常开接点。根据用户要求,可将其中一对常开接点调成瞬动自复位接点,给计算机发出瞬时信号,其余两对接点仍保持为手动复位接点。

(2)DX-11系列信号继电器为电磁式拍合型继电器,它具有电磁铁和带公共点的两对常开接点及一个信号牌。外壳前壁上有一玻璃小窗以便观察信号牌的位置,还有手动返回信号牌的按钮。

(3)DX-31A型为电压或电流动作,具有掉牌信号,机械保持,手复位。DX-32A型,电压或电流动作,具有灯光信号,电压保持,电复位。DX-32B型,电压或电流动作,具有灯光信号,电压保持,电复位,较DX-32A型多一组常开接点。

3.信号时间继电器的主要技术参数

(1)DX-8系列信号继电器的主要技术参数:

①继电器的规格见表1-92。

表1-92 DX-8系列信号继电器的规格

②动作值:电压起动的动作值不大于额定工作电压的70%,电流起动的动作值不大于额定工作电流90%。

③动作时间:电压起动的继电器施加额定工作电压,电流起动的继电器施加120%额定工作电流时,继电器的动作时间不大于30ms。

④接点容量:在工作电压不大于220V,工作电流不大于2A的直流感性负载电路(时间常数为5×10—s)中,断开容量为50W,在交流回路(功率因数cosφ0.4±0 1)中为250VA,在交直流工作电压不大于220V的条件下接点长期允许通过2A电流。

⑤功率损耗:电压工作线圈不大于3W,电流工作线圈不大于0.3W。

⑥热稳定性:在周围环境温度为±40℃时,电压工作线圈能长期承受1.1倍额定电压;电流工作线圈能长期承受3倍的额定电流,其线圈温升不超过65℃。电流工作线圈还能耐受10倍额定电流,历时3s。

(2)DX-11系列信号继电器的主要技术参数:

①主要技术数据见表1-93a。

表1-93a DX-11系列信号继电器的主要技术参数

②电流继电器线圈消耗功率约0.3W,电压继电器线圈消耗功率约2W。

③在继电器瞬时返回的条件下,当工作电压在250V以下及工作电流在2A以下时,触点的断开容量在感性负荷的直流电路中为50W,在交流电路中为250VA。

表1-93b DX-11系列信号继电器的主要技术参数

(3)DX-30系列信号继电器的主要技术参数:

①额定值:继电器线圈工作电压或电流额定值为直流220、110、48、24、12V或0.01、0.015、0.02、0.025、0.04、0.05、0.075、0.08、0.1、0.15、0.2、0.25、0.5、0.75、1、2、4A。DX-32型保持回路电压额定值为直流220、110、48V。

②动作值:电压起动的动作值不大于额定电压的70%,电流起动的动作值不大于额定电流的90%。

③保持值:继电器的保持值不大于80%额定保持电压。

④返回值:不小于5%额定值。

⑤功率损耗:电流线圈不大于0.3W,电压线圈不大于3W。DX-32A型,电压保持回路220V,不大于10W,110V不大于5W,48V不大于3W。DX-32B型电压保持回路220V不大于20W,110V不大于10W,48V不大于4W。

⑥接点容量:在电压不大于220V的直流感性负载电路(时间常数为5×10-3s)中,不大于30W,在电压不大于220V的交流电路中不大于200VA。

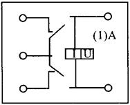
4.信号时间继电器的接线图

信号时间继电器的接线图见图1-65。

图1-65a DX-8系列信号时间继电器接线图

图1-65b DX-11系列信号时间继电器接线图

图1-65c DX-30系列信号时间继电器接线图

(1)DX-8系列信号时间继电器的接线图见图1-65a。

(2)DX-11系列信号时间继电器的接线图见图1-65b。

(3)DX-30系列信号时间继电器的接线图见图1-65c。

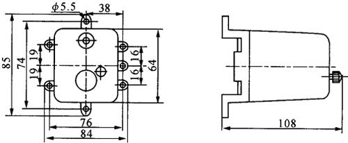
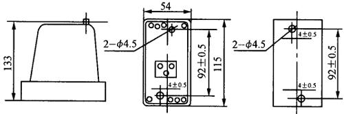
5.信号时间继电器的外形及安装尺寸图

信号时间继电器的外形及安装尺寸图见图1-66。

图1-66a DX-8系列信号时间继电器的外形及安装尺寸图

板前接线

板后接线

图1-66b DX-11系列信号继电器的外形及安装尺寸图

图1-66c DX-30系列信号继电器的外形及安装尺寸图

(1)DX-8系列信号时间继电器的外形及安装尺寸图见图1-66a。

(2)DX-11系列信号继电器的外形及安装尺寸图见图1-66b。

(3)DX-30系列信号继电器的外形及安装尺寸图见图1-66c。

随便看

 

离鸟网收录3541549条中英文词条,其功能与新华字典、现代汉语词典、牛津高阶英汉词典等各类中英文词典类似,基本涵盖了全部常用中英文字词句的读音、释义及用法,是语言学习和写作的有利工具。

 

Copyright © 2004-2024 vtrois.com All Rights Reserved
更新时间:2026/4/7 21:12:02