网站首页  词典首页


请输入您要查询的字词:

 

字词 全国植物保护统计信息系统(ZBTJBB)
类别 中英文字词句释义及详细解析
释义

全国植物保护统计信息系统(ZBTJBB)


一、全国植物保护专业统计信息系统

(一)概述 建立自下而上统一的统计信息系统,是统计工作科学化、现代化发展的必然趋势。在某一专业范围内建立全国统计信息网,需要科学规范的指标体系和分组体系构成的既统一又适应各级统计工作特殊要求的统计系统。以保证数据上报、传递和汇总的方便。同时该系统应能适应指标体系、分组体系以及报表样式的不断变化,保持在较长时间内统计信息的前后一致性,以便统计分析工作的正常进行。要建立这样的统计信息系统,各工作站需要统一的软件支撑环境,以保证标志(指标)编码的标准和规范,数据格式的一致以及数据库结构的统一,同时需要易学易用的软件开发工具,以保证各级系统的快速建立和修改。“统计报表自动处理系统TJBB”的功能完全适合这一需要,是建立统计信息网极好的工具。

“全国植物保护专业统计信息系统”ZBTJBB自1992年开始采用TJBB作为支撑环境和开发工具,1993年初建成的“全国植物保护总站统计系统”已顺利完成1992、1993年的统计工作。目前已初步建成的全国统计信息网的结构如图6-2所示。

图6-2 全国植物保护专业统计信息系统结构

在“全国植物保护总站统计系统”的基础上,使用ZBTJBB可以方便快捷地建立省级统计系统。各省建立自己的系统,只需将“全国植物保护总站统计系统”中的地区标志编码ZBCODE01改为本省各地、县的编码(按国家标准)和名称,再根据本省的需要,修改或新建一些报表,即可完成。进一步,可以发展到各地、县,建立县一级的统计系统。

该系统自下而上汇总数据目前是通过软盘传递。将来有条件时,可以通过电话线路进行数据文件传输,逐步实现全国联网传输数据,自动汇总。

“全国植物保护专业统计信息系统”的建立和投入使用,必将大大提高各级植物保护统计工作的效率,使植保统计工作更加科学化、现代化。

(二)各级植物保护站统计系统的结构和组成 根据农业部制定、颁发的《植物保护专业统计报表制度》和《植物保护专业统计年度报表》设计的,由TJBB建立的“全国植物保护总站统计系统”包括:八个编码库,四个数据库,《植物保护专业统计年度报表》规定的所有报表,以及一些辅助的计算验算表和汇总后的过录表。各省(市)植物保护站统计系统与之类似。

1.标志(指标)编码库

标志(指标)编码库目录如图6-3。

图6-3 植物保护站统计系统标志(指标)编码库目录

编码库内容(编码,名称,计量单位)详见本节三。

(1)填报单位编码(ZBCODE01) 编码规则:采用GB6620国家标准编码,码长6位,前两位是省(直辖市)编码,后4位是各区县编码。详见本节三。

(2)指标(第一部分)编码(ZBCODE02) 指标编码设计为3位编码。《植物保护专业统计年度报表》中出现的所有指标分在ZBCODE0和ZBCODE07两个编码库中。ZBCODE02中包含植专年1、2、6、7、10表中的所有指标。详见本节三。

(3)病虫草鼠、检疫对象编码(ZBCODE03) 病虫草鼠、检疫对象编码为4位编码。详见本节三。

病虫草鼠编码规则如下所示:

检疫对象编码规则如下所示:

2000 总计

2100 全国检疫对象合计

2101-2199 全国检疫对象

2200 地方检疫对象合计

2201-2299 地方检疫对象

2300 新发生检疫对象合计

2300-2399 新发生检疫对象

(4)农作物、种子、苗木编码(ZBCODE04) 农作物、种子、苗木编码为2位编码。详见本节三。编码规则如下所示:

00 总计 30 种子合计 50 苗木合计 60植物产品合计

01-20 农作物 31-49 种子 51-59 苗木

(5)年份编码(ZBCODE05) 年份编码为2位编码。详见本节三。

(6)农药、药械编码(ZBCODE06) 农药、药械编码为3位编码。详见本节三,其编码规则如下所示:

000 农药总计

100 杀菌剂合计 101-199 杀菌剂

200 杀虫剂合计 201-299 杀虫剂

300 除草剂合计 301-399 除草剂

400 杀鼠剂合计 401-499 杀鼠剂

500 生物农药合计 501-599 生物农药

600 其他类型药剂合计 601-699 其他类型药剂

700 中毒人数 800 药械总计

701 其中:死亡人数 801-899 药械

(7)指标(第二部分)编码(ZBCODE07) 指标编码设计为3位编码。《植物保护专业统计年度报表》中出现的所有指标放在ZBCODE02和ZBCODE07两个编码库中。ZBCODE0 7中包含植专年3、4、5、8和9表中的所有指标。详见本节三。

(8)级别编码(ZBCODE08) 级别编码为2位编码,详见本节三。

2.统计数据库 各级植保站统计系统均包含如下四个数据库:

Z1 植保统计年报之一,包含农计(农植)1、2、10表

Z2 植保统计年报之二,包含农计(农植)6、7表

Z3 植保统计年报之三,包含农计(农植)3、4、5表

Z4 植保统计年报之四,包含农计(农植)8、9、11表

每个数据库都按年份分为若干子库,每个子库由一个子库号标识,各年的子库号如下所示:

3.统计报表

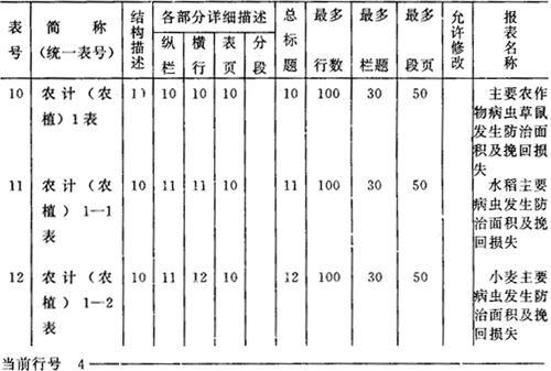
数据库Z1(植保统计年报之一)的报表目录

(三)各级植物保护站统计系统的使用方法

1.系统安装和启动

(1)安装 系统安装参见TJBB软件产品的安装说明。

正确安装后,硬盘上应出现如下三个子目录:

ZB92 1992年度统计年报系统(数据由全国植物保护总站1992年统计数据库转出)

ZB93 1993年度统计年报系统(没有数据)

??ZB93 1993年度??省(市)统计报表系统(没有数据,报表式样可以修改),子目录名中??是省(市)名称前两个字汉语拼音第一个字母,例如北京市植物保护站应是BJZB93。

每个子目录中主要含有如下文件:

编码库目录文件:_·__.STA

编码库文件:ZBCODE0?.STS和ZBCODE0?.STC

数据库目录文件:____.STD

报表描述文件:TJBB_DEF\Z??? __.ST?

数据库数据文件:ZB92子目录下:

TJBB_DAT\Z?__?? B.STU

Z?__?? B.STX

Z?__?? B.STY

ZB93子目录下:TJBB_DAT\(空)

?? ZB93子目录下:

TJBB_DAT\Z? __930.STU

Z? __930.STX

Z? __930.STY

(2)启动 在汉字操作系统中,键入TJBB,即可启动TJBB.启动后屏幕出现TJBB封面并询问用户名。键入用户名(用户子目录名)后,屏幕左下角又出现口令询问,正确回答后便进入图6-4所示的主菜单。例如要进入1993年度北京市植物保护站统计报表系统,用户名应回答“BJZB93”,要进入1992年度统计年报系统,用户名应回答“ZB92”。如果没有设置口令,应键入6个回车(Enter)。

图6-4 全国植物保护专业统计信息系统主菜单

2.基本操作 所有菜单项目可用←→键选择然后按ENTER键执行,也可直接键入菜单项目前面的数字来选择执行。

3.选择数据库 使用TJBB处理报表(主菜单2-5项)前,必须首先指定当前数据库。系统启动时,可自动将上一次最后使用的数据库作为当前数据库。如果想换另一个数据库,应选择主菜单中的“1.编码和数据库”,再选该子菜单中的“6.查选统计数据库”,这时屏幕出现图6-5所示的数据库目录:

图6-5 植保站统计系统数据库目录

将光标移动到需要的数据库条目上,按F10键后,屏幕将出现子库号询问:

数据库号(工作站号):__

正确回答了子库号后,新的当前数据库就被指定。

4.报表数据录入修改选择主菜单中的“3.报表数据”,再选该子菜单中的“1.数据录入计算”,这时屏幕出现当前数据库的报表目录。将光标移动到需要的报表条目上,按F10键后,屏幕上出现图6-6所示的“页标题一览表”。再将光标移到需要的页条目上,按F10键,屏幕上即出现所需的报表。

图6-6 北京市植物保护站统计系统1-1表的“页标题一览表”

5.报表公式计算 定义在数据录入表上的行列公式可在数据录入或修改后按F4键进行计算,或退出时自动计算。辅助计算表应在数据录入修改完成后,依次进入逐一计算(进入后按F4键)。在全国植物保护总站统计系统的数据库Z1中定义了如下6个辅助计算表,其计算功能说明如下:

(1)农计(农植)1-15表的辅助计算表(1G)。该表计算1-15表的“挽回粮食损失”和“实际粮食损失”两栏。

(2)农计(农植)1表的辅助计算表1(C1)。该表计算1表的“发生面积”和“防治面积”两栏。

(3)农计(农植)1表的辅助计算表2(C2)。该表计算1表的“挽回粮食损失”和“实际粮食损失”两栏。

(4)农计(农植)1表的辅助计算表3(C3)。该表计算1表的“发生程度”栏。

(5)农计(农植)1表过录表的辅助计算表(G0)。该表计算1表的过录表的第一行的“发生程度”。对于全国植物保护总站,这个第一行是“全国”那一行,对于省(市)级植物保护站,这个第一行是XX省(市)那一行。

(6)农计(农植)10表的辅助计算表(GB)。该表将1表的“病虫害合计”的“发生面积”复制到10表的“受灾面积”。

各省级植物保护站的数据库Z1中除包含以上辅助计算表外,可能还有其他辅助计算表,都应该逐一计算。

6.报表汇总计算 当各区县的数据录入和计算完成后,便可进行全省(市)汇总。

选择主菜单中的“3.报表数据”,再选该子菜单中的“3.同表页间计算”,这时屏幕出现当前数据库的报表目录。将光标移动到需要汇总的报表条目上,按F10键后屏幕上出现如图6-6所示的“页标题一览表”,再将光标移到XX省(市)那一行,(对于北京植保站是“北京”那一行,对于全国植保总站是“全国”那一行),按F10键,屏幕上即出现该页报表。然后按F4键进行页累加运算。

Z1至Z4四个数据库中的每一个数据录入表都应进行这种页运算,而辅助计算表和过录表不需要做这一步。

7.报表打印输出 类似数据录入计算,选择菜单4.1项“报表打印输出”后,屏幕上将出现报表目录。选择其中一个报表后,屏幕上会出现该表的页标题一览表,再选择所需的一页,该表那一页就会显示在屏幕上。

在打印之前可以对报表按某些栏排序,可以删除全零数据行以及设置打印参数(字体字号等)。报表可直接打印,也可按打印格式存盘。

8.上报数据提取 由于各省(市)统计数据库中包含各区县的数据,因此不能把这个数据库直接上报,应该从上级要求的全部报表中提取出省(市)的那一页形成一个上报数据库。为保证上报数据的准确无误,植保总站统一规定不准从本省(市)统计报表系统(即子目录??ZB93)中直接提取数据,应该把本省(市)数据库复制到子目录\ZB93\TJBB_DAT中,然后启动TJBB,进入ZB93后,再进行上报数据提取。以北京植保站为例,在启动TJBB之前,先用如下操作系统命令复制数据库(应有文件名形式为Z?_930.ST?的12个文件被复制)。

COPY\BJZB93\TJBB_DAT\*.*\ZB93\TJBB_DAT\*.*

然后再启动TJBB,选择主菜单中的“4.报表管理”,再选该子菜单中的“2.报表数据提取”,这时屏幕上出现如下子库号询问(假设当前数据库为Z4):

提取的报表数据存入统计数据库Z4____?中(不能与当前数据库号相同)

新的数据库名与原数据库名相同,只是子库号不同。全国植保专业统计信息系统规定各级植保站上报数据库的子库号如下表所列,前两位是地区编码,第3位A、B、C…与年份1991、1992、1993…相对应。按上述规定,北京1993年上报数据库子库号应回答11C。

如果该数据库不存在,系统将自动建立,如果已存在,所提取的数据将追加到该数据库中。

正确填写子库号后,屏幕将出现如下所示的报表目录窗口。

图6-7 “报表数据提取”的报表目录窗口

在这个窗口中你可以指定所要提取的报表及页码。报表目录最右一栏已填写与你所指定的子库号相同的省缺页码。可以把这些页码修改为你所需要提取的页码,如果哪个报表不需要提取,只需把页码改为空格(目前不需要修改)。

页码填完后,按F10键即可进入报表数据提取操作。

应对Z1至Z4每个数据库都做一次提取操作。提取的每个上报数据库由三个文件组成,以北京植保站为例,1993年全部上报数据库文件应有下列12个(存在\ZB93\TJBB_DAT子目录下)。

Z1__11C.STU Z2__11C.STU

Z3__11C.STU Z4__11C.STU

Z1__11C.STX Z2__11C.STX Z3__11C.STX

Z4__11C.STX

Z1__11C.STY Z2__11C.STY Z3__11C.STY

Z4__11C.STY

要想查看其中数据,在选择数据库后,子库号应回答“11C”。如果要想查看提取前的原数据库,应重新选择数据库,子库号应回答“930”。

9.统计报表汇集 如果是集中录入数据,全部数据已在一个数据库中,不需要汇集。如果由下级填报单位录入数据,就需要将它们汇集到本单位的数据库中,例如全国植物保护总站应将各省(市)上报数据库汇集到一起。

10.报表备份和恢复

(1)数据备份 从主菜单中选择“0.退出”,会自动进入如图6-8所示数据备份子菜单。

图6-8 报表数据备份子菜单

①数据库备份 将全部数据库或某个数据库的数据文件复制到备份盘上。选择后,屏幕出现如下驱动器选择询问:

备份到A盘

填入备份盘所在的驱动器名后回车,这时屏幕又出现如下选择询问:

1.全部数据库 2.某个数据库 0.退出

如果选择全部数据库,将备份该用户的全部数据文件(当前用户子目录下的TJBB_DAT子目录中的全部文件)。如果选择某个数据库,屏幕又接着出现如下所示数据库名询问:

数据库名:_

系统将只复制你在这里指定的数据库的数据文件。

以上操作完成后,屏幕将出现如下提示:

请将数据库软盘插入A驱动器

这时应把备份盘插入相应驱动器中,按任一键后便开始备份。屏幕将显示所复制的文件名。全部文件将存入备份盘的TJBB_DAT子目录中。

②编码库备份 选择后,屏幕将出现如下驱动器选择窗口:

备份到A盘

写后,屏幕将出现如下提示:

请将编码库软盘插入A驱动器

插好备份盘后按任一键,便开始复制,被复制的编码库结构及数据文件名将显示在屏幕上。这些文件将被复制到备份盘的根目录中,同时一些参数文件也被复制。

③表描述备述 选择后,屏幕也出现如下驱动器选择窗口:

备份到A盘

填写后,屏幕上又出现如下选择窗口:

1.全部数据库 2.某个数据库 0.退出

如果选择全部数据库,将备份该用户的全部报表描述(当前用户子目录下的TJBB_DEF子目录中的全部文件)。如果选择某个数据库,屏幕又接着出现如下数据库名询问:

数据库名:_

系统将只复制你在这里指定的数据库上的报表描述文件。

以上操作完成后,屏幕将出现如下提示:

请将表描述软盘插入A驱动器

插好盘后,接任一键,复制便开始。屏幕上将显示所复制的文件名。由于报表描述文件较多,它们将被连在一起存入备份盘的一个如下名字的文件中:

XX__.ST_

└数据库名(若选全部数据库,这里为下划线)

(2)数据恢复 从主菜单中选择“6.数据管理”,便进入如图6-9所示的包含数据恢复功能的子菜单。

图6-9 报表数据管理子菜单

其中前三项为数据恢复,与数据备份一一对映,功能类似,只是方向不同,它将备份盘上的备份文件又恢复到当前用户子目录中,操作与数据备份基本相同。不再详述。

二、“统计报表自动处理系统TJBB”入门

(一)TJBB是构造专用统计系统的快速、有效工具就统计工作而言,各行业、各部门都有自己的统计指标体系和相应的分组体系,从而形成了各自不同的统计系统。各种不同形式的报表既是统计工作处理的主要对象,又体现了统计工作的最后成果。所以,各统计部门都根据自己的需要,制定一整套的统计报表制度。由于形势的变化和不同的需求,统计的内容、指标和报表的式样经常会发生变化。这样,一些专用的计算机统计系统就很难适应这些变化,给统计人员带来了不方便。如果要适应这些变化,就得修改程序,又给程序员带来了不方便。

以改变上述的两个“不方便”为目的而设计、开发的“统计报表自动处理系统TJBB”,是直接面向最终用户——统计工作人员的。各专业的统计人员根据自己的需要,应用TJBB可以建立、修改、使用自己专业专用的统计指标、统计数据库和统计报表,从而形成本专业专用的计算机统计系统。

TJBB的最大特点是:按照统计人员的描述,可以自动的建立统一的数据库和形成各种不同式样的报表。所有这些工作,不需要编制任何程序。可以说TJBB为广大统计人员直接参与设计、开发实用、高效的计算机专用统计系统,充分发挥自己的聪明才智提供了一个广阔的舞台。

用TJBB建立起来的专用统计系统的结构如图6-10。

图6-10 TJBB支持的专用统计系统结构

(二)TJBB的统计报表、标志编码库和统计数据库

1.TJBB的统计报表 TJBB处理的主要对象是统计报表。一旦专用的统计系统建立起来后,大量的工作就是对统计报表进行各种操作。TJBB中的统计报表的含意不只是一张张独立的表格,而是指为某种统计分析的需要而制发的表现统计原始资料或整理汇总结果的一组统计表。例如每年上级机关向下级各部门颁发的年报表。

(1)报表结构 如图6-11所示.TJBB的统计表由总标题、横行标题、纵栏标题、页标题以及数据几部分组成。

图6-11 TJBB的统计报表结构

总标题:不仅指报表名称,而是包括表头表尾中的所有文字。例如图6-11中的“填报人”“日期”等,还可以有其他说明,如页码等。

横行标题和纵栏标题:可分别由一种或多种分组标志或统计指标平行或复合构成。纵栏较多时,为便于阅读,通常附加纵栏序号。

页和页标题:TJBB所处理的统计报表是自上而下颁发,然后自下而上填报的一组统计表。因此,汇总上来的每一种统计表将有多页(通常每个填报单位为一页)。每一页可以有页标题说明,页标题可以是分组标志,例如,填报单位,或统计指标,也可以是它们的复合,例如,年份和填报单位。

综上所述,TJBB中的统计表实际上是一个可以表示多维数据的三维表。如图6-12所示。

(2)数据和计算公式 TJBB报表中的数据,有一部分为原始数据,另一部分是根据某种计算公式由原始数据计算产生的。例如图6-11例表1中的“1.病害小计”、“2.虫害小计”和“水稻病虫合计”都是其他一些行的和。

TJBB中的计算公式有行公式、列公式和页公式。TJBB提供了原始数据录入、修改以及根据已定义公式对表中数据进行计算或验算的功能。

(3)表间配平关系 在一组统计表中,某个表中的某些数据可能与另一个表中的某些数据有关。例如农计(农植)1表中的“病虫害”的“发生面积”应该等于10表中的“受灾面积”,1表中的“病害小计”(或“虫害小计”)等于1-1表至1-14表中“病害小计”(或“虫害小计”)的和(见附录1-8)。这种关系我们称为表间配平关系。TJBB可以保证这种表间平衡关系。

(4)页运算(累计等) TJBB提供了同种表多页间连加、连乘以及两页间的各种算术运算。例如:“全国”=“各省市”数据的累加(形成俗称的“穿刺表”,如图6-12所示)。

图6-12 TJBB的统计报表结构三维图

(5)统计报表汇总 在TJBB中,从本部门统计报表中提取需要上报的报表数据称为报表数据提取。将下级单位填报的由上级机关统一制发的统计报表中的数据汇集在一起,称为报表数据汇集。统计报表汇总是通过下级单位数据的提取和上级机关数据的汇集两步实现的。

2.标志编码和编码库 为了统计信息的规范化、标准化和便于计算机处理,对于统计报表中出现的每一种总体单位、分组标志或指标的名称必须一一进行编码,我们统称为标志编码。例如图6-16所示的四种编码一览表。有些名称需要注明计量单位或附加其他说明,这些应该与名称列在一起,例如图6-16中的各种指标编码表。

一种或若干种标志的名称编码一览表构成标志编码库。TJBB提供了建立以及管理各种标志编码库的功能。

3.统计数据库 TJBB中的一个统计数据库可以看成是一组相关的统计表的集合。数据库的逻辑结构与构成这组统计表的指标体系和分组体系相对应,用户只需指定与这组报表有关的全部标志或指标编码库,即可建立统计数据库。数据库中的数据就是由这组标志或指标所限定的全部指标数值。TJBB允许建立多个统计数据库。

4.统计报表与统计数据库的关系 TJBB的统计报表是TJBB统计数据库的直观表示。统计报表中的数据被页标题、横行标题和纵栏标题所限定。这些标题的各标志(或指标)名称的组合唯一地决定了统计数据库中的数据,当各标志改变位置构成另一个统计表时,这个表中的数据与某些原有表中的数据可能是同样的。因此,在TJBB的统计报表中,出现在不同表格中的同一数据只需在一个表中录入计算,其他可从统计数据库中自动检索出来填入报表中。这实际上保证了不同报表中相关数据的一致性,也代替了某些统计资料的整理和汇总工作。

例如我们从农计(农植)1-15表录入数据并计算之后,其中“农田草害合计”和“农田鼠害合计”两行的数据会自动出现在农计(农植)1表的相应行中。

水稻病虫发生、防治面积及挽回损失

1992年 水稻病虫合计 例表2

图6-13 “水稻病虫合计”过录表

图6-14 水稻病虫各统计项目过录表

如果我们定义了如下形式的过录表,那么原表中的数据就会自动出现在过录表中。

(三)如何建立自己的统计报表系统 使用TJBB建立专用统计报表系统的步骤如图6-15所示:

图6-15 建立专用统计报表系统的步骤

下面以建立“全国植物保护总站统计系统”为例,简要介绍各步操作。

1.建立标志和指标编码库 在TJBB报表中所用到的各种统计指标或分组标志名称必须事先编码,建立编码库,纳入TJBB的统一管理。观察《植物保护专业统计年度报表》中的全部报表,其中横行、纵栏和页标题中出现的各类名称可归纳为八个编码库。

建立标志编码库分三步完成,首先选择菜单1.1项“建立标志编码库”,然后只需在屏幕上按表填空即可。

(1)填编码库说明 选择菜单1.1项后,屏幕上出现:

图6-16 编码库建立填空窗口

如果要建立填报单位编码库ZBCODE01,填写内容如图6-17:

其中“文件名”和“名称个数”必须填入。存储方式可选四种:空格分隔定长、逗号或反斜线分隔变长ASCII文件以及DBASE库文件。可键入空格、逗号、反斜线或字母d来选择相应的方式。其中‘\’分隔为省缺方式。

图6-17 建立填报单位编码库填写实例

(2)定义编码库结构 以上项目填好后,按F10键屏幕上将出现如图6-18,编码库结构定义表。

图6-18 编码库结构定义表

填报单位编码库ZBCODE01的结构应按图6-19所示填写。

标志编码库结构 编码文件名:ZBCODE01 标志说明:填报单位

图6-19 填报单位编码库结构定义

与DBASE建库类似,须填写编码库中每个字段的“名称”、“长度”等。

编码库一般只包含编码和名称两个字段,某些需要注明计量单位或附加其他项目的指标(或标志)就要用到辅助字段。例如编码库ZBCODE02的结构如图6-20所示。

图6-20 各种指标编码库结构定义

(3)录入、修改编码和名称 编码库结构定义好退出之后,新定义的编码库将出现在TJBB编码库目录中,选择菜单1.3项“增改删标志编码”,在所显示的编码库目录中选择一个,例如选择ZBCODE01,按F10键即可进入如图6-21所示的编码表录入修改屏幕了。

图6-21 填报单位编码表录入修改屏幕

在“全国植物保护总站统计系统”基础上建立本省(市)统计系统,主要工作是修改这个填报单位编码库ZBCODE01,选择菜单1.3项“增改删标志编码”,进入编码库目录后,应首先根据本省(市)区县个数修改“最大词量”,然后再进入编码表录入修改屏幕。

2.建立统计数据库 一个统计系统可以建立多个统计数据库。建库时只需填一个表,指明与该库相联系的编码库即可,一个数据库最多可与8个编码库相联系。

选择菜单1.5项“建立统计数据库”,屏幕将出现如图6-22所示。

图6-22 建立统计数据库填空窗口

主要填写“缩写”,“说明”,“有关标志编码库”的个数和文件名。例如建立“全国植物保护总站统计系统”Z1数据库填写如图6-23所示。

图6-23 建立“全国植物保护总站统计系统”Z1数据库填写内容

3.定义报表 通过交互式填空或填表描述报表结构、纵栏标题、横行标题、页标题、总标题、计算公式和配平关系等,可生成各种二维或三维统计报表。

(1)定义报表名称 选择菜单2.1项“增改报表描述”后,屏幕上将出现报表目录,为定义农计(农植)1表,我们应填写表号、简称和报表名称如图6-24所示。报表目录

图6-24 “增改报表描述”的报表目录窗口

(2)报表结构描述 在报表目录中将光标移至“结构描述”栏中按F10键,屏幕出现如图6-25结构描述表。

图6-25 结构描述窗口(农计(农植)1表)

必需填写位置栏以指定各项标志、指标在表中位于纵,横,页标题中哪一个位置上。填写方法如图6-25屏幕提示所述。其中第一个符号分别表示纵(X)、横(A,B…)和页(&)三种位置,第二个数字表示同一位置上各标志或指标的复合顺序。宽度栏中已有省缺值,可根据需要修改。

表一的结构描述填写如图6-26(其中横行标题由编码ZB CODE04和ZBCODE03复合而成)。

图6-26 农计(农植)1表的结构描述

一种统计表不一定涉及结构描述窗口中所显示的全部标志或辅助项目。不在表中使用的其位置栏可为空。例如农计(农植)2表中“病虫草鼠名称”编码的位置码为空,如图6-27所示。

报表名称:农作物病虫主要防治措施

图6-27 农计(农植)2表的结构描述

(3)纵栏标题描述 在报表目录中将光标移至所描述表的“纵栏”格中按F10键,屏幕将出现如下式样的纵栏描述空表。适当填写纵栏描述表中编码、名称、层号、宽度等各项,不需画线,即可自动生成具有多层次纵栏标题的复杂表格。这也是TJBB的突出特点之一,是一般流行的国外汉化软件都不能办到的。

图6-28是农计(农植)1表的纵栏描述所填内容。

注:层号:纵栏标题的层次(范围1至9),宽度:该栏数据位数,小数:小数位数计算公式:由#序号、数值和+,一,*,/,++,* * 以及0组成,可用=,>,>=,<,<=开头光标在编码栏:F1看编码表F8复制编码Alt_I,Alt_D,Alt_P插删补行Esc退出

图6-28 农计(农植)1表的纵栏描述屏幕

在纵栏描述之后,屏幕上会给出表头式样(图6-29),如果美观程度不能令人满意,可继续修改描述,直到对表头式样满意为止。

图6-29 农计(农植)1表的表头式样

纵栏标题通常是层次结构,简单表只有一层,复杂的表可有多层,如图6-30所示(小圆圈中为层号)。

图6-30 多层嵌套纵栏标题层号

纵栏标题中出现的所有标志名称及相应编码应按层次结构从左至右从上至下的顺序填入编码和名称栏。例如图6-30所示的纵栏标题,应按N1至N13的顺序填写。

实际上,我们只需在编码栏键入编码,系统会自动将编码库中对应的名称(包括所需要的计量单位等辅助项目)在名称栏显示出来。如果认为文字不妥,还可直接修改。

层号栏应填写各标志(或指标)名称在纵栏标题中的层号。层号范围是1至9。

宽度和小数是指某栏数据的宽度和小数位数。不是最底层的纵栏标题,不直接对应数据,不需要规定宽度。

如果纵栏标题文字太长,使得栏目太宽,我们可在文字中间加分号,纵栏标题生成时会自动从分号处分行,例如图6-28、6-29所示农计(农植)1表的纵栏描述和表头样式。

图6-31是农计(农植)2表的纵栏描述和表头样式。

图6-31 农计(农植)2表的纵栏描述

在纵栏描述中的“计算公式”栏可定义列公式。列公式由纵栏序号、数值、+(加)、-(减)、*(乘)、/(除)、++(连加)、* *(连乘)以及括号组成。其中纵栏序号是以#号打头的整数,例如图6-32所示农计(农植)2表的纵栏描述中第5栏公式的意思是:

第5栏公式:# 6+# 7+# 8 表示第5栏等于第6、7、8三栏之和。

由于有些栏的数据是由列公式计算出来的或由其它表转来的,不需要人工录入或修改,因此这样的栏目最好能由系统负责禁止任何人工录入修改,以保证数据的正确性和一致性。我们只要在这些栏目的“读写”栏填入‘n’,这一栏所对应的数据就被保护起来。例如图6-32所示农计(农植)2表的第5栏。

图6-32 农计(农植)2表的表头样式

(4)横行标题描述

在报表目录中,将光标移至所描述表的“横行”栏中,按F10键,这时屏幕将出现如图6-33式样的横行描述空表。农计(农植)2表的横行描述填写如图6-33。

层号:名称的层次序号 Alt_I,Alt_D,Alt_P插删补行 PgUp,PgDn翻屏Esc

退出光标在层号栏:F1查改层次序号,光标在编码栏:F1看编码表F8复制编码计算

公式:由#序号、数值、函数和+,-,*,/,++,* *,=,>,>=,<,<=以及0组成

图6-33 农计(农植)2表的“横行描述”屏幕

与纵栏标题描述类似,通常只需在编码栏键入编码,系统会自动将编码库中对应的名称(包括所需要的计量单位等辅助项目)放入名称栏(以及有关栏)。如果认为文字不妥,还可直接修改。复合横行标题中出现的所有标志名称及相应编码应按复合顺序依次填入编码和名称栏。例如图6-34、6-35所示农计(农植)1表和农计(农植)1-1表的“横行描述”。

图6-34 农计(农植)1表的“横行描述”

图6-35 农计(农植)1-1表的“横行描述”屏幕

在横行描述中的“计算公式”栏可定义行公式。行公式与列公式写法相同(参见前面纵栏描述),只是把其中栏号理解为行号即可。例如图6-34所示农计(农植)1-1表的第1行“水稻病虫合计”的行公式“#2+#8[5]”表示第2和第8行相加,[5]表示此公式不适用于第5栏(“发生程度”),第2行“病害小计”的行公式“#3+#5+ +#7”表示第5至7行连加再加第3行,第8行“虫害小计”的行公式“#9+ +#16-#13”表示第9至16行连加再减第13行。

另外,农计(农植)1表至1-15表中各种“小计”、“合计”、“总计”的“发生程度”计算用到了函数(函数用法详见TJBB用户手册)。

与纵栏修改保护类似,这里可以指定对报表中某一行进行人工录入修改保护,这只需在横行描述中该行的“读写”栏填入‘n’即可,如图6-34所示农计(农植)1表中的所有行(其数据由其它表转来)以及图6-36所示农计(农植)1-1表中的第1、2和8行。

Alt I,Alt D,Alt P插删补行 F7编页码 F8复制编码 F1看编码表(光标在编码栏) F2填改公式(光标在公式栏)

图6-36 农计(农植)1表的“页标题”描述屏幕

(5)页标题描述 在报表目录中,将光标移至所描述表的“表页”栏中,按F10键,这时屏幕将出现如下式样的页标题描述空表。农计(农植)1表的页标题描述填写如图6-36所示,它是“年份”和“填报单位”的复合。

报表名称:主要农作物病虫草鼠发生防治面积及挽回损失

页标题一览表(Esc退出)

与纵栏或横行标题类似,在页标题中出现的所有标志名称及相应编码应按复合顺序依次填入编码和名称栏。填写时只需在编码栏键入编码,系统会自动将编码库中对应的名称放入名称栏。如果认为文字不妥,还可直接修改。

页码可以理解为通常的页号,由3个数字或字母组成。页码可随意编排。

如果某页中的数据是由其他页计算而来,那么我们应该在该页的“计算公式”栏定义页公式。例如我们现在定义农计(农植)1表页标题为“全国”的那一页的页公式。当光标移到第1行计算公式栏时,屏幕下方会出现如下所示的填空窗口:

由图6-37可以看出页公式格式为页码1和页码2中间夹一个运算符。

图6-37 农计(农植)1表第000页的页公式定义窗口

报表一“全国”那一页应是其他各页之和。因此我们填写如下:

图6-38 农计(农植)1表第000页的页公式定义

运算符可以是+,一,*,/,+ +(连加)和* *(连乘)。填好后页公式会自动放入该页计算公式栏中(如图6-35所示)。

(6)总标题描述 在报表目录中,将光标移至所描述表的“总标题”栏中,按F10键,这时屏幕将出现如下式样的总标题描述空表。农计(农植)1表的总标题描述填写如图6-39。

注:表头表尾:1.头(表头) 2.尾(表尾);位置:1.居左 2.右中 3.居右

特殊文字:&1、&2…代表页标题;数字后面用下划线 填满宽度。

#Y年#M月#D日#P页号Alt_I,Alt_D,Alt_P插删补行 Esc退出

图6-39 农计(农植)1表的总标题描述屏幕

在这个描述中我们可以安排将在表头表尾出现的所有文字的内容和格式(位置)。“头尾”、“行号”和“左中右”三栏决定了右边“文字”栏中所填文字在报表中的位置。填写方法如图6-39屏幕提示所述。

符号&1_、&2_…表示页标题名称。某页报表显示或打印时,将被该页实际页标题名称取代(按下划线宽度截取页标题名称)。

符号#Y、#M、#D和#P分别指定了报表打印时的年、月、日以及页号在表头或表尾中出现的位置。报表打印输出时,这些符号将被实际年月日和页号替换。

经过上述(1)至(6)的定义描述之后,一个新表便被建立并可以使用了。以上(2)至(6)操作同样适用于报表描述修改。

我们可以按类似方法定义其他报表。比较《植物保护专业统计年度报表》中的报表,可以发现其中有许多部分是同样的,例如农计(农植)1-1表至农计(农植)1-14表的纵栏标题都相同,所有报表的页标题也都相同。用下述方法可简化这些报表的描述操作。

(7)利用已有报表描述建立新报表 在一组报表中,可能有些报表的结构是相同的,也可能某一张报表的某一部分与另一张表的相应部分相同或相似。对于这样的报表,我们不用象前述建立新表那样每个部分都从头描述,只需指出要建的新表的某一部分与哪一张表的相应部分一样即可。这是利用描述号来实现的。

当我们分别对结构、纵栏、横行、表页和总标题进行描述后,退回到报表目录时,在所定义的报表那行的各项描述栏系统会自动填入一个描述号,如图6-40所示(描述号为10)。

图6-40 农计(农植)1表各部分描述完成后的报表目录

系统自动填入的描述号都等于该表的表号。实际上,这个描述号不一定全由系统给定,还可以由用户填写。当我们建立一个新表,准备描述它的某一部分时,应先查看一下报表目录中已有的表,看看要描述的部分是否与已有某个表的相应部分相同。如果没有,那我们按F10直接进入该项描述即可。如果有,我们可以把那个表相应部分的描述号填入这个新建表行的相应小格中,这就指定了新建表的某部分与已有某个表的相应部分相同,不必再按F10进入具体描述。如果你要描述的部分与某个已有表格的相应部分相似,也可先认为它们相同,按上述方法填写描述号,然后按F10进入该部分的描述窗口,这样可在已有描述基础上进行修改。

例如农计(农植)1表与农计(农植)1-1表的结构和页标题相同,纵栏标题和总标题类似。建立农计(农植)1-1表时,我们可在报表描述目录中按图6-41所示填写,然后进入横行描述建立新的横行标题(见图6-34)以及进入纵栏描述和总标题描述修改即可。

图6-41 利用农计(农植)1表的各部分描述建立农计(农植)1-1表

农计(农植)1-2表至农计(农植)1-14表与农计(农植)1-1表只是横行标题和总标题不同,用上述方法可以快速建立它们。图6-42是1表、1-1表和1-2表定义完成后的报表描述目录。

图6-42 数据库Z1部分报表定义完成后的报表描述目录

(8)表间配平关系 表间配平关系主要有以下两种情况。

①不同报表中的同一对象。例如农计(农植)1表中“农田草害合计”与农计(农植)1-15表中的“农田草害合计”是同一对象,“农田鼠害合计”也是如此。为保证两表的一致,定义报表时,同一对象应使用同样编码。农计(农植)1表和1-15表的横行标题描述的“农田草害合计”和“农田鼠害合计”都使用编码“0060”和“0080”。这样可以保证从1-15表录入计算的这个合计自动出现在农计(农植)1表中。

表1到表10

图6-43 10表“受灾面积”的辅助计算表(GB)

农计(农植)1表中“病虫害合计”的“发生面积”与10表中的“受灾面积”也具有同样含意,只是名称不同。我们可以使用同一编码保证它们的相等关系,也可以另外建立一个辅助计算表来保证它们的一致性。例如下图所示辅助计算表,该表第2栏是农计(农植)1表的“病虫害合计”的“发生面积”,第1栏是10表的“受灾面积”。该表第1栏定义了公式“#2”,计算后,第2栏被复制到第1栏。

②表间运算关系。例如农计(农植)1表中的“病害小计”(或“虫害小计”)等于1-1表至1-14表中“病害小计”(或“虫害小计”)的和。我们定义一个辅助计算表C1,该表含有“发生面积”和“防治面积”两栏,横行标题及其计算公式如图6-44所示。

图6-44 农计(农植)1表辅助计算表(C1)的横行描述

通过计算,1-1表1-14表中“发生面积”和“防治面积”两栏的“病害小计”和“虫害小计”就被加到1表中。

(9)定义过录表 过录表的数据从数据录入表转来,它的形式通常是把数据录入表的页标题变为过录表的横行标题,而录入表的横行标题变为过录表的页标题,因此定义过录表只需修改数据录入表的页标题和横行标题即可。图6-45是数据库Z2中农计(农植)6表、7表的过录表定义之后的报表描述目录以及农计(农植)7表的过录表(G7)的横行描述和页标题描述。

报表目录

图6-45 农计(农植)6表和7表及其过录表定义之后的报表描述目录

因为过录表中的数据是从数据录入表转来,所以在报表描述目录中“允许修改”栏填了‘n’,使整个表中的数据受到保护。

因为过录表中的数据是从数据录入表转来,所以在报表描述目录中“允许修改”栏填‘n’,使整个表中的数据受到保护。

图6-46 农计(农植)7表的过录表的横行描述页标题一览表(Esc退出)

图6-47 农计(农植)7表的过录表的页标题描述

(四)如何把“全国植物保护总站统计系统”改造为本省(市)植保统计系统 把“全国植物保护总站统计系统”改造为适用本省(市)的统计系统是很方便的,主要工作是下述的第1步,其余两步可根据需要进行。

1.修改填报单位

(1)将“填报单位”编码库(ZBCODB01)中的单位改为本省(市)所属的填报单位(如地、市、盟或县、市、区、旗)。如果填报单位较多,原设置最大编码名称个数不够,应先修改编码库目录中的这个最大值(在“编码和数据库”子菜单中选择“增改删标志编码”后出现的编码库目录)。

(2)修改数据录入表的页标题 将数据录入表的页标题描述全改为本省(市)各填报单位的代码和名称。如果填报单位较多,应先修改报表描述录中的“最大段页”数(其省缺值为50)。

(3)修改过录表的横行标题 通常过录表的横行标题为“填报单位”,因此也应将它们改为本省(市)的各具体填报单位。

2.修改部分报表内容 如果本省(市)报表中有新增减项目,一般应进行如下三步操作。

(1)增加编码 如果报表中新增一些项目,首先要设计它们的编码并加到有关编码库中,注意新增编码不能与原有编码重复。例如北京市植物保护站农计(农植)1-1表中“二化螟”下面增加“其中:一代”和“二代”,因此我们在ZBCODE03编码库中增加了“0149,其中:一代”和“0150,二代”两条。

(2)增减报表项目 进入要修改的纵栏、横行或(过录表)表页描述进行修改即可。例如图6-48所示,北京市植物保护站农计(农植)1-1表的横行标题,有关的过录表的页标题也应修改。

(3)修改计算公式 因为原全国植物保护总站定义的报表中许多公式与行号有关,如果我们增减一些行,公式也要相应修改。例如北京市植物保护站的1-1表的横行公式改为如图6-48所示(原植物保护总站1-1表的横行公式见图6-35)。

3.增加辅助计算 有些报表修改后使得原全国植物保护总站报表中的一些项目无法直接对应。例如北京市植物保护站的花生病虫害(1-8表)中增加了“(3)棉铃虫”,原“(3)其他”改为“(4)其他”。在全国植物保护总站的报表中的“(4)其他”应等于北京市植物保护站的“(3)棉铃虫“+”(4)其他”。这两个“其他”不应用统一编码。它们的计算关系可附加到报表中(在北京市植物保护站1-8表中增加一行。“其他(全国)”并定义体现上述关系的公式)或单设一个辅助计算表。

图6-48 北京市植物保护站农计(农植)1-1表的横行标题描述

三、编码库内容(编码、名称、单位)

ZBCODE01:

全国植物保护总站:

000000 全国 130000 河北 210000 辽宁

110000 北京 140000 山西 220000 吉林

120000 天津 150000 内蒙古 230000 黑龙江

310000 上海 420000 湖北 540000 西藏

320000 江苏 430000 湖南 610000 陕西

330000 浙江 440000 广东 620000 甘肃

340000 安徽 450000 广西 630000 青海

350000 福建 460000 海南 640000 宁夏

360000 江西 510000 四川 650000 新疆

370000 山东 520000 贵州 710000 台湾

410000 河南 530000 云南

各省(市、自治区)植保站用自己本省市编码。

例如:北京市植保站“填报单位编码为”:

110000 北京

110101 东城区

110102 西城区

110103 崇文区

110104 宣武区

110105 朝阳区

110106 丰台区

110107 石景山区

110108 海淀区

110109 门头沟区

110111 房山区

110221 昌平县

110222 顺义县

110223 通县

110224 大兴县

110226 平谷县

110227 怀柔县

110228 密云县

110229 延庆县

ZBCODE02:

001,受灾面积,(万亩)

002,成灾面积,(万亩)

003,绝收面积,(万亩)

101,发生面积,(万亩次)

102,防治面积,(万亩次)

103,挽回粮食损失,(吨)

104,实际粮食损失,(吨)

105,挽回损失,(吨)

106,实际损失,(吨)

107,发生程度

211,播种面积,(万亩次)

220,化学防治面积,(万亩次)

221,合计(化学防治面积),(万亩次)

222,种子处理,(万亩次)

223,土壤处理,(万亩次)

230,生物防治面积,(万亩次)

231,合计(生物防治面积),(万亩次)

232,人工饲放,(万亩次)

233,微生物制剂,(万亩次)

234,治病,(万亩次)

235,治虫,(万亩次)

241,天敌保护利用面积,(万亩次)

251,综防示范面积,(万亩次)

610,发生范围,(个)

612,县(发生范围),(个)

613,乡(镇)(发生范围),(个)

621,调查面积,(亩)

630,发生面积,(亩)

631,合计(发生面积),(亩)

632,零星发生,(亩)

633,轻发生,(亩)

634,重发生,(亩)

640,疫区范围

642,县(疫区范围),(个)

643,乡(镇)(疫区范围),(个)

641,面积(疫区范围),(亩)

650,防除情况,(亩)

652,药治面积,(亩)

653,其他措施,(亩)

710,产地检疫

711,面积(产地检疫),(亩)

712,签证合格数量,(株)

713,按规程生产面积,(亩)

720,省间调运检疫

730,调出

731,批次(调出)

732,数量(调出)

740,调入

741,批次(调入)

742,数量(调入)

750,国外引种

751,批次(国外引种)

752,数量(国外引种)

760,违章处理批次

761,批次(违章处理)

762,数量(违章处理)

ZBCODE03:

0000,病虫草鼠总计

0010,一、病虫害合计

0020,(一)病害小计

0040,(二)虫害小计

0060,二、农田草害合计

0080,三、农田鼠害合计

0110,水稻病虫合计

0120,1.病害小计

0121,(1)稻瘟病

0122,其中:穗颈瘟

0123,(2)纹枯病

0124,(3)白叶枯病

0125,(4)其他

0140,2.虫害小计

0141,(1)二化螟

0142,(2)三化螟

0143,(3)稻纵卷叶螟

0144,(4)稻飞虱

0145,其中:褐稻虱

0146,(5)稻蝗

0147,(6)粘虫

0148,(7)其他

0210,小麦病虫合计

0220,1.病害小计

0221,(1)锈病

0222,其中:条锈病

0223,(2)赤霉病

0224,(3)白粉病

0225,(4)纹枯病

0226,(5)黑穗病

0227,(6)病毒病

0228,(7)其他

0240,2.虫害小计

0241,(1)麦蚜

0242,(2)麦蜘蛛

0243,(3)小麦吸浆虫

0244,(4)粘虫

0245,(5)地下害虫

0246,(6)土蝗

0247,(7)其他

0310,玉米病虫合计

0320,1.病害小计

0321,(1)丝黑穗病

0322,(2)大小斑病

0323,(3)其他

0340,2.虫害小计

0341,(1)玉米螟

0342,(2)土蝗

0343,(3)粘虫

0344,(4)地下害虫

0345,(5)其他

0410,大豆病虫合计

0420,1.病害小计

0440,2.虫害小计

0441,(1)大豆蚜

0442,(2)大豆食心虫

0443,(3)地下害虫

0444,(4)草地螟

0445,(5)土蝗

0446,(6)其他

0510,其他粮作病虫合计

0520,1.病害小计

0540,2.虫害小计

0541,(1)高粱蚜虫

0542,(2)粟灰螟

0543,(3)土蝗

0544,(4)粘虫

0545,(5)地下害虫

0546,(6)草地螟

0547,(7)其他

0610,棉花病虫合计

0620,1.病害小计

0621,(1)棉花苗病

0622,(2)棉花铃病

0623,(3)其他

0640,2.虫害小计

0641,(1)棉蚜

0642,(2)棉铃虫

0643,(3)棉红铃虫

0644,(4)棉红蜘蛛

0645,(5)棉盲椿象

0646,(6)其他

0710,油菜病虫小计

0720,1.病害小计

0721,(1)油菜菌核病

0722,(2)油菜病毒病

0723,(3)其他

0740,2.虫害小计

0741,(1)油菜蚜虫

0742,(2)地下害虫

0743,(3)其他

0810,花生病虫小计

0820,1.病害小计

0821,(1)花生病毒病

0822,(2)花生线虫病

0823,(3)其他

0840,2.虫害小计

0841,(1)花生蚜虫

0842,(2)地下害虫

0843,(3)其他

0910,其它油料病虫小计

0920,1.病害小计

0940,2.虫害小计

1010,苹果病虫合计

1020,1.病害小计

1021,(1)苹果腐烂病

1022,(2)其他

1040,2.虫害小计

1041,(1)苹果叶螨

1042,(2)苹果食心虫

1043,(3)其他

1110,柑桔病虫小计

1120,1.病害小计

1140,2.虫害小计

1141,(1)柑桔叶螨

1142,(2)柑桔锈病

1143,(3)柑桔蚧类

1144,(4)柑桔潜叶蛾

1145,(5)其他

1210,其他果树病虫

1220,1.病害小计

1240,2.虫害小计

1310,蔬菜病虫合计

1320,1.病害小计

1321,(1)黄瓜霜霉病

1322,(2)黄瓜炭疽病

1323,(3)番茄疫病

1324,(4)番茄病毒病

1325,(5)白菜病毒病

1326,(6)白菜霜霉病

1327,(7)白菜软腐病

1328,(8)瓜类枯萎病

1329,(9)瓜类炭疽病

1330,(10)其他

1340,2.虫害小计

1341,(1)菜蚜

1342,(2)菜青虫

1343,(3)小菜蛾

1344,(4)其他

1410,其他经作病虫合计

1420,1.病害小计

1421,(1)甜菜褐斑病

1422,(2)烟黑胫病

1423,(3)其他

1440,2.虫害小计

1441,(1)甘蔗螟

1442,(2)甜菜象甲

1443,(3)烟青虫

1444,(4)烟蚜

1445,(5)茶小绿叶蝉

1446,(6)草地螟

1447,(7)地下害虫

1448,(8)其他

1940,一、飞蝗合计

1941,其中:夏蝗

0160,(一)水稻田杂草

1860,(二)旱田杂草

0260,1.麦田杂草

0360,2.玉米田杂草

0460,3.大豆田杂草

1760,4.油料田杂草

1360,5.菜田杂草

2060,6.其他田杂草

2000,总计

2100,一、全国检疫对像合计

2101,(一)水稻细菌性条斑病

2102,(二)小麦一号病

2103,(三)小麦黑森瘿蚊

2104,(四)毒麦

2105,(五)谷斑皮蠹

2106,(六)甘薯瘟病

2107,(七)马铃薯癌肿病

2108,(八)棉花枯黄萎病

2109,(九)苹果蠹蛾

2110,(十)苹果绵蚜

2111,(十一)柑桔黄龙病

2112,(十二)柑桔溃疡病

2113,(十三)柑桔大实蝇

2114,(十四)葡萄根瘤蚜

2115,(十五)美国白蛾

2200,二、地方检疫对像合计

2201,(一)水稻白叶枯病

2202,(二)稻粒黑粉病

2203,(三)水稻干尖线虫病

2204,(四)小麦全蚀病

2205,(五)小麦腥黑穗病

2206,(六)小麦线虫病

2207,(七)甘薯茎线虫病

2208,(八)甘薯根结线虫病

2209,(九)甘薯小象甲

2210,(十)花生线虫病

2211,(十一)豌豆象

2212,(十二)向日葵列当

2213,(十三)苹果锈果病

2214,(十四)苹果小几丁虫

2215,(十五)香蕉束顶病

2216,(十六)香蕉枯萎病

2217,(十七)香蕉花叶心腐病

2218,(十八)桑萎缩病

2219,(十九)桑细菌性青枯病

2220,(二十)苜蓿籽蜂

2221,(二十一)大豆菟丝子

2222,(二十二)沙打旺菟丝子

2223,(二十三)野燕麦

2300,三、新发生检疫对像合计

2301,(一)稻水象甲

2302,(二)向日葵霜霉病

2303,(三)黄瓜黑星病

2304,(四)香蕉穿孔线虫病

2305,(五)梨眼天牛

2306,(六)假高粱

2307,(七)蚕豆菟丝子

ZBCODE04:

00,总计

01,水稻

02,小麦

03,玉米

04,大豆

05,其他粮作

06,棉花

07,油菜

08,花生

09,其他油料

10,苹果

11,柑桔

12,其他果树

13,蔬菜

14,其他经作

15,果树

16,甘蔗

17,油料

18,旱田作物

20,其他作物

30,种子合计

31,水稻种子

32,小麦种子

33,玉米种子

34,谷子种子

35,大豆种子

36,马铃薯种子

37,甘薯种子

38,棉花种子

39,蔬菜种子

40,柑桔种子

41,苹果种子

42,其他种子

50,苗木合计

51,苹果苗木

52,柑桔苗木

53,梨苗木

54,香蕉苗木

55,甘薯苗木

56,蔬菜苗木

57,其他苗木

60,植物产品合计

ZBCODE05:

90 1990年

91 1991年

92 1992年

ZBCODE06:

000,总计(农药)

100,一、杀菌剂合计

101,(一)三环唑

102,(二)多菌灵

103,(三)甲基托布津

104,(四)百菌清

105,(五)硫酸铜

106,(六)异稻瘟净

107,(七)稻瘟净

108,(八)粉锈宁

109,(九)叶青双

110,(十)甲霜灵

111,(十一)代森锰锌

112,(十二)其他

200,二、杀虫剂合计

201,(一)敌百虫

202,(二)甲胺磷

203,(三)敌敌畏

204,(四)乐果

205,(五)氧化乐果

206,(六)甲基一六〇五

207,(七)乙基一六〇五

208,(八)呋喃丹

209,(九)速灭威

210,(十)混灭威

211,(十一)叶蝉散

212,(十二)水胺硫磷

213,(十三)菊酯类

214,(十四)杀螟松

215,(十五)甲基异柳磷

216,(十六)久效磷

217,(十七)三氯杀螨醇

218,(十八)辛硫磷

219,(十九)其他

300,三、除草剂合计

301,(一)2.4-D丁酯

302,(二)灭草丹

303,(三)丁草胺

304,(四)除草醚

305,(五)二甲四氯

306,(六)敌稗

307,(七)绿麦隆

308,(八)阿特拉津

309,(九)扑草净

310,(十)西草净

311,(十一)苯达松

312,(十二)草甘膦

313,(十三)其他

400,四、杀鼠剂合计

500,五、生物农药合计

501,(一)BT乳剂

502,(二)井岗霉素

503,(三)其他

600,六、其他类型药剂合计

700,中毒人数

701,其中:死亡人数

800,总计(药械)

810,手动施药药械

820,背负式机动药械

830,担架式机动药械

840,拖拉机悬挂牵引药械

850,手持电动药械

ZBCODE07:

301,销售量,(吨)

302,年底库存量,(吨)

411,年底社会保有量,台(架)

420,当年供应量,台(架)

421,合计(当年供应量),台(架)

422,农资部门,台(架)

423,农业部门,台(架)

501,农药中毒合计,人

502,生产性,人

503,非生产性,人

801,总人数,

812,技术干部,

813,行政干部,

814,工人,

815,长期临时工,

820,学历,

822,本科以上,

823,大专,

824,中专,

825,其他,

830,职称,

832,高级农艺师,

833,农艺师,

834,助理农艺师,

835,技术员,

836,其他(职称),

840,业务分工,

850,测报,

852,专职(测报)

853,兼职(测报),

860,防治,

862,专职(防治),

863,兼职(防治),

870,药械,

872,专职(药械),

873,兼职(药械),

881,检疫,

890,技术培训,

891,植保人员培训,

892,次(植保人员培训),

893,人(植保人员培训),

894,农民培训,

895,次(农民培训),

896,人(农民培训),

910,植保服务组织,

912,植保公司,

913,植物医院,

914,植保专业队,

915,其他(植保服务组织),

920,有偿服务情况,

921,农药,(吨)

922,机动药械,(台)

923,手动药械,(台)

924,经营额,(万元)

925,纯收入,(万元)

926,流动资金,(万元)

931,承包面积,(万亩)

941,咨询服务,(人次)

950,数量

951,(1)隶属行政单位

952,(2)隶属事业单位

ZBCODE08:

00,总计(5)

01,省级

02,地级

03,县级

04,区级

05,乡级

10,总计(3)

随便看

 

离鸟网收录3541549条中英文词条,其功能与新华字典、现代汉语词典、牛津高阶英汉词典等各类中英文词典类似,基本涵盖了全部常用中英文字词句的读音、释义及用法,是语言学习和写作的有利工具。

 

Copyright © 2004-2024 vtrois.com All Rights Reserved
更新时间:2026/4/9 5:35:53