网站首页  词典首页


请输入您要查询的字词:

 

字词 其他电磁继电器
类别 中英文字词句释义及详细解析
释义

其他电磁继电器


1.JT4系列交流电磁式继电器

(1)适用范围:JT4系列交流电磁式继电器,用于交流50Hz或60Hz的自动控制电路中作零电压、过电压、过电流及中间继电器之用。

(2)主要技术参数见表1-104。

表1-104 JT4系列交流电磁式继电器主要技术参数

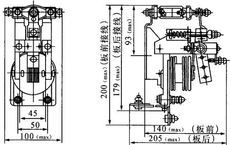
(3)外形及安装尺寸见图1-71。

JT-4□P、JT-4□A型外型及安装尺寸

JT-4□L型板前、板后外型及安装尺寸

图1-71 JT4系列交流电磁式继电器外形及安装尺寸

2.JT18系列直流电磁式通用继电器

(1)适用范围:JT18系列直流电磁式通用继电器,作为时间(断电延时)、电压(中间)、欠电流继电器,主要用于直流电压至440V的主电路,直流电压至220V控制电路,直流电流至630A电路的电路中,作控制与保护用。

(2)主要技术参数如下:

①继电器触头的额定发热电流为10A。

②继电器的工作制主要为八小时工作制和反复短时工作制。反复短时工作制的额定操作频率为1200次/h,额定通电持续率为40%。

③电压继电器的动作性能。冷态时,线圈的吸引电压应该在30%~50%额定工作电压范围内调节,释放电压应能在7%~20%额定工作电压范围内调节,返回系数不作规定。具有两个触头元件的继电器,其吸引电压允许在35%~50%额定工作电压范围内调节。

④时间继电器的动作性能:时间继电器得到延时的方法有两种:

a.将线圈短路(此时电源将串一电阻,以防电源短路)。

b.将线圈断开。当继电器的线圈加以不低于75%的额定工作电压的情况下,用以上两种方法得到的延时范围符合表1-105的规定。

表1-105 延时范围

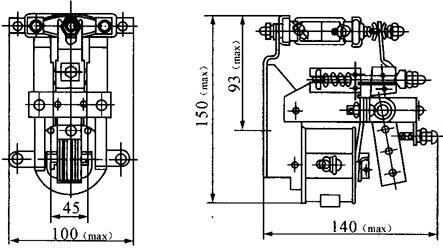
(3)外形及安装尺寸见图1-72和表1-106。

表1-106 JT8系列直流电磁式继电器外形及安装尺寸

a 一组触头元件

b 二组触头元件

图1-72 JT8系列直流电磁式继电器外形及安装尺寸

随便看

 

离鸟网收录3541549条中英文词条,其功能与新华字典、现代汉语词典、牛津高阶英汉词典等各类中英文词典类似,基本涵盖了全部常用中英文字词句的读音、释义及用法,是语言学习和写作的有利工具。

 

Copyright © 2004-2024 vtrois.com All Rights Reserved
更新时间:2026/4/9 12:46:21