网站首页  词典首页


请输入您要查询的字词:

 

字词 冷却系
类别 中英文字词句释义及详细解析
释义

冷却系


(一)冷却系的功用和类型

冷却系的功用是利用冷却介质(水或风)吸收并散发处于高温零件(缸套、缸盖、气门、活塞等)的热量,使柴油机工作温度正常。从而防止零件因过热而导致强度降低甚至烧坏,并防止润滑油因黏度过低而造成零件过早磨损。

冷却系根据冷却介质不同,可分风冷却系和水冷却系;水冷却系根据散热方式又可分为蒸发式和强制循环式两种。小型单缸柴油机采用蒸发式水冷却系;大中型多缸柴油机多采用强制循环式水冷却系。

(二)蒸发式水冷却系

蒸发式水冷却系如图1-51所示。水箱与水套直接相通。在柴油机工作时,水套的水吸收缸套和缸盖传出的热量后,体积膨胀、密度减小,因而上浮,通过蒸发将吸入的热量散发到大气中,水箱上部的水温较低,密度大,因而下降,吸热后又因密度小而上浮进行蒸发散热。因此,蒸发式水冷却系是靠水箱和水套之间水的对流循环,不断地进行蒸发散热。这种冷却系的优点是构造简单,但由于水不断地向外蒸发,所以存在水消耗量较大的缺点。水箱中的浮标是用来指示水箱内冷却水是否充足,如浮标下降到最低位置应及时加水。

图1-51 蒸发式水冷却系

1.缸盖水套 2.缸体水套 3.水箱 4.浮子 5.红色浮子头 6.加水口 7.滤网 8.漏斗

(三)强制循环式水冷却系

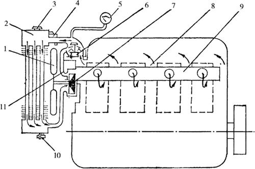
强制循环式水冷却系如图1-52所示。它是依靠冷却水泵产生一定的压力,强制冷却水循环,通过散热器和风扇将吸收的热量散发到大气中,起冷却作用。冷却系中的节温器是控制冷却水的循环方式,循环方式有大循环和小循环两种。如果冷却水温度很低(70℃)时节温器主阀全闭,旁通阀全开,冷却水即进行小循环。

图1-52 强制循环式水冷却系

1.风扇 2.散热器 3.散热器盖 4.溢水管 5.水温表 6.节温器 7.水泵 8.水套 9.配水管 10.放水栓 11.旁通管

如果水温达到正常温度(85℃)时,节温器主阀全开,旁通阀全闭,冷却水即进行大循环。如果水温在70~85℃之间,主阀门和旁通部分开启,因此一部分冷却水进行大循环,也有一部分冷却水只作小循环。

强制循环冷却系的主要部件:

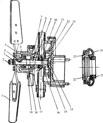
1.水泵和风扇 水泵和风扇的构造如图1-53所示。水泵工作原理如图1-54所示。风扇皮带通过皮带轮和水泵轴带动水泵叶轮旋转,冷却水在离心力的作用下沿叶轮的叶片甩出,叶轮的外缘水压增大并经与叶轮成切线方向的出水管被压入水套;同时,由于叶轮中部的水被甩向边缘,压力降低,所以冷却水由散热器下水管和水泵的进水管流入水泵。只要叶轮不停地旋转,水泵就不断地将冷却水吸入和压出,系统内冷却水就会不断地循环。

图1-53 水泵和风扇

1.风扇总成 2.螺母 3.垫圈 4.半月键 5.挡圈 6.水泵体 7.皮带轮 8.水泵轴 9.甩水圈 10.水封总成 11.叶轮 12.水泵座 13.键 14.螺母 15.垫圈 16.调整垫圈 17.轴承 18.定位套 19.三角皮带 20.水封体 21.塑料环 22.弹簧 23.弹簧座

图1-54 水泵工作原理

1.出水管 2.水泵外壳 3.叶轮 4.进水管

风扇与皮带轮固定在一起,皮带轮旋转,风扇也随之转动。风扇转动时,将散热器前面的空气向后抽吸,空气通过散热器时,将散热器散出的热量迅速带走,起到增强冷却效果的作用。

2.散热器 散热器的构造如图1-55所示。它由上水室、散热器芯和下水室3个主要部分组成。冷却水由上水室经散热器芯到下水室。由于散热器芯是由很多细管和散热片组成,所以冷却水通过散热器芯时,增加了散热面积,起到很好的散热作用。

图1-55 散热器

1.溢水管 2.上水室 3.散热器 4.进水管 5.散热器芯 6.出水管 7.下水室

3.节温器 目前采用的节温器有乙醚式和蜡式两种。乙醚式节温器的构造如图1-56所示。皱纹筒内装有沸点低易蒸发的乙醚,当水温低于70℃时皱纹筒内的蒸汽压力低,皱纹筒向下收缩,通过推杆带动主阀和旁通阀向下运动,使主阀全闭,旁通阀全开,这时,冷却水全部进行小循环;当水温增高时,皱纹筒内的蒸汽压力随水温增高而加大,皱纹筒伸长,带动主阀和旁通阀向上运动,使主阀和旁通阀部分打开,此时冷却水有部分进行小循环,另一部分冷却水进行大循环。当水温超过85℃时,皱纹筒伸长到使主阀全开,旁通阀全闭,此时冷却水全部进行大循环。

图1-56 乙醚式节温器

a.大循环 b.小循环

1.皱纹筒 2.旁通阀 3.推杆 4.壳体 5.主阀门 6.导向板 7.底座 8.旁通孔蜡式节温器的构造如图1-57所示。感应器体与感应器罩构成一个密封空间,内装有胶管,胶管中心插有导杆。胶管与感应器体之间装有熔点低的石蜡和白蜡混合物。当水温低于70℃时,通往散热器的阀门在弹簧的作用下与阀座接触,处于关闭状态,冷却水只能进行小循环。水温超过70℃时,石蜡混合物开始熔化,体积膨胀,使胶管受压变形,导管下部锥面对胶管压力的垂直分力克服弹簧弹力,使感应器体向下移动,打开阀门,有部分冷却水经阀门流入散热器;仍有部分冷却水进行小循环。当水温达到正常工作温度85℃时,阀门全开,则大部分冷却水进行大循环。

图1-57 蜡式节温器

1.弹簧 2.下支架 3.阀门 4.阀座 5.上支架 6.导杆 7.感应器罩 8.密封圈 9.压板 10.感应器体 11.石蜡混合剂 12.胶管

随便看

 

离鸟网收录3541549条中英文词条,其功能与新华字典、现代汉语词典、牛津高阶英汉词典等各类中英文词典类似,基本涵盖了全部常用中英文字词句的读音、释义及用法,是语言学习和写作的有利工具。

 

Copyright © 2004-2024 vtrois.com All Rights Reserved
更新时间:2026/4/9 9:16:20