网站首页  词典首页


请输入您要查询的字词:

 

字词 冷库制冷系统
类别 中英文字词句释义及详细解析
释义

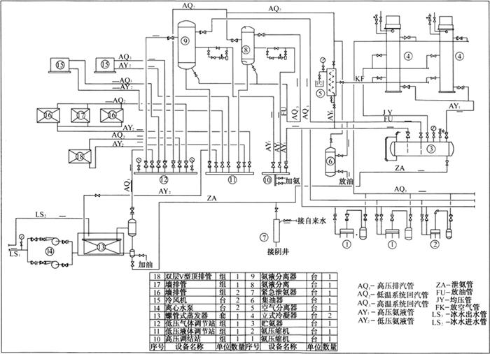
冷库制冷系统


冷库制冷系统包括以下组成部分(以图4-4-15重力供液氨制冷系统为例):

图4-4-15 氨制冷系统图

(1)制冷压缩机组——制冷压缩机、电动机;

(2)制冷辅助设备——冷凝器、空气分离器、集油器、氨油分离器等;

(3)制冷调节控制系统;

(4)制冷剂输送系统——管道、泵、阀门等;

(5)库房内冷却设备——蒸发器。

随便看

 

离鸟网收录3541549条中英文词条,其功能与新华字典、现代汉语词典、牛津高阶英汉词典等各类中英文词典类似,基本涵盖了全部常用中英文字词句的读音、释义及用法,是语言学习和写作的有利工具。

 

Copyright © 2004-2024 vtrois.com All Rights Reserved
更新时间:2026/4/8 3:30:20