网站首页  词典首页


请输入您要查询的字词:

 

字词 切布、切麻机
类别 中英文字词句释义及详细解析
释义

切布、切麻机


将破布、韧皮麻料切短、切碎进行备料,除尘。一般选用刀辊式切布机。

1.切布、切麻机的结构特点

切布机刀辊宽度较小,喂料辊刀辊间距小,其他部位类似刀辊切草机。

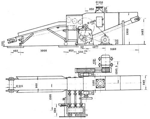
图6-2-18 ZCQ2ZH2刀辊切布机

图6-2-19 ZCQ3ZH1刀辊切布机

切布机可采用两台相互垂直,纵横串联布置,也可选用三台一横二纵串联布置。便于破布的纵切与横切,改善切布效果,提高切布质量。

切麻机基本上与辊式切草机,切竹机相同,但喂料部分为细横条圆辊,便于压送麻类、皮料等长纤维原料避免缠辊。

切布机主要由进料输送、切料和出料输送三部组成。其中进料为刀辊,出料输送为两个独立传动系统,当进料受阻可开倒车退出原料,稍加整理,再行切断。刀辊轴承采用滚动调心轴承和紧定套结构润滑,维修方便。

2.主要技术特征

表6-2-14 刀辊式切布机技术特征

在生产实际使用中尚有一种二刀刀辊式切布机,其主要技术特征见表6-2-15,外形及安装尺寸见图6-2-20。

表6-2-15 二刀刀辊式切布机技术特征

图6-2-20 二刀刀辊式切布机

除此以外,有些厂先用破布纵切机将破布纵切成长条,然后再用刀辊切布机横切成布快。

破布纵切机的结构见图6-2-21。主要由长轴圆刀辊、短轴圆刀辊、长轴导布辊和短轴导布辊等组成。

图6-2-21 破布纵切机

3.切布、切麻机的设备管理与维护

①认真执行切布、切麻机的一、二级保养和中修、大修计划与制度。

切布、切麻机一级保养每隔15~30天保养1次。二级保养每隔3~6个月1次。中修每隔12个月中修1次。大修每隔36个月大修1次。切布、切麻机的设备维修复杂系数ZF=4.5。

②经常检查切布、切麻机刀辊、喂料辊各主要紧固螺丝和轴承等部位。

图6-2-22 四辊羊角除尘器

③检查和维护电器、电机设备,保证性能良好,安全运行。

④检查清理各部传动轴承、油路、润滑点,加足润滑油脂。

⑤定期更换飞刀、底刀、主轴、刀辊以及轴承和严重损坏件。使切布、切麻机整机性能完好,运转正常,安全可靠。

随便看

 

离鸟网收录3541549条中英文词条,其功能与新华字典、现代汉语词典、牛津高阶英汉词典等各类中英文词典类似,基本涵盖了全部常用中英文字词句的读音、释义及用法,是语言学习和写作的有利工具。

 

Copyright © 2004-2024 vtrois.com All Rights Reserved
更新时间:2026/4/8 0:34:41