网站首页  词典首页


请输入您要查询的字词:

 

字词 卡板式校轨尺
类别 中英文字词句释义及详细解析
释义

卡板式校轨尺


卡板式校轨尺采用的是将卡板与标准校轨尺结合的校轨尺,比标准校轨尺更精确,适用于对轨道要求更高的高速电梯校轨中(速度2.0m/s以上)。

卡板式校轨尺包括:卡板、限位板、校轨尺身、刻度板等几部分。

1.卡板

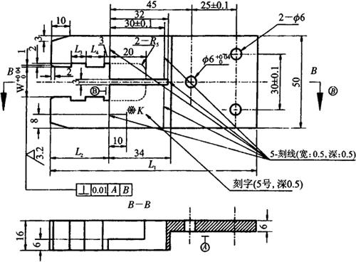
卡板结构如图4.3-8所示。

图4.3-8 卡板式校轨尺卡板结构示意

材料要求:45钢

工艺要求:

(1)去毛刺、锐角。

(2)皮质处理,硬度220~240HB。

(3)整体镀锌。

表4.3-2 卡板式校轨尺卡板尺寸

2.限位板

限位板结构如图4.3-9所示。

图4.3-9 卡板式校轨尺限位板结构示意

材料要求:A3钢板,厚6mm。

工艺要求:

(1)去毛刺、锐角。

(2)整体镀锌。

(3)直角处倒角0.5×45°。

3.校轨尺身

校轨尺身结构如图4.3-10所示。

图4.3-10 卡板式校轨尺尺身结构示意

材料要求:A3钢板,厚2mm。

工艺要求:

(1)去毛刺、锐角。

(2)除锈、喷防锈漆、灰漆,或整体镀锌。

(3)RG为标准导轨距,根据实际尺寸设计。

(4)*为标称轨距的数值。

4.刻度板

刻度板如图4.3-11所示,可以直接用市场购买的150mm直钢板尺截取制作。

图4.3-11 卡板式校轨尺刻度板示意

卡板式校轨尺整体装配如图4.3-12所示。

图4.3-12 卡板式校轨尺整体装配示意

表4.3-3 卡板式校轨尺零部件表

工艺要求:

(1)装配时应保证A、B、C三点成一直线,直线度偏差≤0.3。

(2)装配后通过移动序号12来保证尺寸L等于RG(标准导轨距)。

(3)该校轨尺适用于速度≥2m/s的电梯。

随便看

 

离鸟网收录3541549条中英文词条,其功能与新华字典、现代汉语词典、牛津高阶英汉词典等各类中英文词典类似,基本涵盖了全部常用中英文字词句的读音、释义及用法,是语言学习和写作的有利工具。

 

Copyright © 2004-2024 vtrois.com All Rights Reserved
更新时间:2026/4/9 15:13:42