网站首页  词典首页


请输入您要查询的字词:

 

字词 卧式冷压室压铸机
类别 中英文字词句释义及详细解析
释义

卧式冷压室压铸机


①卧式冷压室压铸机的型号及主要参数见表3.4-4。

表3.4-4 卧式冷压室压铸机型号、主要参数

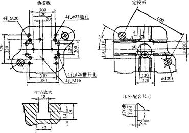
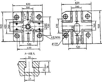
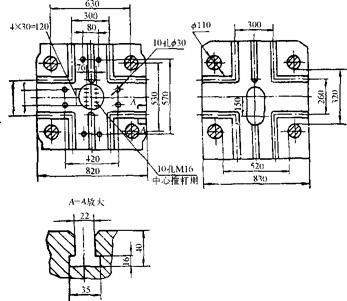
②卧式冷压室压铸机模具安装尺寸如图3.4-5~图3.4-11所示。

图3.4-5 J113型压铸机模具安装尺寸

图3.4-6 J116型压铸机模具安装尺寸

图3.4-7 J1113型压铸机模具安装尺寸

图3.4-8 J1125压铸机模具安装尺寸

图3.4-9 J1125A型压铸机模具安装尺寸

图3.4-10 J1140型压铸机模具安装尺寸

图3.4-11 J1163型压铸机模具安装尺寸

随便看

 

离鸟网收录3541549条中英文词条,其功能与新华字典、现代汉语词典、牛津高阶英汉词典等各类中英文词典类似,基本涵盖了全部常用中英文字词句的读音、释义及用法,是语言学习和写作的有利工具。

 

Copyright © 2004-2024 vtrois.com All Rights Reserved
更新时间:2026/4/8 17:10:30