网站首页  词典首页


请输入您要查询的字词:

 

字词 卷烟纸的各种性能指标对卷烟的影响
类别 中英文字词句释义及详细解析
释义

卷烟纸的各种性能指标对卷烟的影响


(一)定量指标对卷烟的影响

定量增加,可改善卷烟纸的抗拉强度;提高卷烟纸的不透明度;增加烟支的挺度。但定量增加,在纤维结构不变的条件下,降低了卷烟纸的透气性和可燃性,增加了材料消耗。

(二)抗张强度指标对卷烟的影响

卷烟纸的抗张强度指标低于某一规定值时,在卷烟机运行中易出现断裂而停机。卷烟机型号不同,国家标准中对卷烟纸抗张强度值的要求也有所不同,见表5-1-2。

不同时期国家标准规定的抗张强度值

(三)伸长率指标对卷烟的影响

卷烟纸的伸长率与抗张强度类似,其指标低于某一规定值时,在卷烟机运行中易出现断裂而停机。卷烟机型号不同,国家标准中对卷烟纸伸长率指标的要求有所不同,见表5-1-3。

不同时期国家标准规定的伸长率值

(四)灰分指标对卷烟的影响

卷烟纸燃烧后的灰分大部分是填料氧化钙,应呈白色,并着附在烟灰上。卷烟纸的灰分呈黑色,并易散落,则影响卷烟质量。

(五)阴燃性能指标对卷烟的影响

卷烟纸的阴燃性能影响烟支燃烧速度,影响烟支抽吸劲头和香气,还影响烟支的焦油量。不允许卷烟纸的阴燃速度低于烟丝的燃烧速度,以免引起烟支点燃后熄火。

(六)白度指标对卷烟的影响

卷烟纸的白度代表纸的外观,也反映烟支的外观。不允许卷烟纸中加入有燃烧时产生有害气体的荧光增白剂之类的物质。

(七)水分指标对卷烟的影响

卷烟纸的水分含量过高或过低,均会导致卷烟纸抗张强度值降低;在较低的水分含量时,随水分含量的增加伸长率提高(见图5-1-1)。通常卷烟盘纸应放置在空气湿度为60%±5%,温度为20~30C环境中平衡水分至6%。

图5-1-1 卷烟纸的水分与伸长率的关系

(八)尘埃度指标对卷烟的影响

卷烟纸的尘埃度影响烟支的外观。

(九)不透明度指标对卷烟的影响

卷烟纸需要一定的不透明度,以免烟丝显露,影响烟支外观。

(十)透气度指标对卷烟的影响

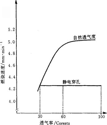
卷烟纸的自然透气度在一定范围内,可提高烟支的静燃速度,并提高烟气的稀释度;可减少烟支的抽吸口数及降低烟支焦油量,还影响卷烟的抽吸劲头与香气。

采用激光打孔、静电打孔等方法提高卷烟纸的透气度,不能增加静燃速度,但可提高烟气的稀释度,烟支焦油也有所降低。见图5-1-2,图5-1-3,图5-1-4。

图5-1-2 卷烟纸的透气度对烟支静态燃烧速度的影响

注:在10~60Coresta的范围内,自然透气度每增高10Coresta,烟支静态燃烧速度约增加0.3mm/min。

图5-1-3 卷烟纸的透气度对烟支抽吸口数的影响

图5-1-4 卷烟纸的透气度对烟支焦油量的影响

注:当卷烟纸的自然透气度在80Coresta以内时,抽吸口数随透气度的增加而减少。当卷烟纸的自然透气度在80Coresta以上时,抽吸口数随透气度的提高而增加。

随便看

 

离鸟网收录3541549条中英文词条,其功能与新华字典、现代汉语词典、牛津高阶英汉词典等各类中英文词典类似,基本涵盖了全部常用中英文字词句的读音、释义及用法,是语言学习和写作的有利工具。

 

Copyright © 2004-2024 vtrois.com All Rights Reserved
更新时间:2026/4/8 10:04:19