网站首页  词典首页


请输入您要查询的字词:

 

字词 压力检测仪
类别 中英文字词句释义及详细解析
释义

压力检测仪


(一)常用压力检测仪表

其技术参数见表9-11-13。

表9-11-13 常用压力仪表主要技术参数

(二)9系列数字压力表

1.结构特点

9系列数字压力表具有单位选择、净压力(Tare)、高低压力值给定和最大/最小压力值跟踪等多种功能。可单独或同时输出模拟和数字信号。用户可根据需要灵活选用。

无接触式光电传感器输出与输入压力成比例的电信号,可在长时间内保持0.1%和0.05%的精度。

仪表具有温度自动补偿功能,并用微处理连续进行压力修正,保证了仪表极高的重复性和稳定性。

2.主要技术参数

测量介质:适于测量一切对传感器零件无损害的任何气体或液体。

测量范围:从真空至0.02,0.03,0.05,0.06,0.1,0.16,0.25,0.4,0.5,0.6,1.0,1.6,25,40,60,100,160,200MPa。

传感头材料:弹性元件为Incone1-718,其他与介质接触部分为316不锈钢。

精度:用量程的百分数表示,它包括灵敏度,线性、重复性和滞后在内的综合误差,校验条件为室温23℃。

901A型:小于量程的±0.1%F·S。

901B型:小于量程的±0.05%F·S。

重复性:小于量程的±0.005%F·S。

灵敏限:小于量程的±0.005%F·S。

显示:带小数点的正负号,高10mm的LED显示,4或5位,最高分辨率为1/30000。

变换周期:

数字显示和数字输出信号:250ms。

最大/最小跟踪存储:83ms。

模拟量输出:连续。

使用温度:

标准的:7~35℃(45~90℉)。

-7~49℃(20~120℉)。

存储温度:-40~82℃(-40~180℉)。

输出信号:(可选择)。

数字的:并行BCD。

RS-232:300,1200,4800,9600波特。

模拟量:4~20mA,0~5V.DC,0~10V.DC。

电源:110/220±10%VAC,50/60Hz。

最大功耗:5VA。

安装形式:台式、盘装或携带式。

盘开孔:68mm×138mm。

质量:13kg。

3.外形尺寸

见图9-11-9。

图9-11-9 9系列数字压力表外形尺寸图

4.生产厂家

西安仪表厂。

(三)YSG系列电感压力变送器

1.结构特点

本系列仪表主要适用于工业生产过程和测量系统中用以测量各种对铜或铁及其合金不起腐蚀作用的流体介质的压力或负压。本仪表既能将被测介质的压力值转换成标准直流电流信号,以便于较长距离传送测量值,而最终能在中央控制室中进行处理,以实现生产过程的自动检测与控制,又具有机械式指针直接指示压力值的特点,以便于现场工艺检查与调校。

2.主要技术参数

见表9-11-14。

表9-11-14 YSG系列电感压力变送器主要技术参数

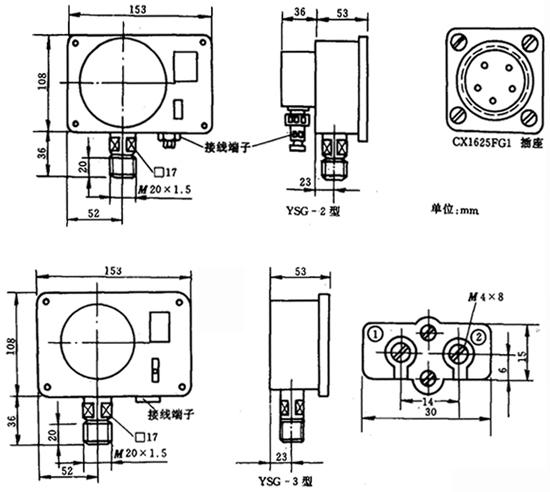
3.外形尺寸

见图9-11-10。

图9-11-10 YSG系列电感压力变送器外形尺寸

4.生产厂家

上海自动化仪表四厂。

随便看

 

离鸟网收录3541549条中英文词条,其功能与新华字典、现代汉语词典、牛津高阶英汉词典等各类中英文词典类似,基本涵盖了全部常用中英文字词句的读音、释义及用法,是语言学习和写作的有利工具。

 

Copyright © 2004-2024 vtrois.com All Rights Reserved
更新时间:2026/5/27 8:37:06