网站首页  词典首页


请输入您要查询的字词:

 

字词 压铸模标准模架
类别 中英文字词句释义及详细解析
释义

压铸模标准模架


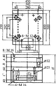
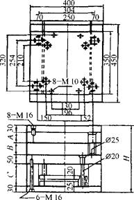
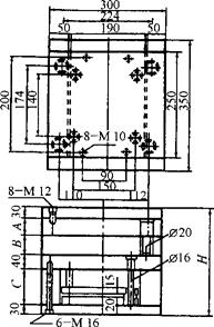
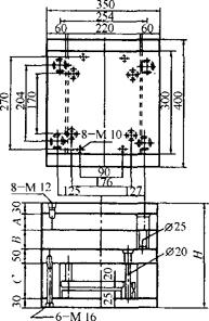
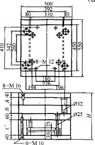
图8.3-1为上海申都仪表零件厂生产的压铸模标准模架。表8.3-1和图8.3-2分别为模架与压铸机选用参考表。

图8.3-1 压铸模标准模架

表8.3-1 模架与机床选用参考表

注:1.本标准的模具在安装时均考虑从压铸机上方吊入。

2.本标准的模具规格,以安装于国产压铸机型谱系列为主。

(a)2530型

(b)3035型

(c)3540型

(d)4045型

(e)4550型

图8.3-2 模架系列结构

选用压铸模标准模架的方法与选用注塑模标准模架的方法基本相同。只是模板的材质不同,与金属液体直接接触的成型零件(包括型腔、型芯、浇口套、分流锥、镶块等)要用耐高温材料:3Cr12W8V或4Cr5MoSiV;4Cr5W2SiV;4Cr5MoSiV1;4Cr4MoWSiV。

随便看

 

离鸟网收录3541549条中英文词条,其功能与新华字典、现代汉语词典、牛津高阶英汉词典等各类中英文词典类似,基本涵盖了全部常用中英文字词句的读音、释义及用法,是语言学习和写作的有利工具。

 

Copyright © 2004-2024 vtrois.com All Rights Reserved
更新时间:2026/4/9 11:20:43