网站首页  词典首页


请输入您要查询的字词:

 

字词 变压器的并联运行
类别 中英文字词句释义及详细解析
释义

变压器的并联运行


变压器并联运行时必须满足下列条件:

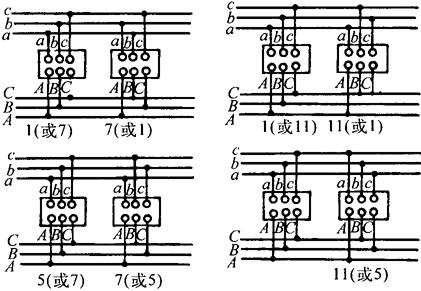
(1)各变压器连接组标号中的数字要相同(即线圈结线组别相同)。连接组标号中的数字可归纳为:4、8、12;2、6、10;1、5和7、11四组。同一组中的数字不同的变压器,将相应端子的标志变换后,命名连接组标号中的数字相同,仍可并联运行。1、5和7、11两类的并联运行,其端子的改接方法见图4-3。

图4-3 变压器并联端子连接图

Ixh取正号,变压器B中取负号;

InA、InB——变压器A和B的额定二次线电流(A);

UzA、UzB——变压器A和B的阻抗电压(%)。

属于不同组的两台变压器是不能并联运行的。

(2)在允许偏差范围内,各变压器的电压比要相等,否则变压器空载时,并联的二次线圈中将产生循环电流Ixh

式中 UA、UB——变压器A和B二次线电压,若UA>UB,则在变压器A中

(3)在允许偏差范围内,各变压器的阻抗电压要相等,否则并联的变压器内负载分配将不合理。并联运行时总的负载电流I在变压器A和B中的分配可按下式计算:

式中 SnA、SnB——变压器A和B的额定容量,通常≤3;

uzA、uzB——变压器A和B的阻抗电压(%)。

随便看

 

离鸟网收录3541549条中英文词条,其功能与新华字典、现代汉语词典、牛津高阶英汉词典等各类中英文词典类似,基本涵盖了全部常用中英文字词句的读音、释义及用法,是语言学习和写作的有利工具。

 

Copyright © 2004-2024 vtrois.com All Rights Reserved
更新时间:2026/4/9 7:12:03