1.结构概述
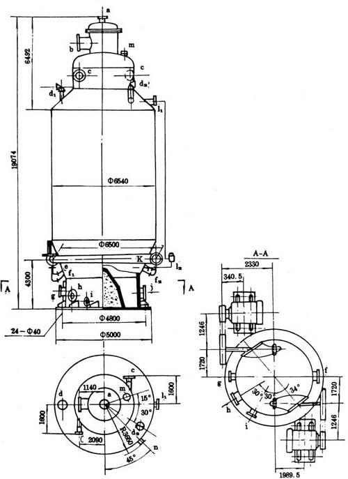
喷放锅一般用12~18mmA3钢板焊接而成。喷浆时,喷放锅所受的压力约98kPa,同时锅体将受到一定的震动。喷放锅锅体为圆筒形,而底部则有平底和锥底,两种结构分别称为平底喷放锅和锥底喷放锅,构造分别见图6-3-18和图6-3-19。

图6-3-18 平底喷放锅

图6-3-19 锥底喷放锅
2.主要技术特征
平底喷放锅和锥底喷放锅的主要技术特征见表6-3-17及表6-3-18。
表6-3-17 平底喷放锅主要技术特征

表6-3-18 锥底喷放锅主要技术特征

3.设备特点
锥底喷放锅的特点是在锅底的浆料有搅拌器的搅拌作用,能使浆料与送来稀释的黑液均匀混合,以利于下工序的洗涤处理。
平底喷放锅底部中央有锥顶部件,使锅底构成一个环状浆道,在浆道上设有叶轮搅拌器,出浆浓度均匀,结构制造简单。