网站首页  词典首页


请输入您要查询的字词:

 

字词 基坑开挖土壁的支护
类别 中英文字词句释义及详细解析
释义

基坑开挖土壁的支护


当开挖基坑(槽)受地质条件、场地条件或施工条件的限制,既不能采用放坡方式开挖,也不能采用降低地下水位方法,为保证施工的顺利和安全,减少对相邻已有建筑物的不利影响,可以采取加设支撑护壁的方法。

近年来,随着我国高层建筑的迅速发展,土壁支护技术也得到相应发展和提高。目前,在建筑工程中常用的支护方式有:横撑式支撑、锚桩式支撑、板桩式支撑、排桩式支撑、土层锚杆支护、土钉支护和地下连续墙等。

(一)横撑式支撑

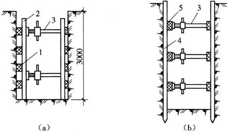
横撑式适用于开挖较窄的沟槽,根据挡土板的不同,可分为水平挡土板式支撑(图1-52a)和垂直挡土板式支撑(图1-52b)两类,前者又可分为断续式和连续式两种。当挖土深度小于3m并且是湿度较小的黏性土时,可采用断续式水平挡土板支撑;对于松散、湿度较大的土层,可采用连续式水平挡土板支撑;对于深度超过5m、松散和湿度很高的土壤,可采用垂直挡土板支撑。

图1-52 横撑式支撑示意图

(a)断续式水平挡土板支撑;(b)垂直挡土板支撑

1-水平挡土板;2-立柱;3-工具式横撑;4-垂直挡土板;5-横楞木

由于垂直挡土板是在基坑开挖前将挡土板打入土层中,然后随挖随加设横向支撑,所以挖土深度一般不限,但必须注意横向支撑的刚度。

(二)锚桩式支撑

锚桩式支撑也称锚碇式支撑,当开挖宽度较大的基坑时,横撑会因自由长度过大而稳定性差,或采用机械挖土不允许基坑内有水平支撑妨碍工作,此时可用锚桩式支撑,如图1-53所示。打入坑底以下的桩柱间距一般取1.5~2.0m,锚桩必须设置在土坡破坏范围以外。

图1-53 锚桩式支撑示意图

1-桩柱;2-挡土板;3-锚桩;4-拉杆;5-回填土

(三)板桩式支撑

在土质差、地下水位高的情况下,开挖深且面积大的基坑时,常采用板柱作为土壁的支护结构。板桩式支撑既可挡土也可挡水,又可避免流砂的产生,防止临近地面的下沉。

板桩结构分为板桩墙与拉杆两部分(图1-54)。

图1-54 板桩结构示意图

1-钢构架;2-斜撑;3-拉杆;4-土锚杆;5-先施工的基础;6-板桩墙

板桩墙常用的材料有型钢、钢筋混凝土,有少量采用木材。钢筋混凝土板墙一般是预制的,用后不再拔出。在建筑工程中常用的钢板桩有U型、Z型和平板型,如图1-55所示。钢板桩通过锁口互相连接,形成一道连续的板墙。钢板桩的两侧带有锁口,其坚实牢固并有足够的挡水能力,波浪式板桩的截面抗弯能力较好,截面积较小,比较容易打入土基中。

图1-55 常用钢板桩断面形状

(a)U型断面;(b)Z型断面;(c)平板型断面

板桩支撑根据有无设置锚碇结构,分为无锚碇板桩和有锚碇板桩。无锚碇板桩仅依靠入土部分的土压力来维持板桩的稳定,所以板桩下部需要有足够的入土深度,它仅适用于较浅基坑土壁的支护。有锚碇板桩是在板桩上部用拉锚装置加以固定,以提高板桩的刚度和支护能力,它同样需要满足一定的入土深度,否则板桩可能因被动土压力不足而位移。

对于较深基坑所用的板桩,在一定位置要设置锚碇(也称系杆)。锚碇可分为柔性和刚性两种,柔性锚碇是指设在板桩后的拉锚,常采用钢索、土锚杆等;刚性锚碇是指设在板桩前的支撑,常采用大型型钢、钢管等;如果条件允许,也可以不设拉锚或支撑,而成为悬臂式板墙。在实际工程中,基坑深度较大的单锚板桩很容易产生失稳,失稳的主要原因有以下几个方面:

(1)板桩的入土深度不满足要求,在较大土压力的作用下,板桩的下部产生移动而出现坑壁滑坡,如图1-56a所示。

(2)拉锚的强度不够,使板桩在土压力的作用下,上部产生失稳现象,如图1-56b所示;或者拉锚长度不足,锚碇失去作用而使土体产生滑动,如图1-56c所示。

(3)板桩的本身刚度不够,在土压力作用下失稳而产生弯曲,如图1-56d所示。为此,将入土深度、锚杆拉力和截面弯矩称为板桩设计的“三要素”。

(4)在闹市或邻近有建筑物或管道的地区施工,还应防止板桩变形过大而引起板墙背后的土体沉降,如图1-56e所示,必要时,应进行板桩变形和地面沉降的计算。

图1-56 板桩支护失稳的类型

(a)板桩下部移动;(b)拉锚产生破坏;(c)拉锚长度不足;(d)板桩失稳弯曲;(e)板桩背后土体沉降过大

(四)排桩式支撑

排桩式支护结构常用的构件有型钢桩、混凝土或钢筋混凝土灌注桩和预制桩,支撑的方式有型钢及钢筋混凝土内支撑和锚杆支护。排桩式支护的布置形式,分为稀疏排桩支护、连续排桩支护和框架排桩支护三种。

1.型钢桩支护

用作基坑护壁桩的型钢,主要有工字钢、槽钢、H型钢、直腹板式、拉森式和组合式钢板桩。型钢护壁桩施工方便、效果较好,可以重复使用,主要适用地下水位低于基坑底面标高的黏性土、碎石类等稳定性好的土层。当土质较好时,在桩间可以不加挡板,桩的间距应根据土质种类、地下水情况、基坑施工时间和开挖深度等条件而定。当土质比较松软时,在型钢间需加挡土板,以防止砂土的流散,出现土壁失稳现象。

型钢桩支护需要动力将其沉入土层,施工中振动比较大;如果支护深度较大,桩的刚度难以满足;当地下水位较高时,不能单独采用型钢桩支护,还应与降低地下水位措施配合。

2.钢筋混凝土排桩支护

钢筋混凝土排桩支护结构,多数是在设计位置采用灌注桩施工,这种支护具有布置灵活、施工简单、成本较低、振动较小等特点,在基坑开挖中应用比较广泛。

钢筋混凝土排桩的布置形式,与土质种类、土压力大小、地下水位高低和基坑深度等有关。在建筑工程中常见的布置形式,分为一字相间排列、一字相接排列、交错相接排列、交错相间排列等,如图1-57所示。

图1-57 钢筋混凝土灌注桩排列方式

在软土地区有时在同一个基坑中,型钢支撑和钢筋混凝土支撑应同时应用。为了控制地面变形、保护好周围环境,上层支撑用钢筋混凝土支撑;基坑下部为了加快支撑的装拆和施工速度,应采用型钢支撑。从今后的发展趋势看,应当继续完善和推广型钢支撑,使型钢支撑实现标准化、工具化,建立型钢支撑设计、制作、装拆、使用、维修一体化的专业队伍。

在型钢支撑中,以H型钢施工方便、刚度较大、维修容易、效果较好。表1-23为H型钢的规格,以供设计和施工中选用。

表1-23 H型钢的规格

支撑体系在平面上的布置形式多种多样,在建筑工程中常见的主要有角撑、对撑、桁架式、框架式、环形等,如图1-58所示。有时单独使用某种形式,有时混合使用,主要是应当因地制宜,根据基坑的平面形状和尺寸设置最适合的支撑体系。

图1-58 支撑体系的平面布置形式

(a)角撑;(b)对撑;(c)桁架式;(d)框架式;(e)环梁与边框架;(f)角撑加对撑

(五)土层锚杆支护

在开挖深度和面积较大的大型基坑时,为减少土压力对钢板桩或排桩所引起的较大弯矩,常采用增设单层或多层土层锚杆的方法加以降低。

1.土层锚杆的原理和分类

土层锚杆是埋设在土层深处的受拉杆体,由设置在钻孔内的钢绞线或钢筋与注浆体组成。钢绞线或钢筋一端与支护结构相连,另一端伸入稳定土层中承受由土压力和水压力产生的拉力,维护支护结构的稳定。

土层锚杆是锚固在土层中的受拉杆件,其承载力是由拉杆强度、拉杆与锚固体间的握裹力(粘结力)、锚固体与土壁间的摩擦阻力确定的。当土层锚杆的锚固段受力时,首先通过拉杆与周边浆体的握裹力(粘结力)将力传递给水泥砂浆,再通过浆体将力传递给周围土体。随着荷载的增加,拉杆与浆体的粘结力逐渐发展到锚固段下端,当达到最大握裹力(粘结力)时,拉杆将与土体发生相对位移,产生拉杆与土体间的摩擦阻力。当拉杆与土体间的摩擦阻力达到极限状态时,土层锚杆进入破坏状态。

土层锚杆按使用要求不同,可分为临时性锚杆和永久性锚杆;按承载方式不同,可分为摩擦承载锚杆和支压承载锚杆;按施工方法不同,可分为钻孔灌浆锚杆和直接插入式锚杆及预应力锚杆;按灌浆压力不同,可分为一般灌浆锚杆和高压灌浆锚杆。

2.土层锚杆的主要组成

土层锚杆主要由锚头、拉杆和锚固体三部分组成。锚头由锚具、承压板、横梁和台座组成;拉杆可采用钢筋、钢绞线制成;锚固体是由水泥浆或水泥砂浆将拉杆与土体凝结成为一体的抗拔构件。土层锚杆的构造,如图1-59所示。

图1-59 土层锚杆构造示意图

1-锚具;2-承压板;3-横梁;4-台座;5-承托支架;6-套管;7-钢拉杆;8-砂浆;9-锚固体;10-钻孔;11-挡墙;l-锚杆全长;lf-非锚固段长度;le-锚固段长度;D-锚固体直径;d-拉杆直径

锚杆以土的主动滑动面为界,分为非锚固段和锚固段。非锚固段处在可能滑动的不稳定土层中,可以自由伸缩,其作用是将锚头所承受的荷载传递到主动滑动面外的锚固段。锚固段处在稳定土层中,与周围的土体牢固结合,将荷载分散到稳定土体中去。在一般情况下,非锚固段的长度不宜小于5m,锚固段的长度应根据计算确定。

锚杆的埋置深度要使最上层锚杆上面的覆土厚度不小于4m,以避免地面出现隆起现象。锚杆的层数,应根据基坑深度和土压力大小设置一层或多层。锚杆上下层垂直间距不宜小于2m,水平间距不宜小于1.5m,避免产生群锚效应而降低单根锚杆的承载力。锚杆的倾角宜为10°~25°,但不应大于45°。允许的倾角范围应根据地质构造而定,应使锚杆的锚固置于较好的土层中。

3.土层锚杆的施工工艺

土层锚杆的施工工艺比较简单,按施工方法不同分为干作业和湿作业两种,湿作业是在干作业的基础上增加水冲钻孔工序,在建筑工程中常用湿作业,其施工工艺主要包括:定位→钻孔→安放拉杆→注浆→张拉锚固。

钻孔要求孔壁顺直,不得坍塌和松动,一般常用清水循环钻孔法,适用于较硬土层。拉杆应平直并进行防腐处理。安放拉杆要位置准确、防止扭曲。灌浆管宜与拉杆绑在一起放入孔内,一次注浆管距孔底宜掌握在100~200mm,二次注浆应进行可灌密封处理。

注浆是土层锚杆施工中的重要工序,可分为一次注浆法和二次注浆法。一次注浆法宜先用浆砂比1∶1~1∶2、水灰比为0.38~0.45的水泥砂浆或水灰比为0.45~0.50的水泥浆;二次注浆宜使用水灰比为0.45~0.55的水泥浆,采用高压进行注浆,压力宜控制在2.5~5.0MPa。一次注浆法用一根注浆管,二次注浆法用两根注浆管,第一次注浆的浆体达到5MPa后进行第二次高压注浆。由于高压注浆,使浆液冲破第一次的浆体向锚固体与土的接触面间扩散,提高了锚杆的承载力。

预应力锚杆张拉锚固应在锚固段强度大于15MPa,并达到设计强度等级的75%后方可进行。张拉顺序应考虑对邻近锚杆的影响,一般可采取分级加载方法,取设计拉力值的10%~20%预张力1~2次,使各部位接触紧密,预应力筋达到平直,待张拉至设计拉力值的0.9~1.0倍时,按设计要求加以锁定。锚杆的张拉控制应力不应超过锚杆杆体强度标准值的0.75倍。

土层锚杆锚固段采用水泥砂浆封闭防腐,拉杆周围的保护层不小于10mm,非锚固段(自由段)涂润滑油或防腐漆,外包裹塑料布,锚头采用沥青防腐。

(六)土钉支护

土钉支护是以土钉作为主要受力构件的边坡支护技术,它由密集的土钉群、被加固的原位土体、喷射的混凝土面层和必要的防水系统组成,所以又称为土钉墙。土钉是用作加固或同时锚固原位土体的一种细长杆件。通常采取在土层中钻孔,在孔中置入螺纹钢筋,并沿孔全长注浆的方法做成。土钉依靠与土体之间界面粘结力或摩擦力,在土体发生变形的条件下被动受力,在一般情况下主要是受拉力的作用。

1.土钉支护的组成

土钉支护主要由土钉、面层和防水系统组成。

土钉采用直径16~32mm的螺纹钢筋制成,其与水平面夹角一般为5°~10°;长度在非饱和土中宜为基坑深度的0.6~1.2倍,软塑黏性土中宜为基坑深度的1.0倍;水平间距和垂直间距基本相同,但乘积不应大于6.0m2,在非饱和土中一般为1.2~1.5m,坚硬黏土或风化岩石中为2.0m,软土层中为1.0m;土钉孔的孔径为70~120mm,注浆的强度不低于10MPa。

面层采用喷射混凝土,其强度等级不低于C20,厚度为80~200mm,并配置直径为6~10mm的钢筋网,间距为150~300mm。土钉与混凝土面层必须有效地连接成一个整体,混凝土面层应深入基坑底部不少于0.20m,并要做好防水系统。

2.土钉支护的特点

土钉支护是最近几年发展起来的一种新型支护结构,具有材料用量少、工程量较小、施工速度快、操作较简单、环境干扰轻、作业场地小等特点,尤其适合在城市地区施工;土钉与土体形成复合土体,提高了边坡整体稳定性和承受坡顶荷载能力,增强了土体破坏的延性,有利于安全施工;土钉支护的位移很小,对相邻建筑物的影响也较轻,经济效益好。土钉支护适用于地下水位以上或经降水措施后的砂土、粉土、黏土等土体中。

3.土钉支护的作用机理

土钉支护是由土钉墙体与基坑侧壁土体形成的复合体,土钉锚体由于本身具有较大的刚度和强度,并在其所分布的空间内与土体组成了复合体的骨架,起到约束土体变形的作用,与土体共同作用,可显着提高基坑侧壁的承载能力和稳定性,从而弥补了土体抗拉强度低的缺点。

土钉具有较高的抗拉强度、抗剪强度和抗弯刚度。当土体进入塑性状态后,应力逐渐向土钉转移;当土体产生开裂时,土钉内出现弯剪、拉剪等复合应力,最后导致土钉锚体碎裂,钢筋产生较大的屈服。由于土钉的应力分担、应力传递和扩散作用,增强了土体变形的延性,降低了应力集中的程度,从而改善了土钉墙复合体塑性变形和破坏状态。

喷射混凝土面层对坡面变形起着约束作用,约束力取决于土钉表面与土的摩擦阻力,摩擦阻力主要来自复合体开裂区后面的稳定复合土体。土钉墙体是通过土钉与土体的相互作用,实现土钉对基坑侧墙的支护作用。

4.土钉支护的施工工艺

土钉支护的施工比土层锚杆复杂,其施工工艺包括:定位→钻机就位→成孔→插入钢筋→进行注浆→喷射混凝土。

土钉支护应按设计要求进行施工。土钉成孔钻机可采用螺旋钻机、冲击钻机、地质钻机等;插入孔的螺纹钢筋必须调直和除锈,直径和长度必须符合设计要求;注浆用的水泥砂浆其配合比为1∶1~1∶2、水灰比为0.45~0.50;注浆时可根据情况采用重力、低压(0.4~0.6MPa)或高压(1~2MPa)等方法,特别水平孔应采用低压或高压的注浆方法。

喷射混凝土的强度等级不应低于C20,水灰比为0.40~0.45,砂率为45%~55%,水泥与砂石的质量比为1∶4.0~1∶4.5,粗集料最大粒径不得大于12mm。喷射混凝土的施工应自下而上,分两次进行。第一次喷射后铺设钢筋网,并使钢筋网与土钉采用各种方法连接牢固;在钢筋网的上面喷射第二层混凝土,要求表面湿润、平整,无干斑或滑移流淌现象,在常温情况下,待混凝土终凝后2h,开始洒水养护7d。

(七)地下连续墙

在工程地质、水文条件不良的地区,或在城市开挖深基坑放坡受到限制,如用直壁开挖(如钢板桩支护)和井点降水的方法,在打钢板桩时会使邻近地面受到震动而增大地基荷载;井点降水会将土中的孔隙水排出,孔隙水压力下降或消散,都能产生地面的附加沉降。在这种情况下,可以采用地下连续墙。

地下连续墙是深基坑中常用的一种支护结构,多用于一12m以下的基坑,墙的厚度一般为600mm、800mm和1000mm等,应根据基坑深度、上部荷载、地质条件、水文条件和支撑布置情况等决定。对于深度小于10m的基坑,也可采用厚度为450mm的薄壁地下连续墙。

地下连续墙是一种多功能支护结构,既可以挡土护壁,又可以截水防渗;既可以作为临时性的支护结构,也可以做地下永久性结构。由于地下连续墙刚度大、变形小,结合“逆筑法”施工工艺,不仅可省去挖方工作量,而且还能使地上、地下结构同时施工,对于多层地下结构的深基坑施工十分有利。

随便看

 

离鸟网收录3541549条中英文词条,其功能与新华字典、现代汉语词典、牛津高阶英汉词典等各类中英文词典类似,基本涵盖了全部常用中英文字词句的读音、释义及用法,是语言学习和写作的有利工具。

 

Copyright © 2004-2024 vtrois.com All Rights Reserved
更新时间:2026/4/8 14:29:18