1.氧化 以氯或氯水为氧化剂,控制一定的通氯量,使其仅与料液中碘离子发生氧化反应。
氯、溴、碘的标准电极电势(25℃,在水溶液中)见表6-8-3。其顺序是以还原剂还原能力大小而排列的。
表6-8-3 氯、溴、碘的标准电极电势

电极电势的代数值越大,还原剂还原能力越小。故还原能力I->Br->Cl化学反应式为:
2I-+Cl2→I2+2Cl-
耗氯量一般为理论量3~3.5倍。通氯量用电势计控制。对饱和甘汞电极而言,维持氧化电势在+560mV左右时,碘离子的氧化率一般可达95%以上。不同来源的原料液,达到碘离子的最高氧化率的氧化电势也略有不同,在进行工业生产时,最好对每批原料液进行一次氧化电势的测定。
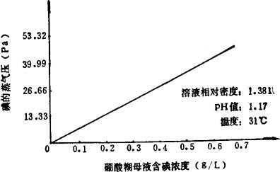
2.用空气将游离碘从料液中吹出料液中的碘离子经氯氧化后以游离碘的状态溶解于其母液中,然后用空气将游离碘吹出。在恒温下不同含碘浓度的硼酸糊母液与料液面上碘的平衡蒸气压,绘于图6-8-1。

图6-8-1 不同含碘浓度的硼酸糊母液中碘的平衡蒸气压曲线
以碘的平衡蒸气压对硼酸糊母液含碘浓度作图,得一倾斜直线,这是符合亨利定律的。
当溶液上方气相中含碘量高于应有平衡浓度时,则碘从气相进入溶液;相反,若溶液上方气相中含碘量低于应有平衡浓度时,碘就会从溶液进入气相中,即发生解吸,直到平衡为止。因此,若不断将空气鼓入含碘(游离碘)料液中,则空气中含碘量就低于平衡时的浓度,料液中的碘就不断进入空气中,即被吹出而随空气带走。
3.带碘空气与吸收剂接触,碘被吸收 吸收碘是利用二氧化硫水溶液把碘还原成碘化氢,化学反应式为:
I2+SO2+2H2O→2HI+H2SO4
HI+I2→HI3
HI3+SO2+2H2O→3HI+H2SO4
吸收液循环使用。当吸收液含HI浓度达10~20%(HI g/100ml)时吸收效果最好,HI浓度超过24%时,吸收过程将发生下列副反应,致使吸收率下降。
H2SO4+8HI→4H2O+4I2+H2S
H2SO4+6Hl→4H2O+3I2+S
当吸收液中HI浓度不超过20%时,吸收率可达99%。温度对SO2水溶液吸收碘影响不大。
4.吸收液通氯氧化,使碘游离,反应式如下:
2HI+Cl2→2HCl+I2↓
不同浓度的HI通Cl2时,用氧化电势控制通Cl2量,以达碘最高游离率,见表6-8-4。碘游离率与HI浓度成正比,HI浓度在10%以上,控制电势在500~550mV,碘游离率可达99%以上。
表6-8-4 不同浓度的HI达碘最高游离率时的氧化电势及碘残留率

综合碘的吸收、还原、游离,吸收液浓度的选择要具备3个条件:
(1)吸收碘的效率要高。
(2)在还原时反应速度要快,且不发生副反应。
(3)在碘的游离时,残存于母液中的碘量要少。