网站首页  词典首页


请输入您要查询的字词:

 

字词 奶油加工装备
类别 中英文字词句释义及详细解析
释义

奶油加工装备


1 概述奶油加工装备是以新鲜优质乳为原料,分离获得稀奶油后制造成奶油的加工装备。奶油中脂肪含量80%~83%,水分含量低于16%。奶油营养好,具有独特的芳香风味,适合于餐桌佐餐、烹饪和食品加工工业应用。目前我国奶油加工以机械和手工操作相结合的方式原乳分离和稀奶油搅拌压炼采用机械作业,其余作业则多用手工进行。

2 奶油加工工艺

我国生产的奶油主要有鲜制奶油、酸制奶油、重制奶油和连续式机制奶油等四种,本节看重说明加盐酸制奶油加工工艺(图1-8-21)。

图1-8-21 加盐酸制奶油加工工艺流程图

2.1 原料乳验收

参见本章第1节。

2.2 分离

新鲜优质乳经分离获得加工奶油用的稀奶油。若原料乳酸度过高,则分离前可用10%无水碳酸钠或碳酸氢钠溶液中和,使其酸度达20°T以下。为便于分离,牛乳需预热到35℃左右。分离时,可按稀奶油量为原乳量左右调节牛乳流量,使稀奶油含脂率为30%~40%。合格的稀奶油在不同含脂率下的酸度以及其乳浆酸度都有规定的极限值。牛乳分离使用牛乳分离机。

2.3 中和

若稀奶油酸度过高,应手工徐徐添加10%碳酸钠溶液中和,同时搅拌均匀,酸度到20~22°T时即可。适当降低酸度,以免杀菌操作中由于稀奶油酸度过高,蛋白质遇热凝结,降低奶油质量。

2.4 杀菌、冷却

杀菌可杀死稀奶油中携带的病原菌及其它有害菌类,破坏稀奶油中的脂酶,以免由其造成脂肪分解,影响奶油保藏性能。杀菌冷却如采用片式高温短时间杀菌冷却设备,杀菌温度95℃,冷却温度8℃。小型奶油厂对稀奶油杀菌可选用间歇式杀菌设备,加热温度85~90℃,需不断搅拌,防止析出脂肪。

2.5 发酵

稀奶油生物化学发酵在发酵成熟槽进行,其工作发酵剂添加量为5%,应边添加、边搅拌均匀。发酵温度保持18~20℃,每隔1h搅拌5min,总化学成熟时间约为12h。此时,稀奶油中的羟丁酮氧化为丁二酮。据脂肪含量的不同,稀奶油酸度达到相应的规定值时,其化学发酵即告结束。发酵后应迅速冷却到5℃以下,使发酵完全停止。

2.6 成熟

稀奶油物理成熟也在发酵成熟槽中进行。其目的在于改变奶油中脂肪和蛋白质的性状。在物理成熟中,乳脂肪中的大部分甘油脂从乳状液变成结晶状态,故成熟温度要控制得比液态脂肪球的凝固温度(17~26℃)低。成熟温度越低,成熟时间就越短。通常控制成熟温度在5℃以下,若成熟温度为4℃,则物理成熟保持时间为4~6h。

2.7 搅拌、分离

搅拌目的在于破坏脂肪球膜,便于脂肪球聚结成奶油粒,分离排出酪乳。搅拌使用奶油搅拌机,使用的稀奶油,其酸度不超过33~36°T为佳。搅拌温度夏季8~12℃,冬季10~14℃,搅拌转速一般为30~40r/min,搅拌时间45~60min。当奶油粒直径为2~4mm时可停止搅拌,排放酪乳。在搅拌时可加入着色剂,一般用食用红色棕榈油或胭脂树橙等天然色素,加入适当着色剂可使成品奶油具有令人愉快的颜色。

2.8 洗涤

通过洗涤除去奶油粒上附着的酪乳,减少乳糖及蛋白质,断绝微生物生长所需的营养源。洗涤利用奶油搅拌机进行,洗涤用水应经杀菌和冷却。通常要洗涤2次,第1次注入稀奶油量约30%的洗涤水,使搅拌机转动3~5圈后放水;第2次洗涤加水量约为稀奶油量的50%,水温较稀奶油温度低1~3℃,加水后搅拌机转动8~10圈后放水。洗涤结束时排出的洗涤水应透明,否则需第3次洗涤。

2.9 加盐

加盐可增加奶油风味,一般是鲜制奶油加盐,加盐量不应超过奶油量的2%。所加盐应符合国家标准优级或一级品规定,其所含氯化钠不低于99.2%。用煮开的热水溶化并过滤,1kg食盐配2.7L水。当温度高于奶油温度1~2℃时,取其1/3容量加入搅拌机,旋转搅拌机3~4圈后排出食盐水。然后加入其余食盐水,旋转搅拌机8~9圈,排出食盐水,则加盐操作结束。

2.10 压炼

压炼在奶油搅拌机中进行。压炼可使奶油粒紧密结合,排出奶油中过多的水分,使奶油成团便于包装,并可使奶油中水滴变细,分布均匀。经压炼后的优质奶油,所含直径2μm左右的水点约占全部水点的99%。因为每100g奶油中平均含有空气4.2mL,若在真空状态下压炼,可降低其空气含量到0.5~1.0mL/100g,有利于奶油保存。压炼温度一般在14~15℃以下。

2.11 切块、包装

压炼后奶油经切块包装供市场出售。不同用处的奶油通常使用不同的包装,餐桌用奶油为小包装,包装材料应不渗透,常用铝箔与纸张粘合而成的夹层包装纸。烹调用和食品工业用的奶油大都采用马口铁皮罐头包装或用木桶包装。奶油小包装常用奶油自动成型切块包装机,大包装可由奶油搅拌机经奶油泵直接泵入罐或桶中。

2.12 连续式机制奶油

连续式机制奶油以杀菌稀奶油为原料,不经添加纯乳酸菌发酵剂发酵,将原料直接加入连续式奶油制造机中加工而成。

加盐奶油含水分不高于16%,乳脂肪不低于80%,含盐量不高于2%。不允许存在致病菌,大肠菌不大于30/100g,霉菌不大于10个/g,一级奶油细菌数不大于20000个/g。

3 关键装备

3.1 碟片式牛乳分离机

用于分离原料乳获得稀奶油,排出脱脂乳。为连续式作业,牛乳从分离机上部流入分离筒中心管,在离心力作用下,相对密度较大的脱脂乳流向周壁,相对密度较小的稀奶油保持在主轴附近,沿各自出口排出机外。牛奶分离机有封闭式和开放式两种,封闭式由于原乳不含气泡,分离过程不接触空气,有利于改善奶油风味,常用于大批量分离操作,但必须配置定容型旋转泵或特殊离心泵,提供稳定的供乳压力,使其正常作业(参见第1篇第14章第9节)。

3.2 稀奶油发酵成熟槽

稀奶油发酵成熟槽是稀奶油化学发酵和物理成熟所用的操作设备。发酵成熟槽有圆筒形立式和半圆槽形卧式两种,不锈钢制,均具加温冷却装置。立式成熟槽设有夹层,夹层中可通冷/热水调湿;装置直立搅拌机,便于将液料搅拌。卧式成熟槽装有排管式搅拌机,排管中通冷水或热水,能在搅拌的同时进行冷却或加温。

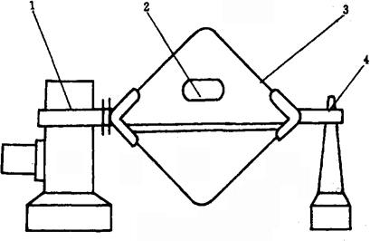
3.3 奶油搅拌机

奶油搅拌机又称摔油机,用于将稀奶油中脂肪球互相聚合形成奶油粒,同时分离出酪乳。该机也用于奶油的加盐和压练。奶油搅拌机为多角形结构或菱形体(图1-8-22),其上开有稀奶油注入孔2,可严密关闭。设有淋水装置,可以调节稀奶油搅拌温度,并使其均匀。搅拌桶内装置翼板或挡棒,以加强对奶油的捏和及切割作用。传动箱设有不同的档次,搅拌机能以不同的转速旋转。工作中,奶油脂肪在搅拌桶内翻滚,相互碰撞,时而分散,时而聚合,从而达到摔油和压练的目的。奶油搅拌机每次可加入大约其容量50%的稀奶油,每批搅拌的时间不超过35~45min。

图1-8-22 菱形搅拌机示意图

1-动力传动装置 2-注入孔 3-摔油桶 4-支座

3.4 奶油成型切块机

奶油成型切块机用于将压练后的奶油分切成一定的形状和大小。小型的半机械化奶油成型切块机由电机传动,带动挤压机先将块状奶油挤压成一定形状的横切面长条,然后经可调整间距的切刀装置切割成所需长短的奶油块。奶油自动成型切块包装机可以随意调整生产速度和每块奶油的重量。该种机型使用方便,卫生条件好,适合较大规模的奶油生产企业使用。参见第2篇第2章。

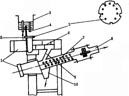
3.5 连续式奶油制造机

连续式奶油制造机(图1-8-23) 用于连续式生产机制奶油,即杀菌的稀奶油可不经添加纯乳酸菌发酵剂发酵而制成的奶油。搅拌器6是带有冷却夹套的水平圆筒,夹套内可通入冷盐水冷却稀奶油。水平圆筒内装有贴近圆筒内壁的搅拌叶片。搅拌器下方设置螺旋压练器7,搅拌器和螺旋压练器用连接筒9相连。操作时,高位槽3内已经杀菌过的稀奶油经调节圆盘5进入搅拌器6内,随水平圆筒高速旋转,其速度高于搅拌叶片,因而受到剪切和湍流作用。乳浊液的稳定性受到破坏,稀奶油中的乳脂肪被甩到圆筒壁上,受到冷却和机械作用形成奶油粒。由于新进入稀奶油的挤压,使奶油粒通过连接筒9进入螺旋压练器7。由于倾斜放置的压练器进行捏和与压练,奶油粒形成块状奶油,分离出酪乳。块状奶油由压练器顶端挤出,酪乳则从其下方排出。

该设备机械化程度高,提高得率,卫生节能。但加工出的奶油产品空气含量较多,品质较脆弱,成品奶油应立即成型切块。

图1-8-23 搅拌式连续奶油制造机示意图

1-电机 2-稀奶油进口 3-高位槽 4-多余稀奶油出口 5-调节圆盘 6-搅拌器 7-螺旋压练器 8-奶油出口 9-连接筒 10-酪乳出口

3.6 牛乳杀菌、冷却所需装备

参见本章第1节。

随便看

 

离鸟网收录3541549条中英文词条,其功能与新华字典、现代汉语词典、牛津高阶英汉词典等各类中英文词典类似,基本涵盖了全部常用中英文字词句的读音、释义及用法,是语言学习和写作的有利工具。

 

Copyright © 2004-2024 vtrois.com All Rights Reserved
更新时间:2026/4/8 13:42:15