网站首页  词典首页


请输入您要查询的字词:

 

字词 小型拖拉机及三轮农用运输车的调整
类别 中英文字词句释义及详细解析
释义

小型拖拉机及三轮农用运输车的调整


(一)三角胶带张紧度的调整

三角胶带传动装置的胶带张紧度过大,会增加发动机曲轴主轴承、离合器轴承、胶带、胶带轮的磨损和胶带的塑性变形;如胶带的张紧度过小,会造成打滑,不仅降低传动效率,而且会使胶带发热而损坏。所以应对胶带张紧度进行定期的检查和调整。

胶带张紧度的检查方法如图3-38所示,用4个手指用力(49N)按下胶带中部,如下陷量符合规定,说明张紧度正常,否则应进行调整。各机型三角胶带张紧度检查的用力和正常的下陷量见表3-8。

表3-8 三角胶带传动装置胶带张紧度检查用力和正常下陷量

图3-38 三角传动胶带张紧度的检查与调整

1.调整螺钉 2.发动机固定螺栓

如下陷量不符合要求,可改变发动机在机架的前后位置进行调整。如胶带张紧度过小,先松开发动机固定螺栓,再转动调节螺钉,使发动机前移;如胶带张紧力过大,转动调节螺钉使发动机后移。胶带张紧度调好后,应将发动固定螺栓重新拧紧。

(二)离合器间隙和踏板自由行程的检查与调整

1.离合器间隙和踏板自由行程检查与调整的必要性 在使用过程中,由于零件的磨损或松动,使离合器间隙和踏板自由行程发生变化。如果离合器间隙和踏板自由行程变大,将使离合器分离不清,造成换挡困难和打齿;如离合器间隙和踏板自由行程变小,将会引起离合器打滑,不仅因发热烧坏摩擦片,而且降低传动效率。所以应定期检查离合器间隙和踏板自由行程是否符合表3-9的要求,否则应及时调整。

表3-9 各机型离合器间隙和踏板自由行程

2.离合器间隙和踏板自由行程检查和调整方法 离合器间隙检查和调整方法如图3-39所示。

图3-39 离合器间隙的检查与调整

1.分离轴承 2.厚薄规 3.分离杆杠 4.调整螺母

将与正常离合器间隙相同厚度的厚薄规插入离合器分离轴承和分离杠杆之间进行检查,如厚薄规在离合器间隙中有旷量,说明离合器间隙过大;如厚薄规插不进离合器间隙,说明离合器间隙过小;如厚薄规能插入离合器间隙,又无明显旷量,说明离合器间隙正常。如离合器间隙过大或过小均需调整。调整方法是:首先松开分离杠杆一端的调整螺母的锁紧螺母,再拧动调整螺母进行调整,调好后再将锁紧螺母拧紧。3个分离杆与分离轴承之间的间隙(离合器间隙)应调到一致。

离合器踏板自由行程的检查与调整方法如图3-40所示。在踏板附近靠一直尺,然后将踏板下压到感觉有明显阻力时为止;踏板所移动的距离即为踏板自由行程。如自由行程不符合规定,可通过改变拉杆的连接长度进行调整。各机型的离合器间隙和踏板自由行程见表3-9。

图3-40 离合器踏板自由行程检查调整

1.踏板轴摇臂 2.连接销 3.拉杆接头 4.锁紧螺母 5.拉杆

(三)中央传动的检查与调整

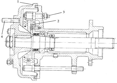
1.直齿圆柱齿轮副中央传动的检查与调整 检查齿轮副的啮合状况,如不全长啮合,可松开Ⅳ轴两端轴承盖,增减轴承盖与箱体之间的调整垫片进行调整。

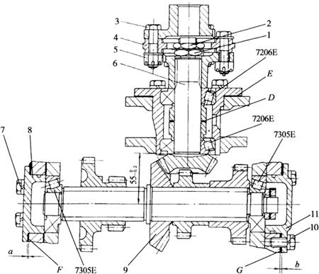
2.圆锥齿轮副的检查与调整 在使用过程中,由于轴承和齿轮的磨损,将引起啮合状态的恶化,不仅传动噪音大而且磨损加剧,甚至造成零件过早损坏。所以应定期的进行检查和调整。检查和调整的内容包括主、从动齿轮支撑轴承紧度的检查与调整;齿轮副啮合间隙的调整;以及啮合印痕的检查与调整。

主动圆锥齿支撑轴承紧度可通过轴向撬动主动圆锥齿轮和转动主动圆锥齿轮的方法进行检查。如果撬动时出现轴向游隙,说明紧度过小;如转动主动圆锥齿轮阻力过大(超过1.0~3.5N·m)说明轴承紧度过大,紧度过大过小均需调整。调整方法如图3-41所示,松开螺母1、2,适量增减调整垫片D的厚度,再拧紧螺母1、2,然后转动主动锥齿轮所用的力矩符合1.0~3.5N·m的规定,即为调整合适。

图3-41 主动圆锥齿支撑轴承紧度调整(单位:mm)

1.紧固螺母 2.锁紧螺母 3.连接螺栓 4.联轴节 5.螺母 6.主动齿轮总成 7.连接螺钉 8.轴承盖 9.从动齿轮总成 10.螺钉 11.轴承盖

E、D、F、G,调整垫片

安装距可用测量工具检查,如不符合要求()可改变调整垫片E的厚度进行调整。

从动齿轮轴(Ⅱ轴)支撑轴承紧度可通过轴向撬动从动圆锥齿轮(大圆锥齿轮)的方法进行检查,如有明显轴向游动,即需调整。调整方法是减小调整垫片G的厚度。如能转动灵活又无轴向游隙,即调整合适。

圆锥齿轮副啮合间隙可通过挤压保险丝或用百分表进行检查。取三段保险丝拧成S形,每转120°放入齿间一个,然后测量被挤压后的保险丝厚度,3个保险丝厚度平均值,可视为齿的啮合间隙。如间隙不符合要求(0.2~0.25mm),即需调整。调整方法:去掉Ⅱ轴左端轴承盖下面的调整垫片F,均匀的拧动左轴承盖8上的螺栓7,通过轴承盖和左轴承使Ⅱ轴右移到齿轮副无齿侧间隙为止,除掉轴承盖加入厚度为α(齿侧间隙)的调整垫片F,再装好轴承盖。

最后检查啮合印痕。圆锥齿轮副正常的啮合印痕应在齿侧的中部并靠近齿轮小端,长度不小于齿长的50%,宽度不小于齿宽的50%。如不符合要求,可通过增减垫片轴向移动主、从动齿轮位置的方法进行调整。

(四)小四轮拖拉机制动器间隙及踏板自由行程的检查与调整

1.制动器间隙的检查与调整 制动器间隙可通过厚薄规进行检查,如间隙不符规定(表3-10)应进行调整。

表3-10 小四轮拖拉机制动器间隙和踏板自由行程

调整方法如图3-42所示。将后桥垫起,拧松两偏心轴3上的锁紧螺母,分别向方向相反的方向拧动两偏心轴,直至转不动为止(此时用手转不动制动鼓),然后将两偏心轴退回1/10~1/5圈,再将锁紧螺母锁紧。

图3-42 制动器间隙的调整

1.制动鼓 2.制动蹄 3.偏心轴 4.螺柱

2.踏板自由行程的检查与调整 踏板自由行程的检查方法和离合器踏板自由行程一样,如自由行程不符合表3-10中的要求,即需调整。调整方法参见图3-43,松开制动拉杆上的锁紧螺母,转动拉杆,改变拉杆长度,使踏板自由行程符合规定。

图3-43 踏板自由行程的调整

1.制动拉杆 2.锁紧螺母

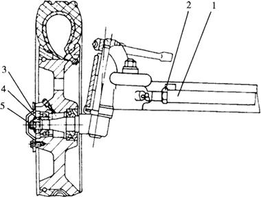
(五)手扶拖拉机制动系的检查与调整

当操纵手柄放在定位板“合”的位置时,制动压弹应完全放松,并与调整螺母保持一定的距离。当手柄放到“离”的位置时,制动压弹应稍有压缩。当手柄放到“制动”位置时,制动器应完全制动。若不能满足上述要求时,可按图3-44所示的方法进行调整,拧松锁紧螺母,拧动调整螺母,使其与制动压弹的距离符合要求。调好后,将锁母拧紧。

图3-44 手扶拖拉机制动系的调整

(六)转向盘自由行程(转角)的检查与调整

转向盘自由转角的检查方法:将拖拉机前轮处在直线行驶位置,向左或向右转动转向盘,至前轮开始偏转时,转向盘所转过的角度就是转向盘的自由转角。如果转向盘自由转角过大,将引起转向不灵;如自由转角过小,将使转向操纵费力,所以需要进行调整。调整的步骤和方法如下:首先调整纵拉杆两端球节头的间隙,调整方法是卸下穿在球节头螺塞沟槽的开口销,拧动螺塞,消除球节头与球头座之间的间隙,然后再退回3/4~1圈,再穿入开口销锁紧。

通过上述调整后,如转向盘自由转角仍不符合要求,应进一步调整蜗杆支撑轴承间隙。蜗杆支撑轴承间隙可通过增减轴承盖与转向器壳体之间的调整垫片的方法进行调整。如转向盘自由转角仍不符合要求,应作最后一步的蜗轮蜗杆啮合间隙的调整。调整方法如图3-45所示。先拆下转向垂臂,然后拧松调芯盘的固定螺钉,并转动调芯盘进行调整蜗杆与蜗轮的间隙,使转向盘自由转角符合要求,调好后再装回转向垂臂和拧紧调芯盘的固定螺钉。

图3-45 蜗轮蜗杆啮合间隙的调整

1.螺母 2.螺栓 3.调芯盘 4.调芯衬套

(七)转向手柄位置的检查与调整

在牙嵌离合器彻底分离状态,检查转向手柄与手把套之间的距离,此距离应有20~30mm如图3-46所示。如此距离过小,转向牙嵌离合器不能彻底分离影响转向;如过大,会使离合器处半接合,加剧牙嵌齿的磨损。因此,转向手柄与手把套之间的距离不符合要求时,应通过改变转向拉杆长度的方法进行调整。

图3-46 手扶拖拉机转向操纵机构(单位:mm)

1.转向拉杆 2.螺母 3.连接叉 4.销轴 5.转向手柄

(八)前轮前束的检查与调整

前轮前束的检查方法是:将拖拉机处在平坦地面,并使前轮处在直线行驶位置,在两前轮的最前部各做一记号,并测量两记号之间的距离,然后推动拖拉机,使前轮的两记号转至最后方,并测量两记号之间的距离。两记号在最后方的距离与两记号在最前方的距离之差,即为前轮前束值,如不符合要求,应进行调整。

调整方法如图3-47所示。松开转向横拉杆锁紧螺母2,转动横拉杆1,改变横拉杆长度进行调整。横拉杆增长,前束值变小,反之增大。各机型前束值见表3-1。

图3-47 前轮前束及前轮轴承间隙的调整

1.转向横杠杆 2.锁紧螺母 3.前轮轴承盖 4.槽形螺母 5.开口销

(九)前轮轴承间隙的检查与调整

前轮轴承间隙的检查的方法是将前轴支起使前轮离开地面,用双手把住车轮作轴向来回扳动,如有明显的游隙,即应调整。

前轮轴承间隙的调整方法见图3-47。卸下前轮轴承盖3,取下开口销,向里拧紧槽形调整螺母4,再将槽形螺母退回1/12~1/6圈。此时用手转动前轮轻便灵活;轴向扳动,无轴向游动即为调整合适。

(十)轮距的调整

为了适应农作物行距的要求,需要进行轮距的调整。例如东风-12型拖拉机驱动轮可调成580mm、640mm、740mm和800mm四种轮距。轮距的调整见图3-48。当轮辋的喇叭口朝外时(图3-48a),松开轮毂上的锁紧螺母5、定位螺钉4以及夹紧螺栓(图上未画出),将驱动轮沿驱动轮半轴移动,当定位螺钉对准驱动轮半轴外边的定位孔时,可得到800mm的轮距;当定位螺钉对准驱动轮半轴里边的定位孔时,可得到740mm的轮距(两定位孔之间的距离为30mm),一般在轮距调节时,左、右两边同时调节,故每次可改变轮距60mm);当轮辋的喇叭口朝里时,进行上述操作,则可得到580mm或640mm的轮距。改变轮辋喇叭口的朝向,可将螺母8拧下,卸下轮胎,然后左、右对调安装即可。轮距调节时,要注意保持轮胎花纹的尖头朝向拖拉机的前进方向。另外,还要注意将各螺母拧紧,以防松脱造成事故。

图3-48 轮距调节

a.最大轮距 b.最小轮距

1.轮胎 2.轮辋 3.轮毂 4.定位螺钉 5.锁紧螺母 6.驱动轮半轴 7.定位孔 8.螺母

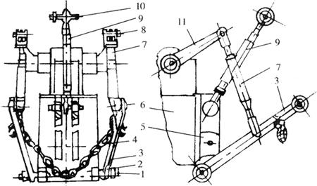
(十一)悬挂杆件的调整

悬挂机构的调整见图3-49。上拉杆支座上有两个孔,下拉杆的中部有前后两个孔,耕深在20cm时,应把上拉杆9安装在上拉杆支座5的下孔位置,提升杆7应连接在下拉杆3的前孔位置;耕深在16cm时,应把上拉杆连接在支座的上孔位置,提升杆连接在下拉杆的后孔位置。

图3-49 悬挂机构

1.下拉杆固定销 2.锁销 3.下拉杆 4.限位链 5.牵引板 6.变速箱体 7.提升杆 8.销轴 9.上拉杆 10.上拉杆连接销 11.外提升臂

上拉杆和提升杆中部是调节螺管。拧动调节螺管可改变上拉杆和左右提升杆的长度。改变上拉杆长度可调节农具的纵向水平;改变左右提升杆长度,可调节农具的横向水平。

限位链用来调节农具左右摆动量,犁地时限位链应调松些;中耕、播种时,应调紧些。

随便看

 

离鸟网收录3541549条中英文词条,其功能与新华字典、现代汉语词典、牛津高阶英汉词典等各类中英文词典类似,基本涵盖了全部常用中英文字词句的读音、释义及用法,是语言学习和写作的有利工具。

 

Copyright © 2004-2024 vtrois.com All Rights Reserved
更新时间:2026/4/8 6:06:25