室内外布线应避免由外部热源产生的有害影响;防止在使用过程中因水的侵入或因进入固体物而带来的损害;应防止外部的机械损害;在有大量灰尘的场所,还应避免由于灰尘聚集在布线上所带来的有害影响;且应避免由于强烈日光辐射而带来的损害。
布线方式的选择应遵循下列条件:
(1)符合场所的环境特征。
(2)符合建构筑物的特征。
(3)符合人与布线之间可接近的程度。
(4)应考虑短路可能出现的机械应力。
(5)在安装期间或运行中,布线可能遭受的其他应力(包括导线的自重)。
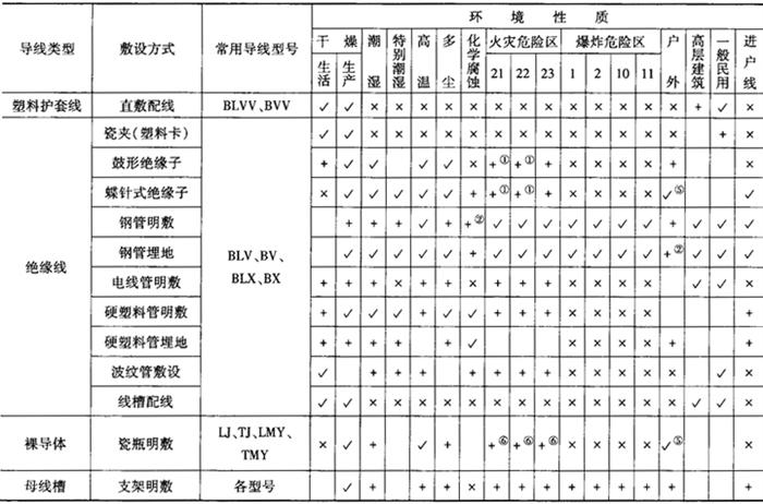
线路敷设方式按环境条件选择见表12-78。
表12-78 线路敷设方式按环境条件选择


注:表中“√”推荐使用,“+”可以采用,无记号建议不用,“×”不允许使用。
①应远离可燃物,且不应敷设在木质吊顶、墙壁及可燃液体管道栈桥上。
②应采用镀锌钢管并做好防腐处理。
③应采用铠装电缆。
④地沟内应埋沙并设排水措施。
⑤屋外架空用裸导体,沿墙用绝缘线。
⑥可用硬裸母线,但应连接可靠,尽量采用焊接;在21区和23区内,母线宜装防护罩,孔径不大于12mm,在22区内应有防尘罩。