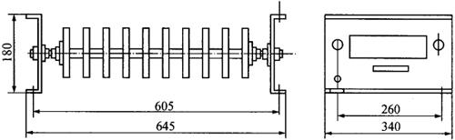
(1)ZX1、ZX2和ZX9电阻器的外形及安装尺寸见图1-132。

图1-132 ZX1、ZX2和ZX9电阻器的外形及安装尺寸
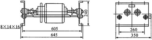
(2)ZX10和ZX15电阻器的外形及安装尺寸见图1-133。

图1-133 ZX10和ZX15电阻器的外形及安装尺寸
(3)ZX12和ZX28电阻器的外形及安装尺寸见图1-134。

图1-134 ZX12和ZX28电阻器的外形及安装尺寸
(4)RT电阻器的外形及安装尺寸见图1-135。

ZB型康铜板型元件电阻器

ZJ1型铁铬铝齿型元件电阻器

带防护外壳电阻器
图1-135 RT电阻器的外形及安装尺寸