网站首页  词典首页


请输入您要查询的字词:

 

字词 建筑物的定位和放线
类别 中英文字词句释义及详细解析
释义

建筑物的定位和放线


在建筑物的定位和放线过程中,普遍采用了全站仪。在使用全站仪的过程中,必须根据定位和放线的精度选择使用全站仪。

1.建筑物的定位

建筑物四周外廓主要轴线的交点决定了建筑物在地面上的位置,称为定位点或角点,建筑物的定位就是根据设计条件,将这些轴线交点测设到地面上,作为细部轴线放线和基础放线的依据。由于设计条件和现场条件不同,建筑物的定位方法也有所不同,下面介绍三种常见的定位方法。

(1)根据控制点定位

如果待定位建筑物的定位点设计坐标是已知的,且附近有高级控制点可供利用,可根据实际情况选用极坐标法、角度交会法或距离交会法来测设定位点。在这三种方法中,极坐标法通用性最强,是用得最多的一种定位方法。

(2)根据建筑方格网和建筑基线定位

如果待定位建筑物的定位点设计坐标是已知的,且建筑场地已设有建筑方格网或建筑基线,可利用直角坐标法测设定位点,当然也可用极坐标法等其他方法进行测设。但直角坐标法所需要的测设数据的计算较为方便,在使用全站仪或经纬仪和钢尺实地测设时,建筑物总尺寸和较大角的精度容易控制和检核。

(3)根据与原有建筑物和道路的关系定位

如果设计图上只给出新建筑物与附近原有建筑物或道路的相互关系,而没有提供建筑物定位点的坐标,周围又没有测量控制点、建筑方格网和建筑基线可供利用,可根据原有建筑物的边线或道路中心线,将新建筑物的定位点测设出来。

具体测设方法随实际情况的不同而不同,但基本过程是一致的,就是在现场先找出原有建筑物的边线或道路中心线,再用全站仪或经纬仪和钢尺将其延长、平移、旋转或相交,得到新建筑物的一条定位轴线,然后根据这条定位轴线,用经纬仪测设角度(一般是直角),用钢尺测设长度,得到其他定位轴线或定位点,最后检核四个大角和四条定位轴线长度是否与设计值一致。下面说明其具体测设的方法。

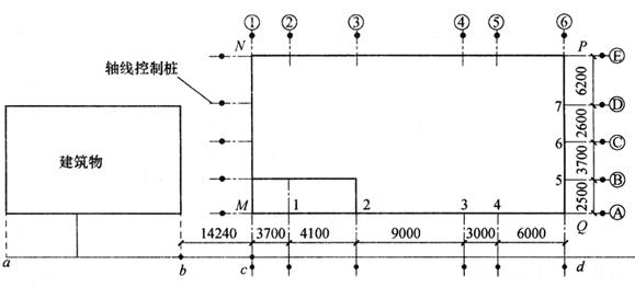
如图10-13所示,先用钢尺沿已有建筑物的东、西墙,延长一段距离l得a、b两点,用木桩标定。将经纬仪安置在a点上,照准b点,然后延长该方向线14.240m得c点,再继续沿ab方向从c点起量25.800m得d点,cd线就是用于测设拟建建筑物平面位置的建筑基线。

图10-13 建筑物的定位和放线

将经纬仪分别安置在c、d两点上,后视a点并转90°沿视线方向量出距离l+0.240m,得M、Q两点,再继续量出15.000m得N、P两点。M、N、P、Q四点即为拟建建筑物外轮廓定位轴线的交点。最后还要检查NP的距离是否等于25.800m,∠PNM和∠NPQ是否等于90°,误差分别在1/5000和40″之内即可。

2.建筑物的放线

建筑物的放线,是指根据现场上已测设好的建筑物定位点,详细测设其他各轴线交点的位置,并将其延长到安全的地方做好标志。然后以细部轴线为依据,按基础宽度和放坡要求用白灰撒出基础开挖边线。

(1)测设细部轴线交点

如图10-13所示,在M点安置经纬仪,照准Q点,把钢尺的零端对准M点,沿视线方向拉钢尺分别定出1,2,3,…各点,同理可定出其他各点。测设完最后一个点后,用钢尺检查各相邻轴线桩的间距是否等于设计值,误差应小于1/3000。

(2)引测轴线

在基槽或基坑开挖时,定位桩和细部轴线桩均会被挖掉,为了使开挖后各阶段施工能准确地恢复各轴线位置,应把各轴线延长到开挖范围以外的地方并作好标志,这个工作称为引测轴线,具体有设置龙门板和轴线控制桩两种形式。

1)龙门板法

①如图10-14所示,在建筑物四角和中间隔墙的两端,距基槽边线约2m以外,牢固地埋设大木桩,称为龙门桩,并使桩的一侧平行于基槽。

图10-14 龙门桩与龙门板

②根据附近水准点,用水准仪将±0.000标高测设在每个龙门桩的外侧上,并画出横线标志。如果现场条件不允许,也可测设比±0.000高或低一定数值的标高线,同一建筑物最好只用一个标高,如因地形起伏大用两个标高时,一定要标注清楚,以免使用时发生错误。

③在相邻两龙门桩上钉设木板,称为龙门板。龙门板的上沿应和龙门桩上的横线对齐,使龙门板的顶面标高在一个水平面上,并且标高为±0.000,或比±0.000高或低一定的数值,龙门板顶面标高的误差应在±5mm以内。

④根据轴线桩,用经纬仪将各轴线投测到龙门板的顶面,并钉上小钉作为轴线标志,称为轴线钉,投测误差应在±5mm以内。对小型的建筑物,也可用拉细线绳的方法延长轴线,再钉上轴线钉,如事先已打好龙门板,可在测设细部轴线的同时钉设轴线钉,以减少重复安置仪器的工作量。

⑤用钢尺沿龙门板顶面检查轴线钉的间距,其相对误差不应超过1/3000。

恢复轴线时,将经纬仪安置在一个轴线钉上方,照准相应的另一个轴线钉,其视线即为轴线方向,往下转动望远镜,便可将轴线投测到基槽或基坑内。也可用细线绳将相对的两个轴线钉连接起来,借助于垂球,将轴线投测到基槽或基坑内。

2)轴线控制桩法

由于龙门板需要较多木料,而且占用场地,使用机械开挖时容易被破坏,因此也可以在基槽或基坑外各轴线的延长线上测设轴线控制桩,作为以后恢复轴线的依据。即使采用了龙门板,为了防止被碰动,对主要轴线也应测设轴线控制桩。

轴线控制桩一般设在开挖边线4m以外的地方,并用水泥砂浆加固。最好是附近有固定建筑物或构筑物,这时应将轴线投测在这些物体上,使轴线更容易得到保护,但每条轴线至少应有一个控制桩是设在地面上的,以便今后能安置经纬仪来恢复轴线。

(3)撒开挖边线

先按基础剖面图给出的设计尺寸,计算基槽的开挖宽度2d,如图10-15所示。

图10-15 基槽宽度

d=B+mh

式中 B——基底宽度,可由基础剖面图查取;

h——基槽深度;

m——边坡坡度的分母。

根据计算结果,在地面上以轴线为中线往两边各量出d,拉线并撒上白灰,即为开挖边线。如果是基坑开挖,则只需按最外围墙体基础的宽度、深度及放坡确定开挖边线。

随便看

 

离鸟网收录3541549条中英文词条,其功能与新华字典、现代汉语词典、牛津高阶英汉词典等各类中英文词典类似,基本涵盖了全部常用中英文字词句的读音、释义及用法,是语言学习和写作的有利工具。

 

Copyright © 2004-2024 vtrois.com All Rights Reserved
更新时间:2026/4/9 2:11:43