网站首页  词典首页


请输入您要查询的字词:

 

字词 微动开关
类别 中英文字词句释义及详细解析
释义

微动开关


1.适用范围

微动开关适用于交流50Hz/60Hz,电压至380V,直流电压至220V的控制线路中,用于机械、纺织、电子仪器等机械设备的行程控制保护和联锁之用。

2.常用微动开关型号及主要技术参数

常用微动开关型号及主要技术参数见表1-152。

表1-152 常用微动开关型号及主要技术参数

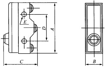
3.外形及安装尺寸

外形及安装尺寸见图1-111和表1-152。

图1-111 常用微动开关外形和安装尺寸

表1-152 常用微动开关外形和安装尺寸/mm

随便看

 

离鸟网收录3541549条中英文词条,其功能与新华字典、现代汉语词典、牛津高阶英汉词典等各类中英文词典类似,基本涵盖了全部常用中英文字词句的读音、释义及用法,是语言学习和写作的有利工具。

 

Copyright © 2004-2024 vtrois.com All Rights Reserved
更新时间:2026/4/8 11:57:31