网站首页  词典首页


请输入您要查询的字词:

 

字词 扣件式钢管脚手架
类别 中英文字词句释义及详细解析
释义

扣件式钢管脚手架


扣件式钢管脚手架,是在建筑、桥梁、水利等工程中应用最广泛、使用量最大的脚手架。其装拆方便、搭设灵活,能适应建筑物平面及高度的变化;承载力大、搭设高度高、坚固耐用、周转次数多;加工简单、维修容易、摊销费用低、比较经济。但是,一次性投资比较大、扣件容易丢失和损坏、螺栓的紧固程度差异较大、节点在力作用线之间有偏心等缺点。

(一)扣件式钢管脚手架的基本组成

扣件式钢管脚手架,主要由钢管、扣件、底座、脚手板和安全网等组成,如图4-1所示。

图4-1 扣件式钢管脚手架的构造

1-垫板;2-底座;3-外立杆(柱);4-内立杆(柱);5-纵向水平杆;6-横向水平杆;7-纵向扫地杆;8-横向扫地杆;9-横向斜撑;10-剪刀撑;11-抛撑;12-旋转扣件;13-直角扣件;14-水平斜撑;15-挡脚板;16-防护栏杆;17-连墙固定件;18-柱距;19-排距;20-步距

1.钢管

钢管一般采用直径为48mm、壁厚3.5mm的焊接钢管或无缝钢管,也可用外径50~51mm、壁厚3~4mm的焊接钢管。根据钢管在脚手架中的位置和作用不同,钢管则可分为立杆、纵向水平杆、横向水平杆、连墙杆、剪刀撑、水平斜拉杆、纵向水平扫地杆和横向水平扫地杆等,它们各自的作用如下:

(1)立杆。立杆是脚手架中的主要受力杆件,它平行于建筑物并垂直于地面,是把脚手架的全部荷载传递给基础的受力杆件。

(2)纵向水平杆。纵向水平杆平行于建筑物并在纵向水平连接各根立杆,是承受并传递荷载给立杆的受力杆件。

(3)横向水平杆。横向水平杆垂直于建筑物并在横向水平连接内外排立杆,也是承受并传递荷载给立杆的受力杆件。

(4)连墙杆。连墙杆可以将脚手架与建筑物连接起来,是一种既要承受并传递荷载,又可以防止脚手架横向失稳的杆件。

(5)剪刀撑。剪刀撑是设在脚手架外侧面并与墙面平行的十字交叉斜杆,主要可以增强脚手架的纵向刚度,防止脚手架产生纵向倾覆。

(6)水平斜拉杆。水平斜拉杆是设在有连墙杆的脚手架内、外排立杆间的步架平面内的杆件,一般呈“之”字形布置,主要用于增强脚手架的横向刚度。

(7)纵向水平扫地杆。纵向水平扫地杆连接在纵向立杆的下端,是距底座下皮200mm处的纵向水平杆,起着约束立杆底端在纵向发生位移的作用。

(8)横向水平扫地杆。横向水平扫地杆连接在立杆的下端,是位于纵向水平扫地杆上方处的横向水平杆,起着约束立杆底端在横向发生位移的作用。

2.扣件

扣件式钢管脚手架的扣件,是钢管与钢管之间的连接件,有直角扣件、旋转扣件和对接扣件三种基本形式,如图4-2所示。直角扣件用于两根钢管呈垂直交叉的连接,旋转扣件用于两根钢管呈任意角度的交叉连接,对接扣件用于两根钢管的对接连接。

图4-2 扣件的基本形式

(a)直角扣件;(b)旋转扣件;(c)对接扣件

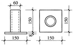
3.底座

底座设在立杆的下端,是用于承受并传递立杆荷载给地基的配件。立杆底端立于底座之上,不仅可以防止立杆压入地基造成脚手架失稳,而且可以将荷载均匀地传给地基。底座可用钢管与钢板焊接,也可用铸铁制成,如图4-3所示。

图4-3 底座

4.脚手板

脚手板是提供施工操作条件并承受和传递荷载纵横水平杆的板件,当设于非操作层时,还可以起到安全防护的作用。脚手板一般用竹、木、钢等材料制成。

5.安全网

安全网是高空施工中不可缺少的安全设施,在建筑工程施工中,安全网有立网和平网两种,这是保证施工安全和减少灰尘、噪声和光污染的措施之一。

(二)扣件式钢管脚手架的构造要点

根据建筑工程施工中的具体要求,扣件式钢管外脚手架分为单排和双排两种搭设方案。

1.单排脚手架

单排脚手架仅在外侧设有立杆,其横向水平杆的一端与纵向水平杆或立杆相连接,另一端则搁置在内侧的墙体上。由于单排脚手架的整体刚度较差、承载能力较低,所以不适用于下列情况:(1)墙体厚度小于或等于180mm;(2)建筑物的高度超过24m;(3)空斗砖墙、加气砌块墙等轻质墙体;(4)砌筑砂浆强度等级小于或等于M1.0的墙体。

2.双排脚手架

双排脚手架一般搭设高度不超过50m,当需要超过50m时则应分段进行搭设,或采用双立杆等构造措施,并需要经过承载力和刚度的校核计算。

(1)立杆的构造要求

立杆的横向间距一般为0.9~1.5m、纵向间距一般为1.2~2.0m。立杆接长除顶层可采用搭接外,其余各层必须用对接扣件进行对接;两相邻立杆的接头位置不应设在同一步距内,同步距内隔一根立杆的两个相隔接头在高度方向应错开的距离不小于500mm;对接扣件应尽量靠近中心节点,中心节点是指立杆、纵向水平杆和横向水平杆的交点,其偏差中心节点的距离宜小于步距的1/3,如图4-4所示;立杆与纵向水平杆必须用直角扣件扣紧,不得隔步设置或遗漏;立杆顶端应高出女儿墙上皮1.0m,高出檐口上皮高度1.5m;每根立杆下面均应设置底座或垫块。

图4-4 立杆纵向水平杆的接头位置

1-立杆;2-纵向水平杆;3-剪刀撑;4-接头

为保证立杆的稳定性,立杆必须用刚性固定件与建筑物可靠连接,刚性固定件的布置间距,宜按表4-1中的数值采用。固定件可以采用菱形、方形、矩形布置,无论采用何种布置形式,其固定件均必须从第一纵向水平杆处开始设置。

表4-1 固定件的布置间距

双排脚手架立杆的杆距、排距和最大架设高度,可参考表4-2选用。当工程所需的脚手架高度大于表中的最大架设高度时,可由上向下计,在等于最大架设高度的以下部位,采用双立杆或其他加固措施。

表4-2 双排脚手架构造尺寸与最大架设高度

注:1.双排脚手架采用直径48mm、壁厚3.5mm的扣件式钢管。

2.最大架设高度Hmak是按脚手架自重+施工荷载+一层冲压钢脚手板的自重计算而得。

3.当脚手架上有多层脚手架时,不同步距的最大架设高度值应乘以调整系数mh后取用,步距为1.35m时,mh=0.96n;步距为1.80m时,mh=0.92n;步距为2.00m时,mh=0.90n。n为增加的脚手板层数。

(2)纵向水平杆的构造要求

纵向水平杆也称为大横杆,设置于横向水平杆和立杆的内侧,其长度不少于三跨;用直角扣件与立杆扣紧,其步距一般为1.2~1.8m。上下横杆的接头位置应错开布置,不应设在同一步距内,其相邻接头的水平距离应大于或等于500mm,且接头位置与相邻立杆的距离应小于或等于1/3的纵杆距离,如图4-4所示。

(3)横向水平杆的构造要求

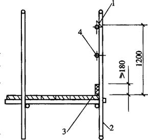
横向水平杆也称为小横杆,在每一立杆的节点处必须设置一根横向水平杆,并搭接于纵向水平杆之上用直角扣件扣紧。在双排脚手架中,靠墙一侧的外伸长度应小于或等于500mm;操作层上中间节点处的横向水平杆,宜按脚手板的需要等间距设置,但最大间距应小于或等于1/2立杆的距离;单排脚手架的横向水平杆插入墙内的长度应大于或等于180mm。

(4)剪刀撑的构造要求

剪刀撑是保证脚手架整体稳定性的支撑体系。双排脚手架的支撑体系由剪刀撑、横向斜撑组成,单排脚手架的支撑体系由剪刀撑组成。在设置剪刀撑时应符合下列规定:①当单、双排脚手架的高度小于或等于24m时,中间每隔15m设置一道剪刀撑,如图4-5所示,其他应大于或等于4跨,且大于或等于6m,斜杆与地面间的倾角为45°~60°;②当双排脚手架高度大于24m时,剪刀撑应在外侧立面整个长度上连续设置,每道剪刀撑跨越立杆的根数应按表4-3中的规定。

图4-5 剪刀撑的布置示意图

表4-3 剪刀撑跨越立杆的最多根数

剪刀撑应用旋转扣件与立杆或横向水平杆的伸出端扣牢,连接点距脚手架的节点不应大于150mm;剪刀撑钢管的接长,应当采用搭接的方法,其搭接长度不小于1m,并用不少于两个旋转扣件扣牢。

(5)连墙杆的构造要求

在一般情况下,脚手架的承载力主要取决于连墙杆的布置形式和间距大小。在建筑工程施工中,脚手架出现倒塌事故的原因,大多数是因连墙杆设置数量不足或随意拆除而引起的,连墙杆的设置数量和间距除满足设计要求外,还应符合表4-4中的规定。

表4-4 连墙杆布置的最大间距

注:h为步距,l为纵向距离。

连墙杆必须采用可承受拉力和压力的构造,采用拉筋必须采用顶撑,顶撑应可靠顶在混凝土圈梁、柱等结构部位;高度超过24m的双排脚手架连墙杆必须采用刚性连接,如图4-6所示。

图4-6 连墙杆的连接形式

1-两只扣件;2-两根短管;3-铁丝与墙内埋设的钢环拉结

(6)水平斜拉杆的构造要求

水平斜拉杆设置在有连墙杆的步架平面内,为有效增强其横向稳定性,这种杆件一般应呈“之”字形布设,并将它们首尾相接起来。

(7)护栏和挡脚板的构造要求

为保证施工人员在脚手架上安全操作,防止脚手板的物品下落伤人,在脚手架的操作层处,必须设置高度1.2m的防护栏杆和高0.18m的挡脚板。护栏由上栏杆、外立杆和中栏杆组成,搭设在外排立杆的内侧;挡脚板设置在外排立杆内侧、脚手板的上面,其构造如图4-7所示。

图4-7 栏杆与挡脚板构造

1-上栏杆;2-外立杆;3-挡脚板;4-中栏杆

(8)脚手板的构造要求

脚手板一般均应采用三支点进行支承,即设置在三根横向水平杆上。当脚手板的长度小于2m时,可采用两支点支承,但应将其两端固定,以防止产生倾覆事故;两块脚手板之间宜采用对接平铺,其支点处外伸长度a应大于100mm、小于150mm(图4-8a);当采用搭接铺设时,其搭接长度应大于或等于200mm(图4-8b);自顶层操作层向下计,宜每隔12m满铺一层脚手板;铺设的作业层脚手板应当铺满、铺稳、铺牢,离开墙的距离宜为120~150mm。

图4-8 脚手板对接与搭接示意图

(a)脚手板对接;(b)脚手板搭接

(三)扣件式钢管脚手架搭设与拆除

1.扣件式钢管脚手架的搭设

(1)搭设前的准备工作

1)不同的建筑工程采用不同的脚手架,它们具有不同的结构和具体要求,因此,单位工程负责人应按施工组织设计中有关脚手架的要求,向脚手架的架设和使用人员进行技术交底。

2)为确保搭设脚手架的质量,在正式搭设前应按规范规定和施工组织设计的要求,对所用钢管、扣件、脚手板等进行检查验收,不合格产品不得用于工程。

3)经检验合格的脚手架构配件,应按品种、规格进行分类,并做到堆放整齐、平稳、使用方便,堆放场地不得高低不平,不得有积水,最好堆放在仓库和料棚内。

4)应对搭设脚手架的施工现场进行认真准备,如平整搭设场地、清理场地杂物、检测搭设处地基的压实度、开挖排水沟等。

5)当脚手架基础下有设备基础、管沟时,在脚手架搭设前最好将其埋设完成,在脚手架使用过程中不得进行开挖,否则必须采取加固措施。

(2)地基与基础的处理

脚手架的自重及其上面的施工荷载均由脚手架基础传至地基。为使脚手架保持稳定,不产生过大的下沉,保证其牢固和安全,必须对其基础进行处理,使其有一个牢固可靠的脚手架基础。

1)脚手架地基与基础的施工,必须根据脚手架的搭设高度、搭设场地土质情况与现行国家标准的有关规定进行。

2)为防止施工场地地表水经常浸泡脚手架,脚手架底座的底面标高宜高于自然地坪150~200mm。

3)当脚手架的搭设高度超过50m时,必须根据工程表面地质情况,进行脚手架基础的具体设计。

4)严禁将脚手架架设在深基础外侧的填土层上,当不可避免时应当进行加固处理。

5)在脚手架的外侧应当设置排水沟,以防止雨季积水浸泡地基,使脚手架产生不均匀下沉,从而引起脚手架的倾斜变形。

6)架设脚手架的基础必须经有关人员验收,合格后按施工组织设计的要求放线定位。

(3)脚手架的搭设要点

1)杆件搭设的顺序:放置纵向水平扫地杆→逐根树立起立杆(随即与扫地杆扣紧)→安装横向扫地杆(随即与立杆或纵向水平扫地杆扣紧)→安装第一步纵向水平杆(随即与各立杆扣紧)→安装第一步横向水平杆→安装第二步纵向水平杆→安装第二步横向水平杆→加设临时斜撑杆(上端与第二步纵向水平杆扣紧,在装设两道连墙杆后可将其拆除)→安装第三、四步纵横向水平杆→安装连墙杆、接长立杆→加设剪刀撑→铺设脚手板→挂安全网……

2)脚手架的搭设必须根据建筑物的施工进度进行,一次搭设高度不应超过相邻连墙杆以上二步。

3)为确保脚手架的搭设质量和施工安全,每搭设完一步脚手架后,应按施工规范校正步距、纵距、横距及立杆垂直度,完全合格后才能进行下一步搭设。

4)底座、垫板均应准确地放在定位线上;垫板应当采用长度不少于2跨、厚度不小于50mm的木垫板,也可采用适宜的槽钢。

5)在立杆搭设中严禁将外径48mm与51mm的钢管混合使用;在开始搭设立杆时,应每隔6跨设置一根抛撑,直至连墙杆安装稳定后,才能根据实际情况拆除。

6)当搭设至有连墙杆的构造点时,在搭设完该处的立杆、纵向水平杆和横向水平杆后,应立即设置连墙杆;连墙杆的数量、位置要正确,连接要牢固,无松动现象。拧紧扣件后,使连墙杆不得过松或过紧。

7)纵向水平杆搭设在封闭型脚手架的同一步中,纵向水平杆应当四周交圈,并用直角扣件与水平杆进行固定。

8)单排脚手架的横向水平杆的设置应符合规范要求,不应设置在下列部位:设计上不允许留脚手眼的部位;过梁上与过梁两端成60°角的三角形范围内及过梁净跨度1/2的高度范围内;宽度小于1m的窗间墙;梁或梁垫下及其两侧各500mm的范围内;砖砌体的门窗洞口两侧200mm和转角处450mm的范围内,其他砌体的门窗洞口两侧300mm和转角处600mm的范围内;独立或附墙的砖柱。

9)剪刀撑、横向斜撑应当随着立杆、纵向水平杆和横向水平杆等同步搭设,各底层斜杆的下端均必须支承在垫块或垫板上。

10)在搭设脚手架时,所用的扣件规格必须与钢管外径(48mm或51mm)相同,螺栓必须确实拧紧。不得使用规格不相符的扣件连接杆件。

11)在主节点处固定横向水平杆、纵向水平杆、剪刀撑、横向斜撑等用的直角扣件、旋转扣件的中心点的相互距离不应大于150mm,对接扣件的开口应朝上或朝内。

12)为确保杆件连接可靠牢固,各杆件端头伸出扣件盖板边缘的长度不应小于100mm。

2.扣件式钢管脚手架的拆除

(1)脚手架拆除时应划出工作区标志和设置围栏,并派专人负责警戒,严禁行人进入施工现场。拆除作业必须由上而下逐层进行,严禁上下层同时作业。

(2)在脚手架拆除时,应当加强领导、统一指挥、上下呼应、动作协调,当解开与另一个人安全有关的结扣时,应当预先告知对方,防止出现坠落伤人事故。

(3)连墙杆必须随着脚手架逐层拆除,严禁先将连墙杆整层或数层拆除后再拆脚手架;分段拆除的高差不应大于2步,如果高差大于2步时,应增设连墙杆加固;当脚手架拆至下部最后一根长立杆的高度时,应先在适当位置搭设临时抛撑加固后,再拆除连墙杆。

(4)当脚手架采取分段、分立面拆除时,对于不拆除的脚手架两端,应先按规范规定设置连墙杆和横向斜撑加固。

(5)脚手架拆下的各种杆件和配件,必须配吊具将它们送至地面,严禁抛掷至地面。

(6)运至地面的各种构配件,应当立即运送到规定地点,及时进行检查、整修与保养,并按品种、规格进行码堆存放。

随便看

 

离鸟网收录3541549条中英文词条,其功能与新华字典、现代汉语词典、牛津高阶英汉词典等各类中英文词典类似,基本涵盖了全部常用中英文字词句的读音、释义及用法,是语言学习和写作的有利工具。

 

Copyright © 2004-2024 vtrois.com All Rights Reserved
更新时间:2026/4/8 15:52:45