网站首页  词典首页


请输入您要查询的字词:

 

字词 扩散洗涤器
类别 中英文字词句释义及详细解析
释义

扩散洗涤器


1.概述

扩散洗涤器的洗涤原理是置换作用,所以也称之为“置换洗涤器”,是瑞典卡米尔公司发明的一种新型的洗浆设备。通常设在连续蒸煮器的高温洗涤之后作为最后洗涤用。在许多国家已取代或部分取代了传统的洗浆机。扩散洗涤器也用于多段漂白中浆料的洗涤。虽然由于使用地点的不同,设备结构有所区别,但主要结构是相同的。

2.置换洗涤器的结构

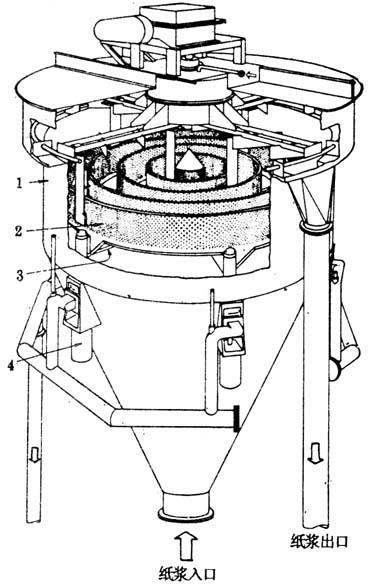
它是由6个同心圆筒和1个中心圆筒所组成,每个圆筒的内外表面都装有筛板,筛板上有许多直径为1.7mm的小孔,这些环状筛借助于6个中空的臂支撑着,每个臂的末端都装有1个圆筒,滤液通过筛板、筛环,6个中空的臂和圆筒回收至滤液槽内,洗涤水从刮板中央顶部的分配箱加入,通过中空的刮板臂,再经喷嘴喷到浆内,喷嘴以7.5~10r/min的速度在浆内慢慢地转动,置换出浆中的黑液,黑液通过滤环夹层排出,纸浆进入各夹层滤环之间,并与滤环同速上升,由于不断进行着置换与过滤,在滤板上形成均匀的浆层,滤环上升到顶部后便完成过滤作用,此时过滤环以0.3~0.8s的速度下降。使浆层与过滤板之间产生剪切作用,使粘附在滤板上的浆料脱落下来,滤孔也被擦洗干净又重复进行洗涤,洗后浆由顶部刮板刮到溢流槽通过管路送到贮浆池。图6-4-17是洗涤粗浆用的单段置换洗涤器结构。

图6-4-17 置换洗涤器

1-壳体 2-筛环 3-径向排液臂 4-液压缸

3.主要技术参数

表6-4-21 置换洗涤器的主要技术参数

4.置换洗涤器的优缺点

①设备全部密封,洗浆时不与空气接触,几乎不产生泡沫,也不会散发臭味,故可不装排风装置,不用消泡器。

②洗涤效率高,稀释因子为2~3h,洗涤效率为90%以上。

③电耗低。

④和连续蒸煮器配用,流程上可不设喷放锅和送料泵,流程简化,便于实现遥控和计算机控制。

⑤和真空洗浆机组相比,设备本身价格高,但工程总投资可低30%。

⑥滤网上下往复运动的油压自控系统比较杂复,一旦局部产生故障就会影响整个系统的运行。

扩散洗涤器在国外已用得很成功,但国内尚无此设备,特别是用于草浆,尚需通过实践认识。

随便看

 

离鸟网收录3541549条中英文词条,其功能与新华字典、现代汉语词典、牛津高阶英汉词典等各类中英文词典类似,基本涵盖了全部常用中英文字词句的读音、释义及用法,是语言学习和写作的有利工具。

 

Copyright © 2004-2024 vtrois.com All Rights Reserved
更新时间:2026/4/8 9:37:59