网站首页  词典首页


请输入您要查询的字词:

 

字词 接触器的选用、安装和维护
类别 中英文字词句释义及详细解析
释义

接触器的选用、安装和维护


接触器是一种自动化的控制电器。主要用于频繁接通或分断交、直流电路,具有控制容量大,可远距离操作,配合继电器可以实现定时操作、联锁控制、各种定量控制和失压及欠压保护,广泛应用于自动控制电路,其主要控制对象是电动机,也可用于控制其他电力负载,如电热器、照明、电焊机、电容器组等。

接触器按被控电流的种类可分为交流接触器和直流接触器。交流接触器又可分为电磁式和真空式两种。

1.交流接触器的选用

(1)交流接触器选用:交流接触器主回路触点的额定电流应大于或等于被控设备的额定电流,控制电动机的接触器还应考虑电动机的起动电流。为了防止频繁操作的接触器主触点烧蚀,频繁动作的接触器额定电流可降低使用。

根据接触器的实际使用类别选用相应的接触器类别,再根据接触器控制对象的工作参量(如工作电压、工作电流、控制功率、操作频繁和工作制等)确定接触器的容量等级。交流接触器的负载分为电动机负载与非电动机负载。

①电动机负载时的正确选用:电动机负载分为一般任务、重任务和特重任务三类。

a.一般任务主要运行AC-3使用类别,选用交流接触器的额定电流和额定电压大于或等于电动机的额定电流和额定电压即可。

b.重任务主要运行于包括90%AC-3和10%以上AC-4或50%AC-1和50%AC-2的混合使用类别,重任务不时点动、反接制动、反向和在低速下分断,或动作频率可达100次/h甚至更高,电机功率一般在20kW以下,可按电机额定电流3~4倍来选择,其寿命可按交流四线制类别的5~10倍粗略计算。

c.特重任务主要运行于100%AC-4或100%的AC-2的使用类别,特重任务频繁点动、反接制动和可逆运行,其动作频率可达600~1200次/h甚至3000次/h,应特别注意选用较高使用寿命的接触器。应用时,可粗略以电机的起动电流作为接触器的额定电流来选择。

②非电动机负载时的正确选用控制:非电动机类负载一般有电热设备、照明装置、电焊变压器、电容器等。

a.电热设备有电阻炉、调温加热器等,一般负载的电流波动范围很小,选用使用类别AC-1,接触器的约定发热电流等于或大于电热设备的工作电流1.2倍即可。

b.照明装置的类型很多,有白炽灯、混合照明灯、荧光灯、金属卤素灯等,不同类型的照明装置,起动电流和起动时间也不一样,选用使用类别AC-5a或AC-5b,如起动时间短,接触器的约定发热电流等于或大于电热设备的工作电流1.1倍即可。如起动时间稍长,可选择约定发热电流更大一些。

c.电焊变压器一般应按使用类别AC-6a,额定工作电流不小于变压器的额定工作电流选用。

d.电容器一般应按使用类别AC-6b,额定工作电流不小于电容器的额定工作电流选用。

2.直流接触器的选用

每个系列直流接触器都是按其主要用途进行设计的,提供的重要技术数据是根据不同使用要求的性能经过试验考核的。

在选用直流接触器时,首先要对其使用场合和控制对象的工作参数有全面了解,例如对控制功率、工作电压、电流、操作频率、工作制、控制电路参数和环境条件等。然后,再从适合其用途的各种系列接触器中确定选用的接触器型号和规格。

直流接触器的主要用途可分为控制电动机和电磁铁两大类。

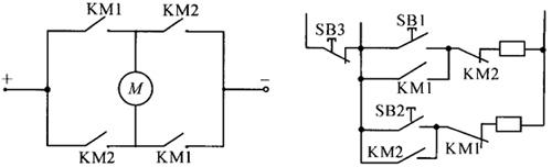
(1)控制直流电动机单相运转:直流接触器控制直流电动机单向运转的接线图见图1-33。按下起动按钮SB1,接触器的操作线圈KM得电,主触头KM闭合,辅助常开触头KM闭合自保,电动机M运转。如按下停止按钮SB2,线圈KM失电,电动机M停转。

图1-33 直流电动机单向运转接线图

(2)控制直流电动机正反转:其接线图见图1-34。按下正转按钮SB1,正转接触器主触头KM1闭合,电动机M上端接“+”、下端接“-”、朝正向转动;按下停止按钮SB3,主触头KM1断开,电动机停转;再按下反转按钮SB2反转接触器主触头KM2闭合,电动机M上端接“-”、下端接“+”,朝反方向转动。常闭辅助触头KM2和KM1是起电气连锁的作用,防止正反转两只接触器KM1和KM2同时闭合而造成电源短路的事故。除了电气连锁之外,一般为了更加安全起见,还同时加装机械连锁。但即使装有机械和电气双重连锁,在突然反转的控制中(如图1-34,先按SB2,后按SB3),如正转接触器KM1的燃弧时间太长,在电弧未熄灭时反转接触器KM2已经接通,同样也会造成电源短路。故选用控制电动机正反转的直流接触器时,应查阅有关技术数据,进行分析和验算。如存在电源短路的危险,则严禁突然反转控制,不然就要在正反转控制电路中增加中间继电器或延时继电器的环节。

图1-34 直流电动机正反转接线图

(3)注意事项:

①选用时,首先要弄清电动机实际运行时的主要技术参数。接触器的额定电压、额定电流(或额定控制功率)均不得低于电动机的相应值。应用于反复短时工作制或短时工作制时,接触器的额定发热电流应不低于电动机实际运行的等效有效电流,接触器的额定操作频率也不应低于电动机实际运行的操作频率。

②必须了解电动机的使用类别,再选择有该使用类别技术数据的接触器系列。若接触器提供有DC-2使用类别的技术数据,当需要用于DC-3或DC-2、DC-3混合使用时,则可按降低约一半容量选用。同理,有DC-4技术数据的接触器,如用于DC-5或DC-4、DC-5混合使用时,也可降容选用。但不宜将只有DC-2技术数据而无DC-4或DC-5使用类别的接触器用于DC-4或DC-5使用场合中,因为这有可能会出现不能分断甚至发生短路的事故。例如CZ0系列直流接触器只提供DC-2的技术数据,DC-2的电寿命为30万次,但对于额定电流在150A及以下的CZ0接触器用于DC-5使用类别时,很快就会发生短路事故。不过,同样是CZ0系列,但对于额定电流在250A及以上的接触器,则可用DC-3、DC-4或DC-5使用类别中,只要适当降低电寿命次数和操作频率即可。

③由于直流接触器存在临界电流的问题。故降容使用时要特别注意电路中不应要求接触器分断低于其额定电流的20%的电流值。现生产的串联磁吹式直流接触器的额定电流最小为40A(CZ0、CZ18系列),为了扩大其使用范围,避免出现分断不开的临界电流问题,40A接触器的串联磁吹线圈的额定电流有20、10和5A(CZ0-40的还有2.5和1.5A)。对于额定电流小于40A的电动机,应选用串联磁吹线圈额定电流略大于电动机额定电流的接触器,建议选用永久磁铁磁吹式直流接触器可以较好地解决临界电流的问题,对于某些用整流装置,特别是用晶闸管整流装置,对直流电动机进行控制的场合,选用控制电流电压为交流操作的CZ21-16或CZ22-63直流接触器来取代传统的直流操作的直流接触器,可以简化控制线路和节省直流控制电源(包括变压器、整流器等)的费用。

3.接触器的安装

(1)接触器安装前应注意如下事项:

①检查产品的铭牌及线圈上的数据(如额定电压、电流、操作频率和负载因数等)是否符合实际使用要求。

②用于分合接触器的活动部分,要求产品动作灵活无卡住现象。

③当接触器铁芯极面涂有防锈油时,使用前应将铁心极面上的防锈油擦净,以免油垢黏滞而造成接触器断电不释放。

④检查和调整触头的工作参数(开距、行程、初压力和终压力等),并使各极触头同时接触。

(2)接触器的安装与调整应注意如下事项:

①装接线时,应注意勿使螺钉、垫圈、接线头等零件遗漏,以免落入接触器内造成卡住或短路现象。安装时,应将螺钉拧紧,以防振动松脱。

②检查接线正确无误后,应在主触头不带电的情况下,先使吸引线圈通电分合数次,检查产品动作是否可靠,然后才能投入使用。

③用于可逆转换的接触器,为保证联锁可靠,除装有电气连锁外,还应加装订装机械连锁机构。

4.接触器的运行和维护

①接触器运行中应注意如下事项:

a.通过的负荷电流是否在接触器额定值之内。

b.接触器的分合信号指示是否与电路状态相符。

c.运行声音是否正常,有无因接触不良而发出的放电声。

d.电磁线圈有无过热现象,电磁铁的短路环有无异常。

e.灭弧罩有无松动和损伤情况。

f.辅助触点有无烧损情况。

g.传动部分有无损伤。

②维护:在电气设备进行维护工作时,应一并对接触器进行维护工作。

a.清扫外部灰尘。

b.检查各紧固件是否松动,特别是导体连接部分,防止接触松动而发热。

c.检查动、静触点位置是否对正,三相是否同时闭合,如有问题应调节触点弹簧;如是真空接触器,每半年检查一次真空管的开距和超距。

d.检查触点磨损程度,磨损深度不得超过1mm,触点有烧损,开焊脱落时,须及时更换;轻微烧损时,一般不影响使用。清理触点时不允许使用砂纸,应使用整形锉。

e.测量相间绝缘电阻,阻值不低于10MΩ。

f.检查辅助触点动作是否灵活,触点行程应符合规定值,检查触点有无松动脱落,发现问题时,应及时修理或更换。

g.清扫灰尘,特别是运动部件及铁芯吸合接触面之间。

h.检查铁芯的紧固情况,铁芯松散会引起运行噪音加大。

i.铁芯短路环有脱落或断裂要及时修复。

j.测量线圈绝缘电阻。

k.线圈绝缘物有无变色、老化现象,线圈表面温度不应超过65°C。

1.检查线圈引线连接,如有开焊、烧损应及时修复。

m.检查灭弧罩或真空灭弧管是否破损。

n.灭弧罩位置有无松脱和位置变化。

o.清除灭弧罩缝隙内的金属颗粒及杂物。

随便看

 

离鸟网收录3541549条中英文词条,其功能与新华字典、现代汉语词典、牛津高阶英汉词典等各类中英文词典类似,基本涵盖了全部常用中英文字词句的读音、释义及用法,是语言学习和写作的有利工具。

 

Copyright © 2004-2024 vtrois.com All Rights Reserved
更新时间:2026/4/8 14:22:06