网站首页  词典首页


请输入您要查询的字词:

 

字词 无水硫酸钠
类别 中英文字词句释义及详细解析
释义

无水硫酸钠


别名 元明粉

分子式 Na2SO4 分子量142.05

性能 白色均匀细颗粒粉末,无臭,无味,相对密度2.671,熔点884.7℃,溶于水和甘油,不溶于乙醇。硫酸钠吸湿性强,在空气中会吸收1mo1水。

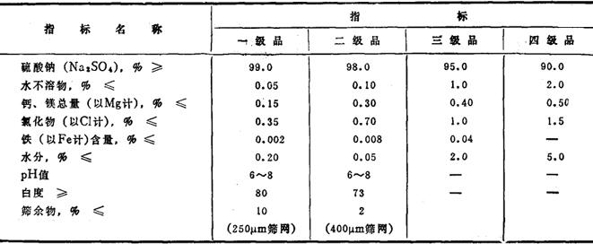
质量规格 DB6009-85

用途 用作洗衣粉的助剂,也用于造纸、合成纤维、印染等工艺。

国内生产厂 四川新建化工厂、云南一平浪盐矿、陕西西安元明粉厂、甘肃会宁化工厂、宁夏阿右旗通湖硝厂、新疆哈密地区化工厂、江西盐矿、新疆柴家湖化工厂、山东羊口盐厂、天津塘沽盐场第一化工厂、天津汉沽盐场、山西运城盐化局、内蒙二连市盐化厂、辽宁旅大盐务局、黑龙江满州里化工厂、山西运城介州化工厂、山西运城底张化工厂、四川眉山芒硝厂、新疆七泉湖化工厂、新疆七角井盐化总厂、内蒙古白子王旗硝矿加工厂、湖南株洲选矿药剂厂、上海东海化工厂、北京有机化工厂和辽宁大连染料厂等

随便看

 

离鸟网收录3541549条中英文词条,其功能与新华字典、现代汉语词典、牛津高阶英汉词典等各类中英文词典类似,基本涵盖了全部常用中英文字词句的读音、释义及用法,是语言学习和写作的有利工具。

 

Copyright © 2004-2024 vtrois.com All Rights Reserved
更新时间:2026/4/8 8:07:47