1.三相桥式可控晶闸管弧焊整流器主电路(图11-10)

图11-10 三相桥式全控晶闸管弧焊整流器主电路原理图
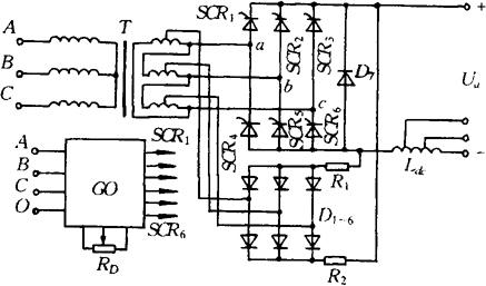
图中T为三相平特性降压变压器。SCR1~6为三相全控晶闸管整流桥。Ldc为输出电抗器。GO为控制电路,发出不同的移相脉冲,控制SCR1~6的导通角,获得所需的外特性和工艺参数。图中D1~6、R1、R2组成维弧电路。若图11-10中的SCR4~6或SCR1~3改用二极管,则组成三相桥式半控晶闸管弧焊电源主电路。
2.带平衡电抗器双反星形晶闸管弧焊整流器主电路(图11-11)

图11-11 带PDK的双反Y形晶闸管弧焊整流器主电路
图中T1为三相平特性降压变压器,初级绕组T11为△形连接,次级绕组T12为Y形连接,将380V降至几十伏焊接所需电压。PDK为平衡电抗器,它是一个两侧完全对称的中间抽头的电抗器。PDK的接入,可使左右两组半波整流电路同时导电,从而提高了输出电流值,提高了变压器的利用率,减小了输出电流的脉动系数。SCR1~6组成的二组晶闸管三相半波整流桥,绕组接线极性相反,完成整流任务,并保证同时有二个晶闸管工作,其输出直流比六相半波整流脉动小。输出电抗器Ldc有滤波和改善动特性的作用。D1~6及R1组成维弧电路。维弧电路由T12供交流电,D1~6整流、R1限流、输出15A左右的稳定直流,以保证电弧的稳定燃烧。