网站首页  词典首页


请输入您要查询的字词:

 

字词 机体零件
类别 中英文字词句释义及详细解析
释义

机体零件


柴油机一般由以下机构和系统组成:

机体零件包括机体、汽缸盖和汽缸套等主要零件。

(一)机体

机体是柴油机所有零件安装和支撑的基础。单缸柴油机的机体如图1-4所示,其前部分为汽缸体,其内腔安装汽缸套,前端面通过螺栓与汽缸盖相连接。机体的后部分称曲轴箱,通过安在主轴承座孔上的主轴承支撑曲轴,曲轴箱的下加工面上安装油底壳。

图1-4 单缸柴油机机体

1.水套孔 2.曲轴箱 3、5.平衡轴轴承座孔 4.启动轴轴承座孔 6.主轴承座孔 7.调速器轴孔 8.凸轮轴轴承座孔 9.汽缸套座孔

机体内壁与缸套之间的空腔称冷却水套,机体前端加工有水套通孔以便冷却水与缸盖内的冷却水套相连通。

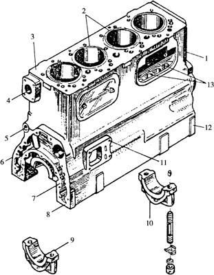
图1-5所示的是四缸柴油机(4115T型)的机体,其上部分称汽缸体,设有4个汽缸套座孔,分别用来安装4个汽缸套,汽缸套与汽缸体内臂之间的空腔是水套,上端面有水套孔,与缸盖水套相连通,并通过螺栓与汽缸盖连接。汽缸体下部称上曲轴箱,其上设有上主轴承座,上主轴承座下部通过螺栓与主轴承盖相连,构成主轴承座,用来支撑曲轴。

图1-5 四缸柴油机(4115T型)机体

1.汽缸体 2.汽缸套 3.汽缸体上平面 4.通汽油起动机缸体出水孔 5.主油道 6.飞轮壳安装平面 7.上曲轴箱 8.油底壳安装平面 9、 10.主轴承盖 11.机油滤清器安装面 12.正时齿轮室安装面 13.气门挺柱孔

机体的前面安装定时齿轮室盖和水泵,后面安装飞轮壳。机体两侧分别设有主油道和机油滤清器安装平面。

(二)汽缸盖

汽缸盖的功用是与活塞一起密封汽缸,并组成燃烧室。单缸柴油机和多缸柴油机(四缸)汽缸盖的构造分别由图1-6和图1-7所示。汽缸盖铸有进排气道、水套,并加工有喷油器安装孔、进排气门座孔、螺孔和水套通孔。

图1-6 单缸柴油机汽缸盖

1.放水开关 2.推杆孔 3.导管孔 4.排气道垫片 5.喷油器铜套 6.进气道 7.防冻塞 8.防冻孔 9.缸盖螺栓孔

图1-7 四缸柴油机汽缸盖

1.挺柱孔 2.缸盖螺栓孔 3.排气门座圈孔 4.进气门座圈孔 5.冷却水孔 6.冷却水出水道 7.喷油器孔 8.进气道

(三)汽缸套

汽缸套的内腔是汽缸,为可燃混合气燃烧和膨胀的场所;对活塞运动起导向作用,并通过缸套的缸壁起散热作用。其构造如图1-8所示。

图1-8 汽缸套

1汽缸套 2.橡胶密封圈 3.冷却水套 4.汽缸体

随便看

 

离鸟网收录3541549条中英文词条,其功能与新华字典、现代汉语词典、牛津高阶英汉词典等各类中英文词典类似,基本涵盖了全部常用中英文字词句的读音、释义及用法,是语言学习和写作的有利工具。

 

Copyright © 2004-2024 vtrois.com All Rights Reserved
更新时间:2026/4/7 13:13:58