网站首页  词典首页


请输入您要查询的字词:

 

字词 机械式自动捆扎机
类别 中英文字词句释义及详细解析
释义

机械式自动捆扎机


机械式自动捆扎机是采用机械传动和电气控制相结合,无需手工穿带,可连续或单次自动完成捆扎包件的机器,可适用于纸箱、木箱、塑料箱、铁箱及包裹、书刊等多种包件的捆扎。由于我国目前基本上使用塑料带作为捆扎材料,利用热熔搭接的方法使紧贴包件的塑料带两端加压粘合,从而达到捆扎包件的目的。因此,本章所介绍的均是以塑料带作为捆扎材料的各种捆扎机器。

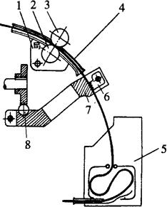
1 工作原理

自动捆扎工作过程由送带、拉紧、切烫、粘接四个环节组成,其工作原理如图2-7-1所示。

图2-7-1 机械式自动捆扎机工作原理

(1)送带 (2)拉紧 (3)切烫 (4)粘接

1-轨道 2-止带器 3-送带轮 4-捆扎带 5-隔离器 6-右爪 7-张紧臂 8-压力块 9-左爪

1.1 送带

送带轮3作逆时针转动,利用轮与捆扎带的摩擦使捆扎带4沿轨道1运动,直至带端碰上止带器2的微动开关(或者用控制送带时间的办法),使捆扎带处于待捆位置〔图2-7-1(1)〕。

1.2 拉紧

右爪6上升压住带端,送带轮3作顺时针方向转动,同样利用摩擦使捆扎带沿轨道1退出,这时轨道中的叶片在捆扎带的退带拉力作用下松开,使捆扎带继续退出直至紧贴在包件表面,而张紧臂7随之向下摆动,将带子完全拉紧〔图2-7-1(2)〕。

1.3 切烫

左爪9上升将二层捆扎带压住,隔离器5退出而烫头相随跟进,开始将捆扎带两端加热,这时压力块8上升切断捆扎带〔图2-7-1(3)〕。

1.4 粘接

烫头退出至起始位置而压力块8继续上升,将两层已加热的捆扎带两端压粘在一起,完成捆扎周期动作〔图2-7-1(4)〕。

2 主要结构

自动捆扎机主要由送退带机构、张紧机构、封缄机构、传动机构、轨道机构等组成(图2-7-2)。

图2-7-2 自动捆扎机结构图

1-轨道机构 2-送退带机构 3-张紧机构 4-捆扎带 5-预送带机构 6-带盘 7-封缄、传动机构 8-止带器

2.1 送退带机构(图2-7-3)

图2-7-3 送退带机构

1-送带轮支架 2-送带滚轮 3-压轮 4-小轨道 5-储带箱 6-夹爪 7-张紧臂 8-张紧凸轮

送退带机构主要完成捆扎带的送入和退出,由齿轮、滚轮、压轮、小轨道等零件组成。在机器进入工作准备状态时,压轮3通过弹簧的作用将捆扎带压在送带滚轮2上,当送带离合器结合时,通过齿轮副驱动送带滚轮2作逆时针转动,依靠摩擦力使捆扎带从储带箱5中拉出送入轨道,当退带离合器结合时,送带滚轮2作顺时针转动,又将带子从轨道中拉出退入储带箱5中。

2.2 张紧机构(图2-7-3)

张紧机构主要作用是把退带后紧贴包件的捆扎带再一次拉紧,以达到捆扎所需要的紧束度,并通过调整器将捆扎力调节到不同包件所需的程度,本机构由张紧臂、夹爪、导辊、调整臂、反冲块、调节螺杆等零件组成。

当完成退带动作后,压轮3与送带滚轮2脱开,凸轮轴上的张紧凸轮8转动,使张紧臂7向下摆动。此时,张紧调整器上的反冲块将夹爪6关闭,夹住带子随张紧臂一起下摆,达到拉紧作用。凸轮转动第一高点时,张紧臂7下摆的角度最大,捆扎带就拉得最紧。然后左爪上升把已拉紧的带子压住,依靠凸轮作用,张紧臂稍作上摆,使捆扎带在松弛状态下被切断。当凸轮继续转动到第二高点时,张紧臂7又摆到最低点,使弹簧撞块叩击反冲块的螺钉,使夹爪6打开,最后由于弹簧的作用,张紧臂回复到起始位置,当转动调节螺杆时,可改变反冲块的位置,即可改变夹爪的开闭时间,借此改变拉紧捆扎带的长度,以达到调节捆紧力的目的。

2.3 传动机构

通过三角皮带、链轮、减速器、电磁离合器等零件,将由电机传出的动力分别按一定的速比传送给凸轮轴,送(退)带机构及预送带机构等工作部件。

2.4 封缄机构(图2-7-4)

图2-7-4 封缄机构

1-拢带凸轮 2-左爪凸轮 3-隔离器凸轮 4-压力凸轮 5-加热器凸轮 6-右爪凸轮 7-张紧凸轮 8-加热器臂 9-烫头 10-隔离器凸轮 11-隔离器 12-隔离器臂 13-热合台臂 14-右爪 15-隔离器 16-压力块 17-左爪 18-热合台臂 19-止带器 20-拢带架 21-凸轮轴

封缄机构是实现捆扎带切断,熔融、粘接的最主要工作机构,由凸轮组、左爪、右爪、压力块、烫头、隔离器、热合台臂、加热器臂、刀片和拢带架等零件组成,其中凸轮组更是完成全部捆扎动作的关键,每转动一周,就可以完成一次捆扎。

(1)拢带凸轮1控制拢带架20的开合,使上下捆扎带对齐。

(2)左爪凸轮2能推动左爪17作上下移动,压紧或松开捆扎带的接头端。

(3)隔离器凸轮3控制隔离器臂12的插入或退出。

(4)压力凸轮4能推动压力块16作上下移动,完成捆扎带切断、熔融、粘接动作。

(5)加热器凸轮5控制加热器臂8和烫头9的摆动插入和退出。

(6)右爪凸轮6能使右爪14作上下移动,完成压带动作。

(7)张紧凸轮7控制张紧臂的摆动,实现捆扎带的强拉紧。

2.5 轨道机构

轨道机构引导捆扎带绕轨道自动移动一周,作好捆扎的准备,其结构有整体式和叶片式两种,其截面形状如图2-7-5所示。

图2-7-5 轨道结构图

(1)整体式 (2)叶片式

1-挡板 2-轨道体 3-支架 4-叶片

2.5.1 整体式轨道〔图2-7-5(1)〕 整体式轨道由挡板1和轨道体2组成。送带时捆扎带在两者形成的内腔穿行,至带端碰撞止带器,触动微动开关发出信号,使送带停止;退带时轨道体2由电磁铁或顶推机构推开,使捆扎带从轨道体2中脱出而被拉紧后,紧贴在被捆包件表面。其优点是送带流畅、可靠,装配和维修都较为方便,但加工时须制作专用模具,且要求较高。

2.5.2 叶片式轨道〔图2-7-5(2)〕 叶片式轨道由挡板1、轨道体2、支架3和叶片4组成。送带时捆扎带沿挡板1、轨道体2和叶片4所形成的空间穿行;退带时,捆扎带克服叶片4上的扭簧的弹力,随张紧臂的下摆而被拉出,紧贴在被捆包件的表面。这种轨道制造方便,是我国目前应用较为普遍的。

不足之处是工作时有较大的噪声,且对捆扎带的平直度要求较高。

3 分类

在我国目前生产实际中最常用的自动捆扎机可分为以下五种(图2-7-6)。

图2-7-6 自动捆扎机分类

(1)普通型 (2)低台型 (3)侧置型 (4)双轨道型 (5)压力型

3.1 普通型捆扎机

普通型捆扎机是应用最为广泛的通用型自动捆扎设备,能适应包件尺寸在800mm×800mm以下的各类包件捆扎,多为单机使用。

3.2 低台型捆扎机

与普通型不同的是这种捆扎机具有较低的工作台面,便于大型包件的上机捆扎,工作台面有带输送带和不带输送带两种。前者可与生产线配套使用,称为全自动捆扎机,除能自动完成送带、拉紧、切烫、粘合外,还能自动输送包件,进行单道或多道连续捆扎。低台捆扎机的带盘装置一般都与主机分离或直接装在机器的外侧面,以方便带盘装卸,最大捆扎尺寸(高×宽)可达2000mm×2000mm。

3.3 侧置型捆扎机

为适应带托盘的包件和特大包件的捆扎,考虑到托盘结构的特殊性和尽可能降低工作台面,必须将机器的传动机构和烫合粘接部件配置在轨道的侧面,犹如将低台型捆扎机翻转90°,使捆扎带的接头移至包件的侧面,这就成了侧置型捆扎机。

3.4 双轨道型捆扎机

为提高捆扎工作效率,将二套送退带部件和轨道部件配置在一台机器上,使之在同一捆扎周期内同时捆扎二次,通过同步捆扎,达到提高工作效率的目的。

3.5 压力型捆扎机

这种机器适应于捆扎体积大,密度较小的包件,如棉毛纤维制品。通过顶部预压装置,将置于工作台面的包件先进行压紧,减少体积。然后再进行捆扎,最大压紧力可达19600N。

4 技术参数

机械式自动捆扎机主要技术参数包括:

4.1 捆扎尺寸

分最大捆扎尺寸和最小捆扎尺寸。前者是指轨道框架内最大能捆扎的包件尺寸;后者则考虑到热合台大小的限制,规定了包件的最小尺寸应稍大于热合台的宽度。

4.2 每道捆扎时间

每完成捆扎包件一次,其捆扎全部动作所需的时间。一般为2.5~7s。

4.3 捆紧力

捆扎后,捆扎带对包件的紧束力。对宽度为13.5mm的捆扎带,捆紧力可达700~900N。

4.4 工作台面高度

包件放置台面的高度。

4.5 功率

由机械传动所消耗的功率和烫头加热所需的功率组成。

主要技术参数如表2-7-2所示。

表2-7-2 自动捆扎机主要技术参数

5 运行调试

在捆扎过程中,由于被捆包件的大小、种类及捆扎带的变化,都会对捆扎效果带来影响,为此,必须针对不同的包件和捆扎带,对机器进行相应的调整。

5.1 捆紧力调整

由于被捆包件有木箱、铁箱、纸箱、塑料箱或其他软包装件,因此所需的捆紧力是不同的。对于木箱、铁箱之类硬包件,需要较大的捆紧力,而纸箱或其他软包装件所需的捆紧力就较小,所以在捆扎机上利用张紧机构达到捆紧力的调节,在工作时只要改变张紧盘上的调整螺母,通过螺杆改变捆紧力的大小,但要注意的是不论用机械式张紧臂调节或电气控制拉紧延时调节,刻度盘上的指示值只能是相对值而不是绝对值。要真正达到理想的捆紧,必须通过试捆才能达到。

5.2 烫头温度调整

对于以塑料带作为捆扎材料的捆扎机来说,是以烫头对捆扎带两端的瞬时加热使之达到熔融状态后加压搭接而达到捆扎目的。因此,烫头温度的变化将直接影响接头的粘合质量。温度过高,会使捆扎带两端熔化过度出现碳化现象,影响接头强度,而且有时还会由于凝固缓慢,使搭接后两端容易被包件挣开;烫头温度过低,则带子两端未达到熔融状态而无法粘接,或粘接后产生崩带现象,影响捆扎。

理想的烫头温度是与带的材料、宽度、厚度及烫头在捆扎带两端中间加温时间有关,又受电源电压、气温高低的影响,因此必须通过温控电路,使烫头工作温度始终与所需的工作温度保持平衡,并在连续工作时给予温度补偿。这种系统一般都利用测温元件,使测量得到的温度与要求的工作温度进行比较,并将它们的差值经过放大后去控制烫头电热元件的电流,使之达到要求的工作温度。通常为250~370℃。

5.3 隔离器与烫头距离的调整(图2-7-7)

图2-7-7 隔离器与烫头距离

1-隔离器 2-烫头

隔离器是将上下两端捆扎带分隔,使烫头能顺利插入两带之间加热,当烫头插入时隔离器开始后退,两者之间的距离以4~6mm为宜。如间距太小,使机器上使用一定时间后因机件磨损而造成烫头与隔离器间距越来越少直至顶撞,给正常粘接带来困难;如间距太大,则会使烫头未插入带之间而隔离器已经退出,带子两端会碰在一起使烫头无法插入,也就无法加热粘接。因此,两者间距一般以带宽的1/3为宜。而正确的安装位置,则以烫头复位时的顶端相对隔离器端部中间偏上的高度即可。

随便看

 

离鸟网收录3541549条中英文词条,其功能与新华字典、现代汉语词典、牛津高阶英汉词典等各类中英文词典类似,基本涵盖了全部常用中英文字词句的读音、释义及用法,是语言学习和写作的有利工具。

 

Copyright © 2004-2024 vtrois.com All Rights Reserved
更新时间:2026/4/9 5:05:03