网站首页  词典首页


请输入您要查询的字词:

 

字词 材料的强度及强度等级
类别 中英文字词句释义及详细解析
释义

材料的强度及强度等级


(一)材料的强度

材料的强度是指材料在外力作用下不被破坏时能承受的最大应力。材料在承受外荷载作用时,内部会产生一定的应力,随着外荷载的增加,其应力也相应增大,直至材料内部质点间结合力不足以抵抗所承担的外力时,就会发生破坏,此时的极限应力值,即为该材料的强度,也称为极限强度。

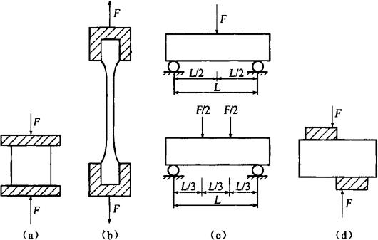
根据外力作用形式的不同,建筑装饰材料的强度有抗压强度、抗拉强度、抗弯强度及抗剪强度等,如图2-2所示。材料的这些强度都是通过静力试验来测定的,因此总称为静力强度。材料的静力强度是按照国家规定的标准试验方法,进行破坏性试验测得的。

图2-2 材料受外力作用示意图

(a)压力;(b)拉力;(c)弯曲;(d)剪切

建筑装饰材料的抗压、抗拉和抗剪强度,可按下式计算:

式中 f——材料的极限强度(抗压、抗拉、抗剪)(MPa);

P——试件破坏时的最大荷载(N);

A——试件的受力面积(mm2)。

建筑装饰材料的抗弯强度,与试件的受力情况、截面形状及支承条件有关。对于矩形截面的条形试件,当其两个支点的中间作用为一集中荷载时,其抗弯极限强度可按式(2-14)计算;当三分点加荷时,其抗弯极限强度可按式(2-15)计算:

式中 fm——材料的抗弯极限强度(MPa);

P——试件破坏时的最大荷载(N);

l——试件两支点间的距离(mm);

b、h——分别为试件截面的宽度和高度(mm)。

建筑装饰材料的强度大小,主要取决于建筑装饰材料的成分、结构及构造。种类不同的建筑装饰材料,其强度也不相同;即使是同一类建筑装饰材料,由于组成、结构和构造不同,其强度也有很大差异。材料的孔隙率愈大,则其强度愈小。对于同一品种的材料,其强度与孔隙率之间存在近似直线的反比关系。

一般情况下,材料的孔隙率越大,材料的强度越低。不同种类的材料具有不同的抵抗外力的特点,如砖、石材、混凝土等非匀质材料的抗压强度较高,而抗拉强度和抗折强度却很低,因此多用于房屋的墙体、基础等承受压力的部位;如钢材为匀质的晶体材料,其抗拉强度和抗压强度都很高,适用于承受各种外力的结构和构件。建筑工程中常用建筑材料的强度如表2-2所示。

表2-2 常用建筑材料的强度值

某些具有层状或纤维状构造的材料,受力方向不同,其强度大小也不同。例如,木材的顺纹抗拉强度最大,抗弯强度次之,而横纹抗拉强度最小。此外,材料的强度还与材料的含水状态、温度以及试件的形状、尺寸、加荷速度等有关。

(二)材料的强度等级

1.材料的强度等级

大多数建筑装饰材料根据其极限强度的大小,划分成若干不同的等级,称为材料的强度等级。脆性材料主要是根据其抗压强度进行划分,如混凝土、砖、石、陶瓷等;塑性材料和韧性材料主要根据其抗拉强度进行划分,如钢材等。划分材料的强度等级,对于掌握材料性能和正确选用材料具有重要意义。

2.材料的比强度

材料的强度与其表观密度的比值,称为材料的比强度。这是衡量材料轻质高强性能的一项重要指标。普通混凝土、低碳钢、松木(顺纹)的比强度分别为0.012、0.053、0.069。比强度越大,则材料的轻质高强性能越好。选用比强度大的材料或者提高材料的比强度,对于增加建筑物的高度、减轻结构的自重、加大结构的跨度、降低工程造价等均具有重大意义。

随便看

 

离鸟网收录3541549条中英文词条,其功能与新华字典、现代汉语词典、牛津高阶英汉词典等各类中英文词典类似,基本涵盖了全部常用中英文字词句的读音、释义及用法,是语言学习和写作的有利工具。

 

Copyright © 2004-2024 vtrois.com All Rights Reserved
更新时间:2026/4/8 23:51:33