网站首页  词典首页


请输入您要查询的字词:

 

字词 构件平面布置和堆放
类别 中英文字词句释义及详细解析
释义

构件平面布置和堆放


多层工业厂房的预制构件,除较大、较重的柱子在现场就地预制外,其余构件大多在预制厂制作,然后运到工地进行安装。因此,构件平面布置相对比较简单,着重解决柱的现场预制布置和预制构件的堆放问题。

(一)构件平面布置的原则

构件的平面布置与所选用的吊装方法、起重机的类型与性能、构件的重量与形状、构件的制作方法等因素有关。构件的平面布置应遵循以下几个原则:

(1)在有施工可能性的现场,预制构件尽可能布置在起重机工作幅度内,避免二次搬运,提高吊装的工作效率,节省工程费用。

(2)重型构件尽可能靠近起重机布置,中小型构件可布置在重型构件的外侧。对运入工地的小型构件,如果直接堆放在起重机工作幅度内有困难时,可以分类集中布置在房屋附近,吊装时再用运输工具运到吊装地点。

(3)构件布置的地点与该构件吊装到建筑物上的位置应相配合,以便使构件吊装时尽可能使起重机不需要移动和有大的变幅。

(4)构件在施工现场叠层制作时,应满足构件由下至上的吊装顺序的要求,即安排需先吊装的下部构件放置在上层制作,后吊装的上部构件放置在下层浇制。

(5)同类构件应当尽可能集中堆放,所堆放的各类构件之间有一定的空隙,构件的堆放不能影响场内的通行。

(二)构件平面布置的方案

柱子是现场预制构件中最主要的构件,布置时必须优先考虑。在通常情况下,柱子的布置方案与塔式起重机轨道成平行布置、倾斜布置和垂直布置三种,如图7-57所示。

图7-57 塔式起重机吊装柱子时的布置方案

(a)平行布置;(b)倾斜布置;(c)垂直布置

平行布置是常用的一种布置方案,其优点是可以将几层柱通长进行预制,能减少柱子接头预制偏差。倾斜布置可用旋转法进行起吊,主要适用于较长的柱。当塔式起重机在跨内开行时,为了使柱的吊点在起重机的工作幅度范围内,柱子也可与房屋垂直布置。

(三)结构吊装方法与吊装顺序

多层装配式结构的吊装方法,有分件吊装法和综合吊装法两种。

1.分件吊装法

分件吊装法按其施工流水方式不同,有分层分段流水吊装法和分层大流水吊装法两种。

分层分段流水吊装法(图7-58a)是将多层结构划分为若干施工层,在每个施工层中再划分为若干施工段。起重机在每一个吊装段内按吊装顺序分次进行吊装,每次开行吊装一种构件,直至该段的构件全部吊装完毕,再转移到另一个施工段,待每一施工层各吊装段构件全部吊装完并最后固定后,再转移到另一个施工层。

图7-58 多层装配式结构的吊装方法

(a)分层分段流水吊装法;(b)综合吊装法A1,A2,A3-施工段;1,2,3,4,5-施工层

通常施工层的划分与预制柱子的长度有关,当柱子的长度为一个结构层高时,以一个结构层高为一个施工层。如果柱子的高度是两个结构层高时,则以两个结构层高为一个施工层,施工层数越多,则柱子的接头越多,不仅吊装速度慢,而且施工难度大,因此应尽量加大柱子的预制长度,以减少施工层。

施工段的划分取决于结构的平面尺寸、形状、起重机性能及开行路线等。划分时应能保证结构安装的吊装、校正、固定等各工序的协调,同时保证结构安装时的稳定。

分件安装的主要优点是:容易组织吊装、校正、焊接、固定等工序的流水作业,容易安排构件的供应及施工现场的布置。

分层大流水吊装与分层分段流水不同,它在每个施工层中不再划分流水段,而是按一个楼层组织各个工序的流水作业,这种吊装方法适用于每层面积不大的工程。

2.综合吊装法

综合吊装法是以一个节间或几个节间为一个施工段,以房屋的全高为一个施工层来组织各工序的流水作业。待起重机把一个吊装段全高的构件全部吊装并固定后,然后再转入下一个吊装段施工,如图7-58b所示。

当结构的宽度较大而采用起重机跨内开行时,由于结构被起重机的通道暂时分割成几个从上到下的独立部分,因此,综合吊装法特别适用于起重机在跨内开行时的结构吊装。

(四)结构构件的吊装工艺

多层装配式结构的吊装,最常遇到的是框架结构和墙板结构。

1.框架结构的吊装工艺

多层装配式梁板框架结构由柱、主梁和楼板组成。这种结构的吊装主要工艺是柱子的吊装、各接头的施工和梁板的安装。

(1)柱子的吊装

多层装配式梁板框架结构的柱较长,一般都分成几节进行吊装,其吊装方法多采用旋转法。但是,由于上节柱根部有外伸钢筋,吊装时必须采取保护措施,防止外伸钢筋产生弯曲。保护外伸钢筋的措施,主要有钢管保护法和垫木保护法,分别见图7-59和图7-60。

图7-59 用钢管保护外伸钢筋

1-钢丝绳;2-柱子;3-钢管;4-外伸钢筋

图7-60 用垫木保护外伸钢筋

1-保护钢筋的垫木;2-柱子的榫头;3-外伸钢筋;4-原堆放柱子的垫木

框架底层的柱子大多数是插入基础杯口。上节柱和下节柱的对线方法,应根据柱子是否统长预制而定。如果各节柱子采用统长预制,接头处一般应预留定位销孔,如图7-61所示。脱模前在上节柱榫头和下节柱柱顶间用红漆标出定位记号。在就位时,只要插上定位销,对好定位记号即可。

图7-61 统长预制柱中的预留定位销

(a)定位销位置;(b)定位销孔详图;(c)定位销详图

1-定位销孔;2-钢板(50mm×50m×5mm);3-钢管(42mm×3.5mm);4-点焊;5-钢板

上节柱与下节柱间的对线工作应在起重机松钩前进行。对线的做法是:将上节柱底部中线对准下节柱顶部中线,同时测定上节柱中心线的垂直度,下节柱顶部中心线应与基础中线相符。若有偏差,应先校正下节柱。

(2)柱的临时固定与校正

下节柱的临时固定和校正方法,与单层工业厂房的柱子完全相同。对于重量较轻的上节柱,可采用方木和管式支撑进行临时固定和校正(图7-62和图7-63)。管式支撑为两端装有螺杆的钢管,上端与套在柱上的夹箍相连,下端与楼板上的预埋件连接。

图7-62 管式支撑临时固定柱

1-管式支撑;2-夹箍;3-预埋钢板及点焊;4-预埋件

图7-63 角柱临时固定示意图

1-柱子;2-角钢夹板;3-钢管拉杆;4-木顶撑;5-楼板;6-梁

对于重量较重的上节柱,应采用缆风绳进行临时固定与校正,用倒链或手扳葫芦拉紧,每根柱子一般用4根缆风绳。在柱子校正后,每根缆风绳都要拉紧。

柱子的校正应当分2~3次进行。第一次校正应在起重机脱钩后进行;第二次校正应当在柱子的接头电焊后进行,以校正因电焊钢筋收缩不均所产生的偏差;当吊装梁和楼板之后,柱子可能因增加荷重或梁柱间的电焊使柱子产生偏移,所以还需要进行第三次校正。

对于数层一节的长柱,在每层梁板吊装的前后,均需要观测柱子的垂直偏移值,将柱子的最终垂直偏移值控制在允许范围内。

(3)柱子的接头施工

柱子的接头形式与预制桩基本相同,即榫式接头、插入式接头和浆锚式接头,如图7-64所示。

图7-64 柱子的接头形式

(a)榫式接头;(b)插入式接头;(c)浆锚式接头

1-榫头;2-上节柱外伸钢筋;3-坡口焊;4-下节柱外伸钢筋;5-后浇接头混凝土;6-下节柱杯口;7-下节柱预留孔

榫式接头是上节柱带有榫头,承受施工阶段的荷载。通过上节柱和下节柱外露的受力钢筋用坡口焊焊接,配置若干钢筋,最后浇灌接头混凝土形成一个整体。

插入式接头是一种上下节柱的连接不需焊接的方法。即将上节柱下部做成榫头,下节柱顶部做成杯口,上节柱的榫头插入杯口后,用压力灌浆的方法填实杯口间隙即形成一个整体。

浆锚式接头是将上节柱受力钢筋插入下节柱的预留孔洞中,然后用水泥砂浆灌孔和缝,锚固上节柱的钢筋形成一个整体。

(4)梁与柱的接头施工

装配式框架结构中梁与柱的接头形式,主要有明牛腿式刚性接头、齿槽式接头和浇筑整体式接头等。

明牛腿式刚性接头要求承受节点负弯矩。因此,梁与柱的钢筋要进行焊接,以保证梁的受力钢筋有足够的锚固长度。这种接头节点刚度大,受力可靠,安装方便,适用于大荷载的重型框架以及具有振动的多层工业厂房中。明牛腿式刚性接头的构造,如图7-65所示。

图7-65 明牛腿式刚性接头的构造

齿槽式接头是在明牛腿式刚性接头的基础上改进而成,其特点是取消了牛腿,利用柱子与梁接头处设置的齿槽来传递梁端的剪力。在进行安装时,要求提供临时支托,接缝处的混凝土需要达到一定强度后才能承担上部的荷载。齿槽式接头的构造,如图7-66所示。

图7-66 齿槽式接头的构造

浇筑整体式梁与柱的接头,实际上是把柱与柱、柱与梁浇筑在一起的节点。图7-67为上节柱带榫头的浇筑整体式梁柱接头。柱子为每层一节,梁搁置于柱顶上,梁底钢筋按锚固长度要求弯上来或焊接上。将节点核心区加上箍筋后,即可浇筑混凝土到楼板面的高度,等待混凝土强度大于10MPa后,再安装上节柱子。上节柱与榫式柱接头相似,也用小榫承受施工阶段的荷载,但上、下柱的钢筋不用焊接而是靠搭接,搭接的长度≥20d(d为钢筋直径)。第二次浇筑混凝土到上节柱的榫头上方,留下35mm左右的空隙,最后用细石混凝土捻缝,便形成刚性接头。

图7-67 上节柱带榫头的浇筑整体式梁柱接头

(5)梁与板的安装

装配式框架结构的梁,分为一次预制成的普通梁和叠合梁两种。在叠合梁上部应留出120~150mm的现浇叠合层,以增强结构的整体性。框架结构的楼板多为预应力密肋楼板、预应力槽形板和预应力空心板等。楼板一般直接搁置在梁上,接缝处用细石混凝土灌实。吊装方法与单层工业厂房基本相同。

在进行梁与板安装的施工中,应当注意以下几个方面:①在梁板吊装前,应在安装面上铺垫厚度为20mm的砂浆找平层,以保证平稳就位。②梁的安装顺序一般应从中间向两边同时吊装,以减小吊装或焊接造成的变形对柱的垂直度误差;梁要一次就位准确,避免多次撬动引起柱的偏移。③梁柱接头的焊接应按照从中间向两端推进的顺序,以免焊接应力引起的柱的变形和偏斜。

2.墙板结构的吊装工艺

装配式墙板结构是指将墙板、楼板和楼梯等构件在工地或工厂预制,在现场安装联结成整体的一种建筑结构形式。这种结构施工速度快,不受季节的影响,工程造价比较低,但其整体性、强度和延性均较差,适用于12层以下的民用居住建筑。

(1)墙板制作、运输和堆放

1)墙板的分类和制作。装配式墙板可分为单一材料墙板和复合材料墙板两大类。单一材料墙板多用普通混凝土或轻集料混凝土制作,分为实心墙板和空心墙板两种,一般多用于内墙,起承重和隔断的作用;复合材料墙板由承重层、保温隔热层、防水层及面层组成,具有承重、保温隔热、防水和装饰多种功能,一般多用于外墙。

墙板的制作工艺主要有成组立模法、现场塔下台座法重叠生产和钢平模流水法三种。

成组立模是在模腔内设置蒸汽管道6~12片的钢立模,浇筑、成型、养护集中在钢立模内进行,并可以垂直起吊达安装位置,减少翻身起吊的附加钢筋和工序,适用于制作单一材料的内墙板和隔墙板。

现场塔下台座法重叠生产构件的方法,是利用室内地坪、建筑物一侧,在起重机工作半径范围内,设置临时台座,重叠生产10层墙板构件,这种方法多用于民用建筑。

钢平模流水法是将钢平模沿着清理模板、安放墙板钢筋、浇筑混凝土、振捣压实直至养护出窑的流水程序进行施工,这种方法多用于生产外墙板和大楼板。

2)墙板的运输和堆放。墙板是一种面积大、厚度小、容易损坏的构件,其运输一般应采用备有特制支架的运输车,墙板侧立斜放在支架上。运输车分为载重量为160kN外挂式墙板运输拖车和载重量为80kN的内插式墙板运输拖车,运输拖车采用相应吨位的汽车牵引。

墙板运至现场后应按吊装顺序和分区进行编号,并按规定方法依次进行堆放。墙板堆放的方法有插放法和靠放法两种,如图7-68和图7-69所示。

图7-68 墙板以插放架堆放示意图

1-墙板;2-木楔;3-上横杆;4-走道板;5-砂埂

图7-69 墙板以靠放架堆放示意图

1-斜撑;2-拉杆;3-下挡;4-吊钩;5-隔木;6-墙板

插放法是把墙板按吊装顺序插放在插放架上,并用木楔加以固定;靠放法是把同型号的墙板靠在靠放架上。

(2)墙板吊装方法和吊装顺序

装配式墙板工程的吊装方法,可分为储运吊装法和直接吊装法两种。

1)储运吊装法。储运吊装法,即将墙板构件从生产场地按型号、数量配套,直接运往施工现场吊装机械起重半径范围内储存,然后再进行依次安装。储存数量对民用建筑一般为1~2层的构配件。储运吊装法有充分的时间做好安装前的施工准备工作,可以保证墙板能够连续进行,但占用场地较多。在有条件的工地,最好采用这种吊装方法。

2)直接吊装法。直接吊装法是将墙板由生产场地按墙板安装顺序配套运往施工现场,从运输工具上吊起直接向建筑物上安装。直接吊装法可以减少构件的堆放设施,少占用施工现场,但在吊装中要求有严密的施工组织管理,保证有足够的墙板运输车辆或吊装的连续性。

在选定吊装机械的前提下,单体工程的施工平面布置,要正确处理好墙板安装与墙板运输堆放的关系,充分发挥吊装机械的作用。墙板堆放区要根据吊装机械行驶路线来确定,一般布置在吊装机械起重半径范围内,避免吊装机械空驶和负荷行驶。

装配式墙板结构房屋的吊装,主要用逐间封闭式吊装法。有通长走廊的单身宿舍,一般用单间封闭;单元式居住建筑,一般采用双间封闭,如图7-70所示。由于采用逐间封闭式吊装,随安装随焊接,施工期间结构的整体性好,临时固定比较简便,焊接工作比较集中。

图7-70 双间封闭式吊装顺序示意图

①、②-操作平台;1、2、3…一墙板吊装顺序;Ⅰ、Ⅱ、Ⅲ-逐间封闭顺序

当建筑物较长时,为避免电焊线行程过长,一般应从建筑物的中部开始安装。当建筑物较短时,也可由建筑物一端第二开间开始安装,封闭的第一间为标准间,作为其他安装的依据。

(3)墙板的吊装工艺

为保证墙板的吊装质量,在进行墙板的吊装施工中,可分为测量放线、摊浆找平、墙板吊装、墙板就位及校正、临时固定等工艺。

1)测量放线。墙板纵横轴线的控制线,每栋建筑物不得少于4条,并用经纬仪四周封闭复核,其他轴线根据控制轴线用钢尺量出。当建筑物的长度超过50m时,应增加相应的辅助控制线。

根据轴线控制线和水平控制桩,完成墙板纵横轴线、墙板两侧边线、门窗洞口位置线和节点线的找平放线,并用墨线标出注明。对第一层楼板、楼梯休息平台、墙板等标高找平,并在墙板及弹出水平标高线。二层以上墙板轴线及各层楼板等的水平标高,不得由下层引上,必须经过经纬仪直接从基础轴线及水平线引上,轴线的偏差不得超过2mm。

2)摊浆找平。在墙板吊装前,用1∶2.5的水泥砂浆灰饼铺在墙板两侧边线内,用以控制墙板底面的标高。灰饼长约150mm,宽度比墙板厚度少20mm,并根据标高找平。

墙板在吊装中应随抹灰随吊装,铺灰时应注意留出墙板两侧边线,以便墙板吊装准确就位,铺灰的厚度应比灰饼高出10mm。铺灰前应将基层表面杂物、灰尘清除干净,并洒水进行湿润,用1∶2.5的水泥砂浆铺抹均匀,并使上下接缝密实。

3)墙板吊装、就位及校正。墙板起吊应平稳、垂直,绳索与构件的水平夹角不应小于60°,各吊点受力应均匀。为方便吊装墙板,在预制时一般都设有吊孔或吊环。为防止墙板在起吊中出现损坏,可采用铁扁担吊装,或采用较长的吊索吊装。

墙板的校正主要包括平面位置和垂直度。墙板吊装就位时力争一次对准边线,重量较轻的墙板,可在卸钩后校正,若墙板较重可随吊随校正。房屋四个大角的墙板,可用经纬仪由底线校正;墙板的垂直度可用靠尺校正。此外,还应注意使外墙的边缘垂直和水平,缝的厚度均匀。如果有误差可用临时固定器进行校正。

4)墙板的临时固定。墙板的临时固定一般多采用操作平台,它不仅用于标准间,也可用于其他房间;楼梯间与不便于用操作平台的地方,可用水平拉杆和转角固定器临时固定。

操作平台的尺寸可按房间大小制作,在操作平台栏杆扶手上附设固定器,用以临时固定和校正墙板,工具式斜撑的底脚固定在楼板的预埋件上。当标准间墙板用操作平台的墙板固定器固定后,可用水平拉杆固定其余开间的墙板,转角固定器用于纵横墙的临时固定,并可与水平拉杆配合使用。用操作平台临时固定墙板的示意图,如图7-71及图7-72所示。

图7-71 用操作平台进行墙板临时固定

1-操作平台;2-上下人孔;3-水平拉杆;4-墙板临时固定器;5-操作平台栏杆;6-转角固定器

图7-72 墙板吊装操作平台示意图

墙板校正完毕后即可焊接固定,然后拆除临时固定器,并随即用1∶2.5的水泥砂浆进行墙板下部塞缝。待水泥砂浆硬化后,退出校正用的铁楔。

(4)墙板板缝的处理

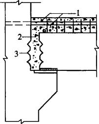
墙板结构的墙板是分块安装的,各板之间必然留下一条缝隙,必须对这些缝进行认真处理。墙板板缝的处理应满足传递剪力、隔热保温和密封防水的构造要求,特别对于外墙板,要从墙板的构造和嵌缝材料上做好防水处理,同时还要满足保温的要求。

墙板板缝的防水构造如图7-73所示。主要是利用密封材料防止雨水浸入,以满足防水的要求,目前常用的嵌缝防水材料有马牌建筑油、胶油、上海沥青油膏、聚氯乙烯胶泥等。

图7-73 墙板防水构造处理示意图

1-防水砂浆;2-塑料挡水条;3-减压空腔(内刷胶油);4-油毡条;5-现浇混凝土

寒冷地区对板缝要采取保温措施,以免因冷析作用产生结露现象,影响墙板及建筑的使用效果。一般可在接缝处附加一定厚度的轻质保温材料,如泡沫聚苯乙烯等,以满足保温的要求。

随便看

 

离鸟网收录3541549条中英文词条,其功能与新华字典、现代汉语词典、牛津高阶英汉词典等各类中英文词典类似,基本涵盖了全部常用中英文字词句的读音、释义及用法,是语言学习和写作的有利工具。

 

Copyright © 2004-2024 vtrois.com All Rights Reserved
更新时间:2026/4/7 12:40:20