网站首页  词典首页


请输入您要查询的字词:

 

字词 果蔬糖渍制品加工装备
类别 中英文字词句释义及详细解析
释义

果蔬糖渍制品加工装备


1.概述

果蔬糖渍制品加工装备是以各种水果及蔬菜(如:苹果、杏、桃、枣、李、梅、金橘、陈皮、木瓜、胡萝卜和藕等原料)为加工对象进行糖渍加工的全部设备。

果蔬的糖渍制品按风味和地域分成南北两大类:一类为北方的果脯类;另一类为以南方为主的蜜饯类。这两类用于加工对象不尽相同,而工艺流程有所区别,采用的装备差别也较大。

果脯类糖渍制品加工装备国内完全可以解决,且较为成熟,单机和成套设备规格型号较为齐全,基本上可满足国内需要。蜜饯类制品由于其加工工艺的特殊性,无法完全采用机械设备,基本上是以单机作业辅以手工操作为主。

果脯类糖渍制品的成套设备中真空浸糖设备是关键设备,现在大多数果脯加工厂采用真空浸渍设备。实践证明,采用真空浸渍设备加工果脯,可大大节省人力、物力,生产周期短,是目前生产中最有效的加工手段之一。

我国果蔬资源丰富,但产地较分散,大多集中山区,发展投资少的中小型成套设备比较适用,成套设备包括清洗机、切片机、真空浸渍设备及烘干机(房)等。

2 加工工艺

2.1 果脯类糖渍制品加工工艺

果脯类糖渍制品一般采用两种生产工艺:煮制浸腌法和真空浸渍法。

2.1.1 煮制浸腌法 煮制浸腌法为传统的生产方式,多数老厂,条件较差地区的果脯厂仍然采用此方法生产。

(1)一次煮成法 将原料处理后与糖液一起加热,可使其组织松软,果脯受热分解,增加糖液中糖分子的活性。这种方法一般用在组织松软的果蔬,如冬瓜、陈皮等。一次煮成法适合制造要求反砂类的果脯。

(2)多次糖煮法 多数果蔬其组织较为致密,一次煮成法很难作出满意产品,因而采用多次糖煮法。先用含糖量30%的糖液煮制,并不断增加冷糖液和水,以保证糖液在规定范围之内。经过一段时间的煮制后,再逐步提高糖液浓度,可直接加入蔗糖,达到规定的浓度后经过再煮制,一同移出后进行浸泡,使糖分子充分渗透果蔬组织内部,扩散平衡后,淋糖,烘干即成成品。

上述两种生产方式由于卫生条件差,劳动强度较大,多数厂家目前不采用。

2.1.2真空浸渍法 真空浸渍法是在高真空度下进行的,利用高真空度下液体沸点大幅度降低的原理,进行浸渍。这样可极大保持果蔬原有成分,缩短加工周期,产品质量较好。

果脯类糖渍制品加工工艺流程如图1-6-14所示。

图1-6-14 果脯类糖渍制品加工工艺流程图

(1)原料预选 通常以鲜果为原料,因为在加工过程中需要较长时间煮制、腌渍拌匀等,果品易破碎。为保持产品外形完整,减少破损损失,需选择肉质致密、坚实的果实作原料。

对于北方水果,如苹果、桃、杏、枣等原料,要求选择成熟度在7~8成。南方水果,如金橘、菠萝,要求选择成熟度在8~9成。而蔬菜类原料,如胡萝卜、冬瓜及藕则没有严格要求,成熟即可。

(2)原料预处理 果蔬原料种类较多,各种原料形状、质地不同,预处理工艺也不尽相同。如苹果要清洗,去皮,分辨,去核,放在0.2%~0.3%的亚硫酸盐溶液中浸泡;枣要分级,清洗,去核,划丝,再熏硫或放在亚硫酸盐溶液中浸泡。蔬菜则需拣选,清洗,去皮,切块(条、片)及硬化处理,浸硫即可。原料预处理所用机械大致有清洗机、去皮机、切片机、捅核机及浸泡槽等。目前国内生产厂家预处理工序完全采用机械化生产的不多,主要以手工和半机械化生产方式为主。

(3)煮制 果实在未加热前,保持原有活性,由于细胞膜的选择性渗透作用,以及细胞内胶体物质特性,保持了一定的膨胀压,当其与糖液一同加热时,由于细胞膜内外存在着渗透压的差异,使细胞内的水分向外扩散引起细胞缺水收缩。由于细胞膜对内外通过的物质具有一定的选择性,糖液中的糖分子扩散较慢。在煮制过程中,果实组织细胞受到高温作用,胶体物质发生变化,细胞膜选择性的控制能力被破坏。这样,水分子和糖分子交换就没有障碍了。因而,扩散运动的速率大大加快。糖液中的糖分子与原料组织中的水、空气分子置换得较为充分。即浸糖效果好,外形饱满、透明。煮制时间不易过长,一般因原料不同而有差异,多数在2~10min内,糖液浓度一般不高于30度(折光计浓度)。

煮制设备多采用夹层锅或浸渍罐。用浸渍罐加热煮制时,可不用真空装置。

(4)真空浸渍 经过煮制后原料放在真空浸渍罐中,然后将调配好的糖液抽入罐中,开启真空装置,进行真空浸渍。抽真空时间一般为5~30min,真空度保持在80~90kPa,最高不得超过95kPa。质地较软且疏松的原料,抽真空时间一般在5~10min,真空度在85kPa,这样容易保证原料外形整齐,破损率较低。浸糖的浓度最高不超过75度(折光计)。此道工序采用真空浸糖罐。

(5)烘干 将浸渍好的原料沥糖后,放在托盘上进行烘烤。烘干室的温度及烘烤时间随原料品种不同而有差异。如苹果烘烤温度在65~75℃,要逐步升温,达到规定的温度后,保温时间为18~36h。杏脯一般要烘烤2次,第一次烘制温度为60~65℃,时间为8~12h;第二次定型烘干温度为70~85℃,时间为1~2h。烘烤工序原则是块大、肉厚、完整的原料,烘制温度要适当低一点,持续时间要长,排湿要充分。切忌升温过快,温度过高。否则,易造成原料外部水分损失过快,表面硬化,并出现收缩起皱,而严重抑制其内部水分的溢出,反而大大延长烘烤时间,造成产品不易保存、霉烂。

实践证明,采用烘房烘制果脯比烘干机效果好得多。因而,目前各厂家广泛采用烘房烘烤果脯。

(6)冷却,整形,包装 烘烤后的果脯要经过强制冷却,防止吸潮,然后在一定时间内进行回软处理,时间为8~12h。

回软后进行整形处理,整形是将果脯按原有的物料形状进行修边,压平,使之外形美观。

包装形式分纸箱及小袋包装两种,一般纸箱包装先将果脯放入大塑料袋中,然后再装入纸箱中。小袋一般采用复合袋包装。包装好的成品入库保存,成品库要控制在25℃以下,相对湿度在60%以下,并做好防尘、防霉、防虫及防鼠工作。

2.2 蜜饯类糖渍制品加工工艺

蜜饯类糖渍制品,一般采用一次煮成法和冷浸法。生产过程较果脯生产简单,其主要工序集中在原料前处理阶段,所需设备也较果脯少得多。主要设备有打孔机、去核机、分辨机等。

蜜饯类糖渍制品加工工艺流程如图1-6-15所示。

图1-6-15 蜜饯类糖渍制品加工工艺流程图

2.2.1 预处理 选择原料的成熟度要求基本与果脯一致。经过挑选后除去不合格原料及其杂质,然后进行清洗。清洗后再进行预处理加工。例如:切片、分辨、去核、刺孔和磨皮等。由于原料种类差异较大,预处理部分多采用手工或半机械化作业。

2.2.2 盐渍 由于果蔬加工受季节约束,上市时间较为集中。为延长生产时间,在果蔬采摘旺季,多数厂家利用盐渍的方法贮存大量原料,这样不仅降低了原料生产成本,延长生产周期,且大大提高原料利用率。

盐渍时,不同果蔬原料用盐量不同,一般带核果品加盐量的质量比为5%~16%。同时要进行硬化处理,加入适量明矾或澄清石灰水3%~5%,对要求返砂的产品可提高返砂效果。同时硬化处理可以使原料保持组织坚韧,容易吸收糖分。且不易在煮制时破碎,浸渍时间因原料而异。

2.2.3 漂洗 贮存的原料在糖制时,要经过脱盐处理,去掉多余盐分、石灰及明矾等,以免影响产品风味。原料漂洗一般在漂洗池中进行,原料经反复浸泡去掉多余盐分等,但梅类制品应保留1%~2%的盐分。

2.2.4 烫漂 为去掉原料中的苦味、异味,并尽量保持原果的色泽,糖渍前要烫漂处理。烫漂后的原料,在煮制或浸渍时,易于吸收糖分。烫漂的方法是将原料直接放入沸水中煮2~8min,捞出后立即冷却。原料质地不同,烫漂时间亦不同,质地较硬的果蔬,如胡萝卜、野山杏等,烫漂时间要长一些。烫漂的另一个作用是利用高温阻断酶的作用,防止原料表面氧化变色。

2.2.5 糖渍 糖渍的方法一般采用一层果品、一层白砂糖进行冷腌,时间一般在1~7天。如杏糖渍24h即可,而一些梅类制品糖渍时间长达1~2个月左右。也可采用低浓度(30°Bé)糖液进行浸腌,时间基本相同。有些品种要反复腌制,第一次腌出汁后,再加入砂糖继续腌制,直至饱和。

2.2.6 煮制 煮制工序是关系产品质量的关键工序,浸糖效果直接影响产品色、形及保质期。多数蜜饯类果脯要求返砂,这样浸糖浓度要保证在75~85°Bé以上。使原料充分吸收糖液,外观呈晶莹光亮、透明为标准。煮制时使用夹层锅效果较好,温度较易控制,不易出现焦糖现象。原料在煮制过程中要充分泡在糖液中,多次加糖煮制,逐步提高糖液浓度,直至达到要求。煮制的总体时间不易过长,为防止物料破损,注意搅拌时要轻、缓,不能随意下手。

2.2.7冷却 要求返砂的原料经煮糖捞出后应立即冷却。一般采用风冷,因温度降低较快,其表面就会出现一层返砂糖,亦称糖霜。糖霜要求均匀,颜色纯白,不易脱落为宜。不要求返砂的产品,在浸糖一段时间后捞出,外表呈半湿态,不返砂,水分含量在27%左右,保质期内不允许发霉。

3 关键设备

3.1 水果清洗机

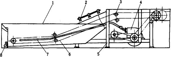
清洗机是原料预处理阶段的重要设备,用于物料的清洗,除去杂质及异物。果蔬清洗机种类较多,型号也较齐全,本节主要介绍沸腾式组合清洗机(图1-6-16)。

图1-6-16 沸腾式组合清洗机

1-洗槽 2-喷淋管 3-输送机 4-鼓风机 5-电动机 6-输送装置 7-吹泡管 8-排水口

该设备是利用鼓风机通过吹泡管7把空气送入洗槽1中,使浸泡和清洗原料的水产生剧烈翻动,浸入水中的物料被输送装置带向前进,前进中原料和清洗水被吹泡管7吹出的空气不断翻动,物料表面的污物在翻动中被洗净。物料随输送装置上升通过喷淋管2的下方时经净化水喷淋被清洗干净后送出机外。

另有的清洗机在喷淋前再增加一道精洗,即设置了排刷和滚动毛刷进一步除掉原料表面的杂质和残余农药。

3.2 水果淋洗机(图1-6-17)

图1-6-17 水果淋洗机

1-进料斗 2-滚动输送机构 3-喷淋系统 4-出料斗 5-传动机构

清洗后的果蔬经过熏硫及浸硫处理后需经淋洗机进行再清洗,使表面残留物除掉。另外,淋洗机也可清洗汁多、皮薄的水果。该机工作时原料由进料斗1进入滚动输送机构2中。滚动输送机构是由多个倒锥串滚组成,倒锥串滚固定在输送链条上,可随输送链条前进,物料进入输送机构中可实现两种运动,既自身翻滚又可随输送机构向前运动。这样,在喷淋系统喷淋水的喷刷下,将原料表面残余物质清洗干净,从出料斗4送出。

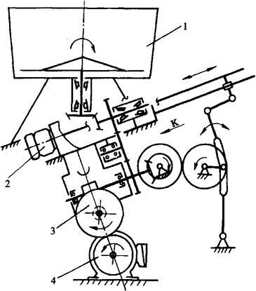
3.3 切条机(图1-6-18)

图1-6-18 切条机工作原理图

1-片厚调节机构 2-导向压板 3-物料片 4-切条刀 5-切条刀回转滚 6-物料条 7-切片回转腔 8-切片刀 9-物料 10-推料叶片

切条机工作时,物料以一定的数量送入喂料斗后进入高速旋转的切片回转腔7,由于离心力的作用,物料紧靠回转壁,在推料叶片10和切片刀8的共同作用下完成切片过程。切出的料片又以一定速度在导向压板2的辅助作用下,向高速旋转的切条刀4喂入完成切条工序。通过调整片厚调节机构、切条刀数和切条刀回转速度可以改变料条截面尺寸。

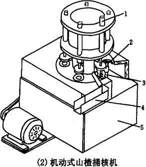
3.4 山楂捅核机(图1-6-19)

图1-6-19所示为目前广泛使用的两种山楂捅核机。

图1-6-19(1)所示为脚踏式捅核机。该机有2把上刀1和2把下刀2。工作时脚踩踏板5,通过拉杆4带动上刀1切入山楂,并直接将果核经下刀2的内孔捅出。

图1-6-19(2)所示为多刀捅核机。它由16把上刀1和16把下刀2、果模,以及链传动、齿轮传动和凸轮传动等机构组成。果模有分离式和组合式两种,前者靠人工周转,后者由链传动自动周转。工作时要靠人工把山楂放入果模中。当果模进到工作位置后,捅核机的上、下刀几乎同时切入果肉中,下刀在山楂花萼处切入一定深度后,即自行下落,上刀则继续下行,直至把果核捅出。

图1-6-19 山楂捅核机

(1)脚踏式捅核机

1-上刀 2-下刀 3-弹簧 4-拉杆 5-踏板 6-机架

(2)机动式捅核机

1-上刀 2-下刀 3-定位锥 4-排料槽 5-机座

3.5 青枣划丝机(图1-6-20)

图1-6-20 青枣划丝机工作原理图

1-进料斗 2-划丝头 3-中间齿轮 4-传动电机

青枣切丝机工作时,物料由进料斗1落入定向装置中,送料推杆通过传动机构将物料推进划丝头中,划丝头按工艺要求按圆周方向均布24个划丝刀片,刀片通过弹簧装置固定在划丝圆筒上,这样可保证按物料的实际情况进行仿形,始终保证划丝的深度均匀一致。该机是蜜枣加工中的重要设备之一。

3.6 真空加压浸糖设备(图1-6-21)

图1-6-21 真空加压浸糖设备

1-真空泵 2-冷凝器(贮罐) 3-球阀 4-电磁阀 5-压力表 6-安全阀 7-控制柜 8-空气压缩机 9-不锈钢球阀 10-离心泵 11-托盘 12-浸渍罐

真空加压浸糖设备的工作原理是把经过预处理的果品分层放入密闭的浸渍罐12中的托盘11上,盖好浸渍罐盖使之密封。然后通过抽真空抽出果品组织中的空气。经过一段时间后把糖浆吸入罐中,同时加热降低糖浆粘度,提高糖浆动能,在渗透压的作用下,很快向果品中渗透并占据了空气的空间,然后破坏罐中真空,向罐中施加压缩空气,使罐内保持一定压力,在压力作用下,糖浆加速向果品深层渗透,从而达到快速高效渗糖的目的。

该设备具有循环加热和温度自动控制系统,加热方式为夹层通蒸汽加热。温度传感器根据液体温度变化情况来控制夹层蒸汽的启闭和离心泵10的停转,从而达到恒温目的。温度可在0~100℃之间无级调节。

该设备的真空泵1通过管道、电磁阀4等和浸渍罐相通,真空传感器根据罐内真空度的变化情况由自动控制传统来控制电磁阀的启闭,从而达到设定真空度。真空度可在0~100kPa之间无级调节。

该设备压力自动控制系统是由空气压缩机8通过管道、电磁阀4与浸渍罐相通,压力传感器根据罐内压力的变化情况由自动控制系统控制电磁阀的启闭,从而达到设定的压力。压力可在0~0.6MPa之间无级调节。

如果将上述设备中的加压系统去掉即是真空浸渍设备,但其效果不如真空加压浸渍设备。

3.7 烘干机

3.7.1 箱式干燥机 图1-6-22所示为顺流箱式干燥设备原理图。其热风流和物料出口方向一致。热源-般为蒸汽或电。工作时将果脯放入小车4的托盘上,然后放入烤箱进行烘烤,通过适宜的温度和时间后,烘干结束。烤制时产生的废气由排潮风机由烘干箱上部的排气口5排出。采用烘干机烘干果脯由于干燥速率快而易产生果脯外干里湿现象,因而实际生产中采用烘房烤制果脯较多。

图1-6-22 顺流箱式干燥设备原理图

1-风机 2-加热器 3-整流板 4-小车 5-排气口

3.7.2 烘房(图1-6-23)烘房热源一般用蒸汽加热,通过热风道1、循环风机3以及合理布局在烘房内的散热器5将热空气均匀扩散到烘房内,使果脯均匀受热烘干。湿气由排潮风机4排出烘房外。烘房克服了烘箱温度不均和投资高的缺点。

图1-6-23 烘房示意图

1-热风道 2-小车及托盘 3-循环风机 4-排潮风机 5-散热器 6-墙体

随便看

 

离鸟网收录3541549条中英文词条,其功能与新华字典、现代汉语词典、牛津高阶英汉词典等各类中英文词典类似,基本涵盖了全部常用中英文字词句的读音、释义及用法,是语言学习和写作的有利工具。

 

Copyright © 2004-2024 vtrois.com All Rights Reserved
更新时间:2026/4/9 18:01:13