网站首页  词典首页


请输入您要查询的字词:

 

字词 模具结构
类别 中英文字词句释义及详细解析
释义

模具结构


图4-29是一副带有双斜楔的管料切断模,供切断一定直径而长度不同的管坯。该模具采用单圆弧切刀,凹模由左右两半组成,在斜楔作用下两半凹模可左右移动,以便送进或夹紧管料。模具工作原理如下:先将管料穿过侧导板13、14的定位孔,送至定位块12,当压力机滑块下行时,两斜楔6推动两半凹模8夹紧管料,使管壁上部突出形成桃形,随着压力机滑块继续下行,切刀5开始切入管壁,直到管料被完全切断为止。切下的管坯掉在下模座上的两角铁11之间,随第二次管料送进时将它推出去。定位块12在角铁11上可前后调整,以适应切断不同长度的管坯。

图4-29 管料切断模

1-模柄;2-上模座;3、9-垫板;4-切刀固定板;5-切刀;6-斜楔;7-卸料板;8-凹模;10-下模座;11-角铁;12-定位块;13、14-侧导板

图4-30是管料切断模的另一典型结构。在该模具中,凹模由左右两半组成,左半凹模为固定凹模3,右半凹模为活动凹模4,活动凹模在斜楔2与滚轮5作用下,可在导轨7上左右移动,达到夹紧或松开管料的目的。

图4-30 管料切断模

1-切刀;2-斜楔;3-固定凹模;4-活动凹模;5-滚轮;6-芯轴;7-导轨

图4-31所示的管料切断模,采用双圆弧切刀16和左右组合凹模23切断管料(20钢,无缝钢管,外径Φ19mm,壁厚1mm)。右半凹模由螺钉18紧固在固定板17上,左半凹模紧固在滑块8上,滑块能在下模板上左右滑动,靠两导板27导向。平时滑块在弹簧6作用下使凹模张开少许(由套筒限位)便于管料送进。切刀16由螺钉24、压板25紧固在固定板11上。该模具的工作原理如下:先将管料送进并穿过凹模孔,由可调挡料板29定位。上模下行,斜楔9将滑块8向右推进,两半凹模将管料夹紧。上模继续下行,切刀16便将管料逐渐切割,直至完全切断为止,废料则从孔中漏下。

图4-31 管料切断模

1-下模板;2-下垫板;3-反侧压块;4-卸料螺钉;5-垫圈;6-弹簧;7-套筒;8-滑块;9-斜楔;10-上模板;11-切刀固定板;12、19、31-圆柱销;13-上垫板;14、18、24、26、30、32-螺钉;15-模柄;16-切刀;17-凹模固定板;20-螺母;21-导柱;22-导套;23-组合凹模;25-压板;27-导板;28-支架;29-挡料板

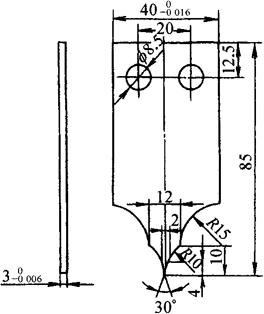
用于该模具的凹模如图4-32所示,切刀如图4-33所示。

图4-32 凹模

图4-33 切刀

随便看

 

离鸟网收录3541549条中英文词条,其功能与新华字典、现代汉语词典、牛津高阶英汉词典等各类中英文词典类似,基本涵盖了全部常用中英文字词句的读音、释义及用法,是语言学习和写作的有利工具。

 

Copyright © 2004-2024 vtrois.com All Rights Reserved
更新时间:2026/4/7 12:55:56