网站首页  词典首页


请输入您要查询的字词:

 

字词 污热水过滤器
类别 中英文字词句释义及详细解析
释义

污热水过滤器


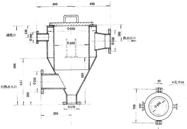
本设备用来净化污热水,其技术特征见表6-3-24,外形结构见图6-3-26d。

表6-3-24 污热水过滤器主要技术特征

图6-3-26 污热水过滤器

随便看

 

离鸟网收录3541549条中英文词条,其功能与新华字典、现代汉语词典、牛津高阶英汉词典等各类中英文词典类似,基本涵盖了全部常用中英文字词句的读音、释义及用法,是语言学习和写作的有利工具。

 

Copyright © 2004-2024 vtrois.com All Rights Reserved
更新时间:2026/4/8 2:33:11