网站首页  词典首页


请输入您要查询的字词:

 

字词 沙门氏菌的检验
类别 中英文字词句释义及详细解析
释义

沙门氏菌的检验


沙门氏菌属是肠杆菌科中的一大属,约有2000个血清型。由于动物的生前感染或食品受到污染,均可使人发生食物中毒,在世界各地的食物中毒中,沙门氏菌食物中毒常占首位或第二位。

目前,用于食品中沙门氏菌的检验方法,包括五个基本步骤:

(1)前增菌,用无选择性的培养基使处于濒死状态的沙门氏菌恢复其活力;

(2)选择性增菌,使沙门氏菌得以增殖,而大多数的其它细菌受到抑制;

(3)选择性平板分离沙门氏菌;

(4)生化试验,鉴定到属;

(5)血清学分型鉴定。

(一)器材

(1)天平,均质器或研钵。

(2)恒温培养箱,恒温干燥箱,高压灭菌器,显微镜。

(3)灭菌三角瓶(250mL),灭菌广口瓶(500mL),灭菌平皿(直径9cm)。

(4)灭菌吸管(10、1mL)、灭菌小试管(内径0.3×5cm)。

(5)载玻片,酒精灯,接种棒,试管架。

(二)培养基

见附:检验沙门氏菌的主要培养基及大肠菌群检验的有关部分。

(三)操作步骤

包括五个步骤:前增菌,选择性增菌,选择性平板分离沙门氏菌,生化试验以及血清学分型鉴定。

1.前增菌、选择性增菌

(1)称取检样25g加入装有225mL缓冲蛋白胨水(BP)的500mL广口瓶内(固体食品应先均质,8000~10000r/min,1min,或用灭菌乳钵研碎),置(36±1)℃培养4h。

(2)轻轻摇动前增菌数液,取10mL接种于100mL氯化镁孔雀绿(MM)增菌液中或四硫磺钠煌绿(TTB)增菌液中,42℃培养18~24h。另取10mL,加入100mL亚硒酸盐胱氨酸(SC)增菌液内,(36±1)℃培养18~24h。

(3)鲜肉等样品不必前增菌,取25g加灭菌生理盐水25mL,按上法做成匀液,取其半量接种MM或TTB增菌液中,42℃培养24h;另取半量接种于SC增菌液中,(36±1)℃培养24h。

2.选择性平板分离沙门氏菌

取增菌液一接种环,划线接种亚硫酸铋琼脂(BS)平板和DHL琼脂平板(或HE平板,SS琼脂平板)各一个,(36±1)℃培养18~24h[BS,(36±1)℃培养40~48h]。观察菌落生长情况。沙门氏菌在选择性平板上的菌落特征见附表Ⅰ。

附表Ⅰ 沙门氏菌属细菌在各种选择性琼脂平板上的菌落特征

3.生化试验

(1)挑取选择性平板上的可疑菌落,接种三糖铁琼脂,为防遗漏,可挑取3~5个菌落,分别接种3~5个试管,(36±1)℃培养18~24h,取出观察,结果见附表Ⅱ。

附表Ⅱ 肠杆菌科各菌属在三糖铁琼脂内反应结果

注:+:阳性,-:阴性,+/-:多数阳性少数阴性。

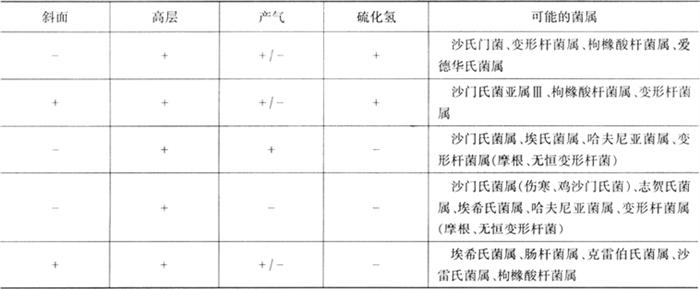
(2)选取三糖铁琼脂上生长的可疑菌,接种蛋白胨水(供靛基质试验用),尿素琼脂(pH7.2),氰化钾培养基和赖氨酸脱羧酶试验培养基及空白对照培养基各一管,(36±1)℃培养18~24h,必要时培养48h,取出观察,结果见附表Ⅲ、附表Ⅳ。

附表Ⅲ 沙门氏菌属生化反应结果

注:①三糖铁琼脂高层产酸。不产酸者可排除沙门氏细菌。斜面产酸与产气与否均不限。

②氰化钾、赖氨酸可选用其中一项,但不能判定结果时,需补做另一项。

③+:阳性,-:阴性,+/-:多数阳性、少数阴性。

附表Ⅳ 尿素、氰化钾和赖氨酸三项中有一项异常,仍判为沙门氏菌,两项异常者,判为非沙门氏菌

注:+:阳性,-:阴性。

4.血清学反应

用沙门氏菌因子血清做平板凝聚试验。即第一步取2~3接种环A-F多价抗O血清于平板上,再取(2)项之菌与血清混合,室温下2~3min之内凝聚者为阳性。第二步取2~3接种环分群(组)抗O血清与待检菌混合,凝聚者为阳性,这时即可确定其群(组)别。根据具体情况,还可使用各单因子“O”血清来测定细菌种的抗原。如有必要再查表取可能的第一及第二相“H”血清与待检菌做鞭毛凝聚试验(操作时先做第一相鞭毛抗原再做第二相鞭毛抗原),最后确定细菌的抗原式。进行玻片凝聚时,应设对照,即在玻片的另一端,以生理盐水代替血清作凝聚试验,观察有无细菌自凝现象。

判定

(1)若生化试验符合沙门氏菌的生化性状,与沙门氏菌A-F群多价抗O血清凝聚的,判为沙门氏菌属细菌。

(2)生化试验符合沙门氏菌的生化性状,又能与某群“O”血清凝聚,并能用“H”因子血清定型(种)的,可判定为某型(种)沙门氏菌。

附表Ⅴ 在附表Ⅲ中如靛基质阳性,则可做血清凝聚试验,当A-F多价抗O血清又不凝时,补做甘露醇和山梨醇试验

注:+:阳性,-:阴性。

附表Ⅵ 在附表Ⅱ中如H2S阴性,三糖铁斜面产酸者可排除沙门氏细菌;H2S阴性,三糖铁斜面不产酸,可做血清学试验,当A-F多价抗O血清又不凝聚时,应补做下列项目的试验

注:①+:阳性,-:阴性,d:有不同的反应结果。

②判定时,应注意伤寒沙门氏菌鸟氨酸阴性,甲型副伤寒沙门氏菌氨酸阴性,鸡沙门氏菌无动力。

③如果未做氰化钾试验时,常需做V-P试验(22~25℃,4d)哈夫尼亚菌属为阳性。

(3)生化试验不典型或出现了血清学的变异型,则查阅本试验的有关附录进行判定。检验程序如图5-2-3。

图5-2-3 沙门氏菌的检验程序

附:检验沙门氏菌用的主要培养基

1.ONPG培养基

成分:邻硝基酚β-D-半乳糖苷(ONPG)60mg,001mol/L磷酸钠缓冲液(pH7.5),1%蛋白胨水(pH7.5)。

制法:将ONPG溶于缓冲液内,加入蛋白胨水,过滤除菌,分装于10mm×75mm试管,每管0.5mL,用橡皮塞塞紧。

试验方法:自琼脂斜面上挑取培养物1满接种环,(36±1)℃培养1~3h和24h观察结果,如β-半乳糖苷酶产生,则于1~3h变黄色,如无此酶则24h不变色。

2.氰化钾(KCN)培养基

成分:蛋白胨10g,氯化钠5g,磷酸二氢钾0.225g,磷酸氢二钠5.64g,蒸馏水1000mL,0.5%氰化钾溶液20mL,调pH=7.6。

制法:除KCN外的其它成分配好后,分装烧瓶,121℃灭菌15min,充分冷却后,每100mL培养基加0.5%氰化钾溶液2.0mL,使最后浓度为1∶10000,分装于12mm×100mm灭菌试管,每管约4mL,立刻用橡皮塞塞紧,置4℃冰箱内,至少可保存2个月。同时将不加氰化钾的培养基作为对照培养基,分装试管备用。

试验方法:将琼脂培养物接种于蛋白胨水内成为稀释菌液,挑取1环接种于KCN培养基,另挑取1环接种于对照培养基。(36±1)℃培养1~2d,观察结果。如有细菌生长即为阳性(不抑制),经2d细菌不生长为阴性(抑制)。

注意:KCN是剧毒药物,使用时应注意,以免中毒。同时试管应严密封口,避免KCN分解,造成假阳性。

3.缓冲蛋白胨水(BP)培养基

成分:蛋白胨10g,氯化钠5g,磷酸氢二钠(Na2HPO4·12H2O)9g,磷酸二氢钾1.5g,蒸馏水1000mL,调pH=7.2。

制法:按上述成分配好后装于大烧瓶,120℃灭菌15min,临用时无菌分装,每瓶225mL。

4.氯化镁孔雀绿增菌液(MM)

甲液:胰蛋白胨5g,氯化钠8g,磷酸二氢钾1.6g,蒸馏水1000mL。

乙液:氯化镁(化学纯)40g,蒸馏水100mL。

丙液:0.4%孔雀绿水溶液。

制法:分别按上述成分配好后,121℃灭菌15min,备用。临用时取甲液90mL、乙液9mL、丙液0.9mL,以无菌操作混合即可。

5.四硫磺酸钠煌绿增菌液(TTB)

基础培养基:多肽或胨5g,胆盐1g,碳酸钙10g,硫代硫酸钠30g,蒸馏水1000mL。

碘溶液:碘6g,碘化钾5g,蒸馏水20g。

制法:将基础培养基的各个成分加入蒸馏水中,加热溶解,分装,每瓶100mL,分装时应随时振摇,使其中的碳酸钙混匀。121℃灭菌15min,备用。临用时每100mL基础培养基中加入碘溶液2mL、0.1%煌绿液1mL。

6.亚硒酸盐胱氨酸增菌液(SC)

成分:蛋白胨5g,乳糖4g,亚硒酸氢钠4g,磷酸氢二钠5.5g,磷酸二氢钾4.5g,L-胱氨酸0.01g,蒸馏水1000mL。

1%L-胱氨酸-氢氧化钠溶液的配法:称取L-胱氨酸0.1g(或DL-胱氨酸0.2g),加1mol/L氢氧化钠1.5mL后溶解,再加入蒸馏水8.5mL即成。

制法;将除亚硒酸氢钠和L-胱氨酸以外的各成分溶解于900mL蒸馏水中,加热煮沸,待冷后备用。另将亚硒酸氢钠溶解于100mL蒸馏水中,加热煮沸,俟冷,以无菌操作与上液混合。再加入1%L-胱氨酸-氢氧化钠溶液1mL。分装于灭菌瓶中,每瓶100mL,pH应为7.0±0.1。

7.亚硫酸铋琼脂(BS)

成分:蛋白胨10g,牛肉膏5g,葡萄糖5g,硫酸亚铁0.3g,磷酸氢二钠4g,煌绿0.025g,柠檬酸铋铵2g,亚硫酸钠6g,琼脂18~20g,蒸馏水1000mL,调pH=7.5。

制法:

(1)将前面5种成分溶于300mL蒸馏水中。

(2)将柠檬酸铋铵和亚硫酸钠另用50mL蒸馏水溶解。

(3)将琼脂于600mL蒸馏水中煮沸溶解,冷至80℃。

(4)将以上三液合并,补充蒸馏水至1000mL,校正pH,加0.5%煌绿水溶液5mL,摇匀。冷至50~55℃,倾注平皿。

注:此培养基不需高压,制备过程不宜过分加热,以免降低其选择性,而且应在临用前一天配制,存于室温暗处。超过48h不宜使用。

8.DHL琼脂

成分:蛋白胨20g,牛肉膏3g,乳糖10g,蔗糖10g,去氧胆酸钠1g,硫代硫酸钠2.3g,柠檬酸钠1g,柠檬酸铁铵1g,中性红0.03g,琼脂18~20g,蒸馏水1000mL,调pH=7.3。

制法;将除中性红和琼脂以外的成分溶解于400mL蒸馏水中,校正pH。再将琼脂于600mL蒸馏水中煮沸溶解,两液合并,并加入0.5%中性红水溶液6mL,待冷至50~55℃,倾注平板。

9.HE琼脂

成分:胨12g,牛肉膏3g,乳糖12g,蔗糖12g,水杨素2g,胆盐20g,氯化钠5g,琼脂18~20g,蒸馏水1000mL,0.4%溴麝香草酚蓝溶液16mL,Andrade指示剂20mL,甲液20mL,乙液20mL,调pH=7.5。

制法:将前面7种成分溶解于400mL蒸馏水中作为基础液;将琼脂加入600mL蒸馏水内,加热溶解。加入甲液和乙液于基础液内,校正pH。再加入指示剂,并与琼脂混合,待冷至50~55℃,倾注平板。

注:

(1)此培养基不可经高压。

(2)甲液的配制:硫代硫酸钠34g,柠檬酸铁铵4g,蒸馏水100mL。

(3)乙液的配制:去氧胆酸钠10g,蒸馏水100mL。

(4)Andrade指示剂:酸性复红0.5g,1mol/L氢氧化钠溶液16mL,蒸馏水100mL。将复红溶于蒸馏水中,加入氢氧化钠溶液。数小时后如复红褪色不全,再加氢氧化钠溶液1~2mL。

10.SS琼脂

基础培养基:牛肉膏5g,胨5g,三号胆盐3.5g,琼脂17g,蒸馏水1000mL。

将牛肉膏、胨和胆盐溶解于400mL蒸馏水中,将琼脂加入600mL蒸馏水中,煮沸使其溶解,再将二液混合,121℃灭菌15min,保存备用。

完全培养基:基础培养基1000mL,乳糖10g,柠檬酸钠8.5g,硫代硫酸钠8.5g,10%柠檬酸铁溶液10mL,1%中性红溶液2.5mL,1%煌绿溶液0.33mL。

加热溶化基础培养基,按比例加入上述染料以外的各成分,充分混合均匀,校正pH=7.0,加入中性红和煌绿溶液,倾注平板。

注:

(1)制好的培养基宜当天使用,或保存于冰箱内48h内使用。

(2)煌绿溶液配好后应于10d内使用。

(3)可用SS琼脂的干燥培养基,按说明配制使用。

11.三糖铁琼脂(TSI)

成分:蛋白胨20g,牛肉膏5g,乳糖10g,蔗糖10g,葡萄糖1g,氯化钠5g,硫酸亚铁铵[Fe(。NH4)2(SO4)2·6H2O]0.2g,硫化硫酸钠0.2g,琼脂12g,酚红0.025g,蒸馏水1000mL,调pH=7.4。

制法:将除琼脂和酚红以外的各成分溶解于蒸馏水中,校正pH。加入琼脂,加热煮沸以溶化琼脂。加入0.2%酚红水溶液12.5mL,摇匀。分装试管,装量宜多些,以便得到较高的底层。121℃灭菌15min,放置高层斜面备用。

随便看

 

离鸟网收录3541549条中英文词条,其功能与新华字典、现代汉语词典、牛津高阶英汉词典等各类中英文词典类似,基本涵盖了全部常用中英文字词句的读音、释义及用法,是语言学习和写作的有利工具。

 

Copyright © 2004-2024 vtrois.com All Rights Reserved
更新时间:2026/5/25 20:10:09