网站首页  词典首页


请输入您要查询的字词:

 

字词 流量检测仪
类别 中英文字词句释义及详细解析
释义

流量检测仪


(一)几种主要流量计

主要性能见表9-11-15,表9-11-16。

表9-11-15 几种主要类型流量计性能比较

表9-11-16 几种流量计选型比较

(二)YEWFLO漩涡流量计

1.结构特点

在流体中插入物体而在流体中发生的漩涡数与流量成正比例,本流量计应用这一原理,把由漩涡的发生而产生压力的变化作为应力的变化而进行检测。输出信号是与流量成比例以4~20mA.DC或者脉冲输出,传送到接收仪表的。

本流量计有把转换器装在一起的组合型和把转换器分别旋转的分离型这两种类型。主要特点:

①检测传感器不接触液体,可靠性高。②没有可动部分,构造牢固而且简单。③测量范围广,精度高。④能以脉冲输出进行传送。⑤计量成本便宜。⑥可带易读的广角度指示计。

2.主要技术参数

测量对象:液体、气体及蒸汽。

测量范围:液体:流速0.35~7m/s(水)。

气体、蒸汽:流速6~75m/s[0℃,1.013×105Pa(气压)的空气时]。

精确度:指示值的±1%~±1.5%。

流体温度范围:-40~300℃。

流体压力范围:-0.1MPa法兰额定压力值。

输出信号:直流4~20mA或是电压脉冲。

环境温度:-40~80℃。

环境湿度:5%~100%(相对湿度)。

公称通径:25mm,40mm,50mm,80mm,100mm,150mm。

主体结构:无法兰型,带法兰的短管型。

法兰规格:JB(机械工业部标准)1.0MPa,1.6MPa,2.5MPa,4.0MPa,6.4MPa,10.0MPa。

导线保护管连接孔:G3mm内螺纹。

材质:壳体;SCS14漩涡发生体:SUS329J1转换部分的外壳:耐蚀铝合金。

涂漆颜色:浓黄绿色/聚氨酯树脂烤漆。

结构:NEMA4 JISC0920防浸型。

附加规格:广角度指示计0~100%等分刻度。

3.外形尺寸

见图9-11-11,图9-11-12,图9-11-13及表9-11-17。

图9-11-11 组合型YEWFLO漩涡流量计外形图

图9-11-12 分离型YEWFLO漩涡流量计外形图

图9-11-13 漩涡流量转换器外形图

表9-11-17 YEWFLO漩涡流量计外形尺寸 单位:mm

4.生产厂家

上海自动化仪表九厂。

(三)EASTECH漩涡流量计

1.结构特点

美国EASTECH漩涡流量计,内部固有一个压入式的流量元件。带△形状的流量元件产生线性的流量信号,其频率与体积流量成正比。

传感器检测发生漩涡的振荡频率,并以低电压输入4650型电子信号处理器。

4650型电子信号处理器按标准设计,可方便地在现场使用,单独插入线路板。其产生的输出信号可供给计算机、电子、电子机械式计数器,记录器,指示器及控制器配套使用。

EASTECH分离式漩涡流量计可应用于液体、气体、蒸汽、低温液态气体的流量测量中。

2.主要技术参数

见表9-11-18。

表9-11-18 EASTECH漩涡流量计技术参数

注:1in=2.54cm

3.外形尺寸

见图9-11-14及表9-11-19。

图9-11-14 EASTECH漩涡流量计安装图

表9-11-19 EASTECH漩涡流量计外形尺寸

4.生产厂家

银河仪表厂。

(四)CWD、C-017型电感式双波纹管差压变送器

1.结构特点

CWD、C-017型电感式双波纹管差压变送器与节流装置配套使用,可测量液体、蒸汽、气体的流量与差压,也可测量正压、负压和液位(开口容器和密封容器)。由于它是以电讯号输出,因此可以实现远传,接入中心控制室及微机,能实现检测与控制自动化。

2.主要技术参数

差压上限值:1,1.6,2.5,4,6,10,16,40,60,100kPa。

工作压力:1,1.6,2.5,4,6,10MPa。

精度等级:1级。

输出信号:4~20mA.DC。

负载电阻:250Ω。允许导线电阻不超过100Ω。

电源:24±10%V.DC。

安装环境:温度:-30~60℃;相对湿度:≤85%;环境震动:振幅≤0.1mm;频率≤25Hz;周围介质:不应对铬、镍、锌镀层和有色金属起腐蚀作用。

质量:18kg。

3.外形尺寸

见图9-11-15。

图9-11-15 CWD、C-017型差压变送器安装图

4.生产厂家

银河仪表厂。

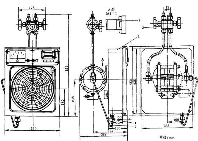
(五)CW-612-Y型双波纹管差压计

1.结构特点

CW-612-Y型双波纹管差压计附加有压力自动补偿装置,与节流装置配合测量饱和蒸汽的流量。另外仪表还可用于其他气体流量的测量。

仪表具有现场记录装置,可将被测流体(蒸汽)的瞬时流量记录在直径为300mm的圆图记录纸上,还有差压、压力及流量的现场指示。并可远距离传送与DDZ-Ⅱ型电动单元组合仪表配合使用,对被测流体(蒸汽)进行自动控制和调节。另外仪表还具有对被测流体(蒸汽)的流量进行累计的功能。

2.主要技术参数

差压上限值:0~6.3、10、16、25、40、63kPa。

压力上限值:0~0.6、1、1.6、2.5MPa。

差压测量部分额定工作压力:6.4MPa。

输出信号:差压、压力、流量均为0~10mA.DC。

精度:差压、压力均为±1.5%。流量及流量积算为±2.5%。

压力补偿范围:压力上限值的30%~90%。

小信号切除范围:相对于流量输出信号而言,切除点为0.6~1mA。

记录装置。

流量刻度:100、125、160、200、250、320、400、500、630、800以及上列任一数值乘以10(n为正或负的整数或零)。

流量单位:kg/h;t/h。

记录图纸。

种类:圆图;直径:300mm;有效弧长:115mm;进给方向:顺时针;驱动速度;1m/24h;驱动动力:同步电机(220V,50Hz)。

记录笔偏转角:30°。

工作条件:环境温度:-10~50℃;相对湿度:<85%;周围空气不得有足以引起腐蚀的化学物质。

质量约30kg。

3.外形尺寸

见图9-11-16。

图9-11-16 CW-612-Y型差压计安装图

4.生产厂家

上海自动化仪表十一厂。

随便看

 

离鸟网收录3541549条中英文词条,其功能与新华字典、现代汉语词典、牛津高阶英汉词典等各类中英文词典类似,基本涵盖了全部常用中英文字词句的读音、释义及用法,是语言学习和写作的有利工具。

 

Copyright © 2004-2024 vtrois.com All Rights Reserved
更新时间:2026/4/6 23:44:37