网站首页  词典首页


请输入您要查询的字词:

 

字词 测设前的准备工作
类别 中英文字词句释义及详细解析
释义

测设前的准备工作


民用建筑一般指住宅、学校用房、办公楼、医院、商店、宾馆、饭店等建筑物,有单层、低层、多层和高层建筑之分。由于类型不同,其测量方法和精度要求也就不同,但放样程序基本相同。一般为建筑物定位、放线、基础工程施工测量、墙体工程施工测量等几步。

当在施工场地上布设好施工控制网后,即可按照施工组织设计所确定的施工工序进行施工放样工作,将建筑物的位置、基础、墙、柱、门、窗、楼板、顶盖等基本结构的位置依次测设出来,并设置标志,作为施工的依据。施工放样的主要过程如下:

1)准备资料,如总平面图、基础平面图、轴线平面图及建筑物的设计与说明等。

2)对图纸及资料进行识读,结合施工场地情况及施工组织设计方案制订施工测设方案,掌握各项测设工作的限差要求,满足工程测量技术规范(表10-3)。

表10-3 建筑物施工放样的主要技术要求

3)按照测设方案进行实地放样,检测及调整等。设计资料和各种图纸是施工测设工作的依据,在放样前必须熟悉。通过查看建筑总平面图可以了解拟建的建筑物与测量控制点及相邻地物的关系,从而制订出合理的建筑物平面位置的测设方案和相应的测设数据。由图10-8可知,拟建建筑物与左侧已有建筑物是对称的,且两建筑物的相应轴线相互平行且尺寸相同,两建筑物外墙皮间距为18.00m,拟建的建筑物的底层室内地坪±0.000的绝对高程为42.50m,据此可确定出拟建建筑物的测设定位方案,并可相应计算出此平面定位方法的各点的测设数据。

图10-8 建筑总平面图(单位:m)

1.测设前的准备工作

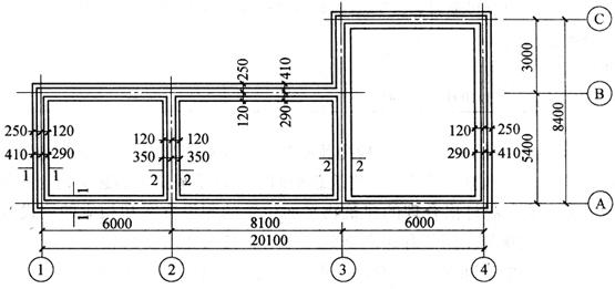
首先,在建筑平面图中查取拟建建筑物的总尺寸及内部各定位轴线间的关系。图10-9所示为该拟建建筑物底层平面图,从中可查得建筑物的总长、总宽尺寸和内部各定位轴线尺寸,据此可得到建筑物细部放样的基础数据。

图10-9 建筑物底层平面图

基础平面图给出了建筑物的整个平面尺寸及细部结构与各定位轴线之间的关系,以此可确定基础轴线的测设数据,图10-10所示为该建筑物的基础布置平面图。

图10-10 建筑物基础平面图

基础剖面图给出了基础剖面的尺寸(边线至中轴线的距离)及其设计标高(基础与设计底层室内地坪±0.000的高差),从而可确定基础开挖边线的位置及基坑底面的高度位置。它是基础开挖与施工的依据,如图10-11所示。

图10-11 基础剖面图

另外,还可以通过其他各种立面图、剖面图、结构图、设备基础图及土方开挖图等,查取基础、地坪、楼板、楼梯等的设计高程,获得在施工建设中所需的测设高程数据资料。

2.现场实地踏勘

现场实地踏勘,主要是为了查清现场上地物、地貌和测量控制点的分布情况,以及与施工测设相关的一些问题。踏勘后,应对场地上的控制点进行校核,以确定控制点的现场位置。

3.制订测设方案

资料查清楚后,即可依据施工进度计划,结合现场地形和施工控制网布置情况,编制详细的施工测设方案,在方案中应依据建筑限差的要求,确定出建筑测设的精度标准。

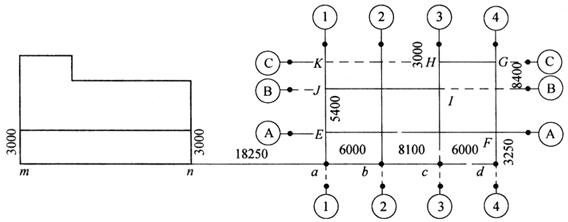
4.计算测设数据并绘制测设草图

编制出测设方案后,即可计算出各测设数据,并绘制测设草图且将计算数据标注在图中(图10-12)。从图10-12可知,拟建建筑物的外墙面距定位轴线为0.250m,故1-1轴距离现有建筑物外墙的尺寸为18.250m,A-A轴距离测设的基线mn的间距为3.250m,按此数据进行实地测设方可满足施工后两建筑物南墙面平齐的设计要求。

图10-12 建筑物测设草图

随便看

 

离鸟网收录3541549条中英文词条,其功能与新华字典、现代汉语词典、牛津高阶英汉词典等各类中英文词典类似,基本涵盖了全部常用中英文字词句的读音、释义及用法,是语言学习和写作的有利工具。

 

Copyright © 2004-2024 vtrois.com All Rights Reserved
更新时间:2026/5/26 18:05:10