网站首页  词典首页


请输入您要查询的字词:

 

字词 CBF-E系列齿轮泵
类别 中英文字词句释义及详细解析
释义 CBF-E系列齿轮泵

该泵结构为三段式浮动轴套轴向间隙自动补偿。合肥液压件厂生产。

(1)型号说明

CB F-E * *-A

❶ ❷ ❸ ❹ ❺ 

❶ 名称:齿轮泵

❷ 系列代号

❸ 压力等级

❹ 排量

❺ 菱形法兰

(2)性能参数

见表13.5-18。

表13.5-18 CBF-E系列齿轮泵性能参数

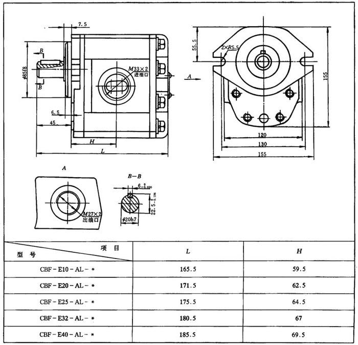
(3)外形及安装尺寸

见表13.5-19。

表13.5-19 CBF-E系列齿轮泵外形及安装尺寸

随便看

 

离鸟网收录3541549条中英文词条,其功能与新华字典、现代汉语词典、牛津高阶英汉词典等各类中英文词典类似,基本涵盖了全部常用中英文字词句的读音、释义及用法,是语言学习和写作的有利工具。

 

Copyright © 2004-2024 vtrois.com All Rights Reserved
更新时间:2026/5/25 8:13:32