CBKO系列齿轮泵
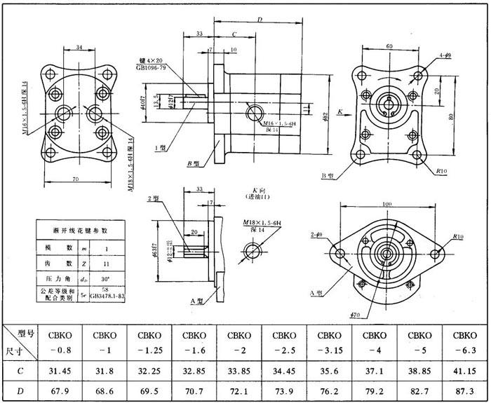
该泵为三段式浮动轴套、轴向间隙自动补偿结构。长江液压件厂生产。 (1)型号说明 CB K O- 1.25-A 1 A- 101 L ❶ ❷ ❸ ❹ ❺ ❻ ❼ ❽ ❾ ❶ 名称:齿轮泵 ❷ 结构代号 ❸ 组别 ❹ 排量(mL/r) 0.8,1,1.25,1.6,2,2.5,3.15,4,5,6.3 ❺ 安装法兰形式 A——菱形法兰 B——矩形法兰 ❻ 轴伸形式 1——平键 2——渐开线花键 ❼ 进出油口位置 A——油口在侧面 B——油口在后面 ❽ 特殊形式 101,102,(基型不标) ❾ 旋转方向 L为逆时针方向(顺时针方向不标)(从轴端看) (2)性能参数 见表13.5-3。 表13.5-3 CBKO系列齿轮泵性能参数  (3)外形与安装尺寸 见表13.5-4。 表13.5-4 CBKO系列齿轮泵外形及安装尺寸  |