网站首页  词典首页


请输入您要查询的字词:

 

字词 CB-P系列齿轮泵
类别 中英文字词句释义及详细解析
释义 CB-P系列齿轮泵

该泵体采用铝合金、液态模锻新工艺。齿轮采用双模数,双压力角渐开线非对称齿形。轴向采用压力自动补偿,径向采用齿顶扫镗的密封形式。徐州高压齿轮泵厂生产。

(1)型号说明

CB-P 63 -H F *

❶ ❷ ❸ ❹ ❺ ❻ 

❶ 名称:齿轮泵

❷ 系列代号

❸ 排量

❹ 压力等级:20MPa

❺ 法兰连接

❻ 旋向:左旋不注

(2)性能参数

见表13.5-36。

表13.5-36 CB-P系列齿轮泵性能参数

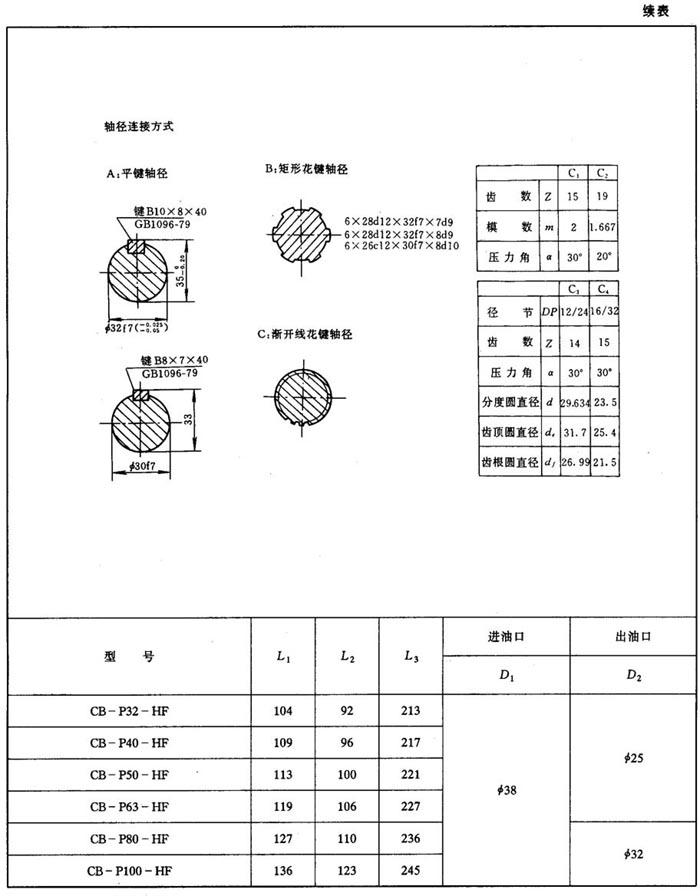
(3)外形及安装尺寸

见表13.5-37。

表13.5-37 CB-P系列齿轮泵外形安装尺寸

随便看

 

离鸟网收录3541549条中英文词条,其功能与新华字典、现代汉语词典、牛津高阶英汉词典等各类中英文词典类似,基本涵盖了全部常用中英文字词句的读音、释义及用法,是语言学习和写作的有利工具。

 

Copyright © 2004-2024 vtrois.com All Rights Reserved
更新时间:2026/5/25 16:29:21