网站首页  词典首页


请输入您要查询的字词:

 

字词 混凝土的养护
类别 中英文字词句释义及详细解析
释义

混凝土的养护


混凝土的凝结硬化、产生强度是水泥水化作用的结果,而水泥水化作用必须在适当的温度和湿度条件下才能顺利进行。在工程施工中对混凝土的养护,就是创造一个适宜的温度和湿度环境,使混凝土能正常凝结硬化,防止在成型后因曝晒、风吹、干燥、寒冷等自然因素的影响,出现不正常的收缩、裂缝、破坏等现象,并逐渐达到设计要求的强度。

混凝土养护的方法很多,在建筑工程中常用的主要有自然养护和人工养护两大类。混凝土养护是混凝土施工中重要的环节,不仅关系到工程质量、施工速度和工程投资,而且关系到混凝土结构构件的使用功能和耐久性,因此,要因时因地制宜,选择较好的养护方法。

(一)自然养护

自然养护是指在常温(平均气温不低于5℃)条件下,用浇水或保水的方法使混凝土在规定的时间内,在适宜的温度和湿度环境中产生凝结硬化,逐渐达到设计要求的强度。自然养护成本低、养护效果好,但养护期长,多用于现浇混凝土结构。采用自然养护方法,应符合下列规定:

(1)在常温情况下,混凝土浇筑完毕12h以内对其应加以覆盖保湿和浇水养护,以防止混凝土在初期产生干缩裂缝。

(2)混凝土浇水养护的时间:采用硅酸盐水泥、普通硅酸盐水泥、矿渣硅酸盐水泥拌制的混凝土,不得少于7d;对于掺加缓凝外加剂或有抗渗性要求的混凝土,不得少于14d;对于其他特种水泥的养护时间,应通过试验确定。

(3)每天对混凝土的浇水次数,应根据气温、风力、湿度、覆盖情况等综合考虑,以保持混凝土处于湿润状态为准,混凝土的养护用水应与拌制用水相同。

(4)对于不宜浇水养护的高耸结构、大面积混凝土或严重缺水地区,可在已凝结的混凝土表面喷涂塑料溶液,待溶剂挥发后,形成一层塑料薄膜,使混凝土与空气隔绝,以阻止内部水分蒸发,保证混凝土的水化反应正常进行。

(5)在有条件的施工现场,对于大面积混凝土(如地坪、楼板等)应当采用蓄水养护。有些结构物(如储水池等),可待其内模板拆除后,混凝土达到一定强度时注水养护。

(6)对于地下建筑或基础工程,如果埋置于地面以下,可在其表面涂刷沥青乳液,以防止混凝土内部水分的蒸发。

(7)在混凝土强度达到1.2N/mm2前,不得在其上踩踏或安装模板与支架,以免产生对未硬化混凝土的扰动。

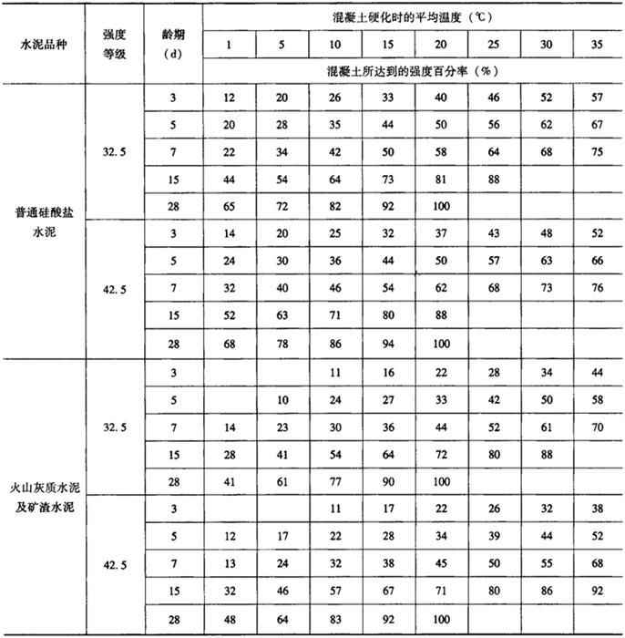
不同品种和不同强度等级的水泥所拌制的普通混凝土,在自然养护的条件下,环境温度和养护龄期不同,混凝土所达到的强度百分比是不同的。表5-97中列出了常用普通混凝土自然养护的强度增长百分率,可供混凝土养护中参考。

表5-97 常用普通混凝土自然养护的强度增长百分率

(二)人工养护

人工养护是人工控制混凝土的温度和湿度,使混凝土凝结硬化,达到设计要求的强度。如蒸汽养护、热水养护、电热养护、太阳能养护、喷膜养护等都属于人工养护。

1.蒸汽养护

蒸汽养护是将混凝土构件放在充有饱和蒸汽或蒸汽空气混合物的养护室内,在湿热介质的作用下,引起混凝土一系列物理、化学及力学变化,从而加速其内部结构的形成,获得早强快硬的效果。蒸汽养护是缩短养护时间的有效方法之一,在工程上又分为常压湿热养护和高压湿热养护两种。

(1)常压蒸汽养护

常压蒸汽养护过程还是比较复杂的,可分为静停阶段、升温阶段、恒温阶段及降温阶级四个施工过程。

1)静停阶段。混凝土构件浇灌成型后,先在常温下放置一段时间,用以增加混凝土对升温期结构破坏作用的抵抗能力,这个阶段称为静停。静停时间一般为2~4h。

2)升温阶段。升温阶段是混凝土构件由常温升到养护温度的过程,其升温速度不宜过快,以免由于构件表面和内部产生过大温差而出现裂缝。静停时间、干硬度和养护约束不同,其最大升温速度也不相同,见表5-98。

表5-98 混凝土升温速度限值℃/h

3)恒温阶段。温度升至要求的温度后,即应在此温度下恒温养护一段时间,以使混凝土获得一定的强度。恒温养护阶段应保持90%~100%的相对湿度,恒温养护温度一般不得超过95℃。恒温养护的时间应根据恒温温度而确定,当90~95℃时,为4~7h;当80~85℃时,为12~18h;当60~70℃时,为20~40h。

4)降温阶段。降温阶段是混凝土经恒温养护结束后,构件由养护最高温度降至常温的散热降温过程。降温速度也不宜过快,它与混凝土构件的尺寸及混凝土的水灰比有关。在一般情况下,降温速度不得超过10℃/h,构件出室的表面温度与外界温差不得大于20℃。

(2)高压蒸汽养护

高压蒸汽养护一般用于多孔混凝土制品及高强度混凝土桩的养护,蒸汽压力可高达8个大气压。根据高压升压方法不同,可分为排气法、真空法和快速升压法。不同混凝土制品的压蒸制度见表5-99。

表5-99 不同混凝土制品的压蒸制度

注:1.表中代号“a”及“b”分别是表观密度为650~800kg/m3及400~500kg/m3的多孔混凝土制品,“c”为大孔的密实混凝土制品。

2.有足量高压蒸汽时,升压时间可减至0.5h。

3.硅酸盐混凝土恒压时间延长2~3h,泡沫混凝土降压时间延长2~3h。

4.最高压力为0.9MPa时,恒压时间延长1h。

2.太阳能养护

太阳能养护是利用太阳的辐射能对混凝土进行加热养护,这是一种节能型混凝土养护方法。目前,在建筑工程中主要采用太阳能养护罩和太阳能养护箱进行养护。

(1)太阳能养护罩

太阳能养护罩种类很多,常见的有充气式薄膜养护罩、金属支架式养护罩和透明玻璃钢养护罩等。

1)充气式薄膜养护罩。用两层氯乙烯薄膜焊合成袋状,在袋中可以充气,使气层达到20~30cm的厚度,罩在混凝土构件上,四周用砂袋或石块压住。薄膜可用两层透明或一层透明、一层黑色,透明薄膜朝向阳光,黑色薄膜朝向混凝土,如图5-57a所示。

图5-57 各种太阳能养护罩

(a)充气式薄膜养护罩;(b)金属支架式养护罩;(c)透明玻璃钢养护罩

2)金属支架式养护罩。这是一种结构简单、效果较好的养护罩,即在混凝土构件的上方20~30cm高处拉一根8号镀锌铁丝,将透明塑料薄膜骑挂于铁丝上,并将两边置于混凝土构件的两侧,用砂袋压在台座上,如图5-57b所示。

3)透明玻璃钢养护罩。这种养护罩是用透明的聚酯玻璃钢制成,每节的长度约为4m,中间节的两端敞开,如图5-57c所示,端部节一端敞开、一端封闭。在混凝土浇筑完毕后,在构件上部对接成一条养护线,罩与罩之间对接处及罩与台座相接处,均用8~10mm厚的泡沫塑料作为密封垫。为防止大风将养护罩吹动,每4m在罩上设置一道固定装置。

(2)太阳能养护箱

太阳能养护箱由木板、棉花保温层和黑色塑料薄膜等组成。养护箱的箱体两侧呈60°角倾斜,箱内四壁铺设3~5cm厚的棉花保护层,外包黑色塑料薄膜,并用木压条钉在模板上。箱顶设10cm高的弧形方木,在其上下两侧铺上透明塑料薄膜,形成双层透光面。在弧形方木上面设一与箱面吻合的弧形箱盖,箱盖上涂刷反光材料,白天打开箱盖起反光作用,晚上放下箱盖起保温作用。由于这种养护方法比较复杂,在一般工程中很少使用。

3.喷膜养护

喷膜养护是在混凝土表面喷洒一层或多层塑料薄膜溶液,待溶剂挥发后,塑料在混凝土表面结合成一层薄膜,使混凝土表面与空气隔绝,封闭混凝土中的水分不再被蒸发,而使混凝土完成水化作用。这种养护方法一般适用于表面积大的混凝土施工和缺水地区。

喷膜养护是一种施工简便、效果良好的养护方法,其操作要点是:

(1)喷洒压力以0.2~0.3MPa为宜,喷射出来的塑料溶液呈较好的雾状为佳。如果压力过小,不易形成雾状;如果压力过大,会破坏混凝土的表面。喷洒时,喷嘴应距离混凝土表面50cm左右。

(2)进行喷洒的时间应适宜,应掌握混凝土水分的蒸发情况。当混凝土表面无浮水、用手指轻按无指印时,即可进行喷洒。喷洒过早会影响塑料薄膜与混凝土表面的结合,过迟会影响混凝土的强度。

(3)溶液的喷洒厚度以溶液的耗用量进行衡量,通常以2.5kg/m2为宜,喷洒的厚度要求均匀一致。

(4)在一般情况下要喷洒两遍,待第一遍成膜后再喷第二遍。喷洒要有一定的规律,要顺着一个方向,前后两遍的走向应互相垂直。

(5)溶液喷洒后很快形成塑料薄膜,为达到养护的目的,必须保护薄膜的完整性,要求不得有损坏破裂,不得在薄膜上行走、拖拉工具,如发现有损坏应及时补喷。如喷洒后气温较低,应设法进行保温。

随便看

 

离鸟网收录3541549条中英文词条,其功能与新华字典、现代汉语词典、牛津高阶英汉词典等各类中英文词典类似,基本涵盖了全部常用中英文字词句的读音、释义及用法,是语言学习和写作的有利工具。

 

Copyright © 2004-2024 vtrois.com All Rights Reserved
更新时间:2026/4/9 13:56:06