网站首页  词典首页


请输入您要查询的字词:

 

字词 牛胴体的分级标准
类别 中英文字词句释义及详细解析
释义

牛胴体的分级标准


(一)我国牛胴体的分级标准(讨论稿)

1.胴体的评定方法

质量级指标:胴体冷却后,在充足的光线下(不能日光直射),在12~13胸肋间肌切面处对下列指标进行评定。

(1)大理石纹 对照大理石纹等级图片确定眼肌横切面处的大理石纹等级(见附图1-5-1)。

一级

二级

三级

四级

附图1-5-1 牛肉大理石花纹等级图

(2)生理成熟度 以骨质的硬化程度为依据,根据最后三根脊椎骨末端软骨的骨化程度图和表判断生理成熟度(见附图1-5-2)。

胸椎几乎未骨化

腰椎小部分骨化

荐椎完全分离

胸椎小部分骨化

腰椎大部分骨化

荐椎基本愈合,但仍有轮廓

胸椎大部分骨化

腰椎几乎全部骨化

荐椎完全愈合成一整块

附图1-5-2 生理成熟度示意图

(3)肉色 对照肉色等级图片判断眼肌横切面处颜色的等级(见附图1-5-3)。

附图1-5-3 肉色等级图

(4)胴体结构的评定 胴体修整吊挂后,观察其形状、大小及丰满度等,对照胴体的结构图片确定胴体的结构等级(见附图1-5-4)。

附图1-5-4 分割肉块示意图

(5)热胴体重的测定 宰后剥皮、去头、蹄、尾、内脏后称出的热胴体重。

(6)眼肌面积的测定 在12~13胸肋间的眼肌横切面处用方格网直接测出切面的眼肌面积。

(7)背膘厚度的测定 在12~13胸肋间的眼肌横切面处从靠近脊柱末端起眼肌长度的四分之三处,垂直于外表面测量背膘厚度。

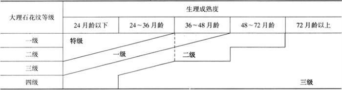
2.胴体的等级标准

(1)质量级 胴体的质量级主要由大理石花纹和生理成熟度两个因素决定,质量等级与二者的关系如表1-5-2所示。

表1-5-2 大理石花纹、生理成熟度和胴体质量等级间的关系

除上述关系以外,还可以根据肉色和胴体结构对等级进行适当的调整,其中肉色以三四级为好。

(2)产量级 主要根据胴体重、背膘厚、眼肌面积等指标通过回归公式计算,有关的计算公式正在研究之中。

(二)日本牛胴体的分级标准

日本牛肉分级标准比较细致,主要根据产量级和肉质将胴体分为15个级别,有关的标准详述如下。

1.牛胴体的出肉率等级(表1-5-3)

表1-5-3 牛胴体的出肉率等级标准

2.牛胴体的肉质等级标准(表1-5-4)

表1-5-4 牛胴体的肉质等级标准

3.牛胴体的规格等级(表1-5-5)

表1-5-5 牛胴体的规格等级与标注

4.牛胴体分级分割规格的适用范围

(1)本规格的适用对象是用分割整形方法(表1-5-6)整形后的冷却胴体,温热胴体也可参照本规格执行。

表1-5-6 分割整形方法

(2)本规格不分品种、年龄、性别,所有的胴体均适用,但不适用于仔牛胴体。

(3)本规格的胴体2分体指的是在第6~7肋骨间直线切开,易于观察背腰最长肌、背颈棘肌和头半棘肌的状态,以及腹部皮下脂肪及肌间脂肪厚度的产品。但目前对外观明显的“出肉率”为“C”,肉质等级相当于“1”的胴体,可以不必切开。

(4)本规格要求根据出肉率及肉质的各项指标进行定等,并逐项列出。另外,对有缺陷的胴体,将缺陷的状态在等级表中备注说明。

(5)“出肉率等级”的适用标准原则上要根据出肉率标准值的计算公式计算出肉率标准值,A为72以上;B为69以上,不足72;C为不足69。

表1-5-7 出肉率等级划分及等级名称

但胴体如有下列情况之一者,即可降低一个等级。

①切面的肌间脂肪与胴体重量以及背腰最长肌面积相比,相对较厚者。

②臀腿的丰厚度不够,且前躯与臀腿显着不相称者。

(6)“肉质等级”是根据大理石纹、肉的色泽、肉的结实度及肌纹和脂肪的色泽与质量4个项目判定的,在各项等级中,以最低等级来决定其肉质等级。

表1-5-8 牛胴体的大理石纹等级

①大理石纹中背腰最长肌大理石纹的适用标准为:肉质等级5为牛肉大理石纹标准(以下简称BMS)No.8以上;“等级4”为BMS No.5至No.7;“等级3”为BMS No.3至No.4;“等级2”为BMS No.2至No.3;“等级1”为BMS No.1(表1-5-9)。

表1-5-9 牛胴体的大理石纹的等级划分及评价标准

②“肉的色泽”中肉色的适用标准为:“肉质等级5”为牛肉颜色标准(以下简称BCS)No.3至No.5者;等级4为BCS No.2至No.6者;“等级3”为BCS No.1至No.6者;“等级2”为BCS No.1至No.7者;“等级1”为达不到“等级5”至“等级2”者(表1-5-12)。

表1-5-10 牛胴体的大理石纹的等级划分

表1-5-11 牛胴体的肉的色泽评分及标准

表1-5-12 肉色及光泽的等级划分

③“脂肪的色泽及质量”中脂肪颜色的适用标准为:“肉质等级5”为牛肉脂肪标准(以下简称BFS)No.1至No.4者;“等级4”为BFS No.1至No.5者;“等级3”为BFS No.1至No.6者;“等级2”为BFS No.1至No.7者;“等级1”为达不到“等级5”至“等级2”者(表1-5-16)。

表1-5-13 牛胴体的肉的结实度及肌纹

表1-5-14 肉的结实度及肌纹的划分

表1-5-15 牛胴体的脂肪的色泽及品质

表1-5-16 脂肪的色泽及品质等级划分

出肉率标准值的计算公式

出肉率标准值由出肉率等级所决定,用下列公式计算:

出肉率标准值=67.37+[0.130×背腰最长肌面积(cm2)]+[0.667×肋部厚度(cm)]-[0.025×冷屠体重量(半片胴体kg)]-[0.896×皮下脂肪厚度(cm)]

另外,肉用种胴体的出肉率标准值要再加2.049。

出肉率等级的判定:出肉率等级的判定如前所述,但胴体如有下列情况之一者,即可降低一个等级。

①切面的肌间脂肪与胴体重量及背腰最长肌面积相比,相对较厚者。

②“臀腿”肌肉丰厚度不够,“前躯”与“臀腿”比例显着不相称者。

牛胴体主要指标的测定部位:

(1)背腰最长肌面积的测定部位 在第6~7肋骨间切面处,背最长肌肌膜范围内的面积即是背腰最长肌面积。

(2)肋部厚度的测定部位 在第6~7肋骨间切面处,约在肋骨全长的中央处,由胸腔胸膜内面到背阔肌外面的长度为“肋部”厚度。

(3)皮下脂肪厚度的测定部位 在第6~7肋骨间切面处,由髂肋肌到胴体表面形成一个直角,在这条直角线上测量从背阔肌到胴体表面的长度,即为皮下脂肪厚度。

肌间脂肪厚度是从髂肋肌到阔背肌内侧的长度。但肌间脂肪厚度不包含在出肉率标准值的公式中。

与肉质有关的项目共有4个,即大理石纹、肉的色泽、肉的结实度及肌纹、脂肪的色泽及质量。前3项的判定部位是第6~7肋骨间背腰最长肌、背颈棘肌和头半棘肌的切面。“脂肪的色泽及质量”的判定部位是切面处的皮下脂肪、肌间脂肪、胴体外侧及内侧的脂肪。肉质分为5个等级,等级名称为5、4、3、2、1。

5.肉质等级的判定

肉质等级根据大理石纹、肉的色泽、肉的结实度及肌纹、脂肪的色泽和品质等4个项目判定。在各项目等级中,按最低等级定级。

表1-5-17 肉质等级的判定(例)

随便看

 

离鸟网收录3541549条中英文词条,其功能与新华字典、现代汉语词典、牛津高阶英汉词典等各类中英文词典类似,基本涵盖了全部常用中英文字词句的读音、释义及用法,是语言学习和写作的有利工具。

 

Copyright © 2004-2024 vtrois.com All Rights Reserved
更新时间:2026/4/6 18:22:57