网站首页  词典首页


请输入您要查询的字词:

 

字词 瓦楞纸箱的检验
类别 中英文字词句释义及详细解析
释义

瓦楞纸箱的检验


(一)取样

与卷烟纸的取样方法相同,见本章一之(一)。但试样采取的数量应以一次交货数量为一批,每批按千分之五抽验,至少不得低于3张。

(二)定量测定

与卷烟纸的定量测定方法相同,见本章一之(二)。

(三)厚度测定

与瓦楞纸板厚度的测定方法相同,见本章十五之(三)。

(四)耐破强度测定

与瓦楞纸板耐破强度的测定方法相同,见本章十五之(四)。

(五)环压强度测定

与箱板纸的环压强度测定方法相同,见本章十二之(六)。

(六)边压强度测定

与瓦楞板纸的边压强度测定方法相同,见本章十五之(六)。

(七)含水率测定

与卷烟纸的含水率测定方法相同,见本章一之(九)。

(八)抗压强度测定

瓦楞纸箱的抗压强度值p(J)不应小于按下式所得的计算值:

式中 K——强度保险系数;

m——瓦楞纸箱所装货物的质量,kg;

H——堆码高度,cm;

h——箱高,cm;

S——箱底面积,cm2

强度系数K根据纸箱所装货物的贮存期和贮存条件决定:

贮存期小于30d:K=1.6;

贮存期30~100d:K=1.65;

贮存期100d以上:K=2。

(九)空箱承压强度测定

1.原理

将试样置于试验机两平行压板之间,然后均匀施加压力,直到试样发生破裂为止,或者直到负载或压板位移达到预定值为止。

2.试样的采取和制备

从样品中随机抽取不少于3件的试样。将试样在温度为20℃±2℃,湿度为65%±5%的条件下进行调节处理。

3.仪器

(1)压力试验机:压力试验机用电动机驱动、机械传动或液压传动,压板型式要能使一个或两个压板以10mm/min±3mm/min的相对速度进行匀速移动,对试样施加压力。

压板应平整,当压板水平放置时,板面的最低点与最高点的高度差不超过1mm;压板的尺寸应大于与其接触的试样的尺寸,两压板之间的最大行程应大于试样的高度。

压板应坚硬,当把试验机最大负载定额的75%施加在压板中心的100mm×100mm×100mm的硬木块上时,压板上任何一点的变形不得超过1mm。此木块应有足够的强度承受这一负载而不发生破裂。

下压板须始终保持水平,在整个试验过程中,其水平倾斜度要保持在2千分之二以内。上压板应牢固地安装,并且在整个试验过程中,其水平倾斜度应保持在2千分之二以内;或者上压板中心位置安装在一个方向接头上,使其能向任何方向自由倾斜。

(2)记录装置:记录装置所记录的负载误差不得超过施加负载的±2%。压板的位移误差为±1mm。

4.方法

(1)平面压力试验:记录试验场所的温湿度。

将试样按正常运输时的状态置于压板中心部位,使上压板和试样接触。先加220N的初始负载,以使试样与上下压板接触良好。调整记录装置,以此作为记录的起点。

以10mm/min±3mm/min的速度均匀移动压板距离,应加压到下列情况之一:

①压缩负载达到极限值,试样出现破裂;

②试样尺寸变形或压缩负载达到预定值。

(2)对角和对棱的压力试验。

如果需要对瓦楞纸箱的对角和对棱的耐压能力进行测定,须采用上压板不能自由倾斜的压力试验机。

对角压力试验,需备有带120°圆锥孔的金属附件一对,该附件孔的深度不超过30mm。

对棱压力试验,需备有直角沟槽的金属附件一对,其沟槽的深度与角度应不影响试样的耐压强度。

将金属附件装置在上下压板中心相对称的位置上,以保持试样试验时角或棱的位置。

试验步骤同平面压力试验。

(3)检查包装及内容物的损坏情况,并分析试验结果。

(十)耐冲击强度测定

1.原理

提起试样至预定高度,然后使其自由落于冲击面上。

2.试样的采取和制备

从样品中随机抽取不少于3件的试样。将试样在温度为20℃±2℃,湿度为65%±5%的条件下进行调节处理。

3.仪器

试验时试验设备应满足下列要求:

(1)提升装置在提升或释放过程中,试样不致受损伤。

(2)支撑试样的装置在释放前使试样处于4之(2)的预定状态。

(3)释放装置在释放过程中,使试样不碰到装置的任何构件,而自由跌落。

(4)设备应有高度指示装置。

(5)冲击面应为水平面,体大质重而硬,试验时不移动、不变形。应满足:

①一整块,质量至少为试样质量的50倍。

②在冲击面中心1m2范围内,冲击面任意两点的高度差不超过2mm。超过1m2范围时,冲击面上任意两点高度差不超过5mm。

③冲击面上任何100m2的面积上放置10kg质量的静负荷,变形不得超过0.1mm。

④面积的大小要足以保证试样完全落在冲击表面上。

4.方法

(1)记录试验场所的温湿度。

(2)提起试样,使之满足下列预定的状态:

①面跌落时,使试样的跌落面与冲击面平行,其夹角最大不超过2°。

②棱跌落时,使试样的重力线通过被跌落的棱,构成该棱的两个平面中的一个平面与冲击面夹角的误差不大于±5°或此夹角的10%(以较大数值为准);使跌落的棱与水平面平行,其夹角最大不超过2°。

③角跌落时,使试样的重力线通过被跌落的角,构成此角的至少两个平面与冲击面夹角的误差不大于±5°或此夹角的10%(以较大数值为准)。

(3)提起试样至所需的跌落高度位置,其提起高度与预定高度之差不得超过±2%。

(4)释放试样,使其自由跌落。

(5)检查包装及内容物的损坏情况,并分析试验结果。

(十一)抗转载强度测定

1.原理

六角滚筒试验使瓦楞纸箱经受在旋转六角滚筒内表面上的一系列随机转落,依靠设置的导板和挡板可使瓦楞纸箱以不同的面、棱或角跌落,形成对瓦楞纸箱不同的冲撞危害,其转落顺序和状态是不可预料的。

2.试样的采取和制备

从样品中随机抽取不少于3件的试样。将试样在温度为20℃±2℃,湿度为65%±5%的条件下进行调节处理。

3.仪器

(1)六角滚筒试验机是沿水平轴匀速转动的正六角形筒体,内表面固定有导板和挡板等障碍物,根据需要还可设置圆锥体。

(2)六角滚筒试验机内表面及其障碍物,可由硬木和金属构成,保证其坚硬,试验中不得有明显损伤或变形。内表面平滑,允许打蜡,其平滑程度符合下列条件:一个底面积为400mm×400mm、质量为1kg的光滑木块,以其底面放置在滚筒的内表面上,当此内表面与水平面的夹角为15°±2°时,该木块能够自行下滑。

(3)试样每次从滚筒的一面到另一面为一次转落。六角滚筒试验机可配有转落次数计数器。

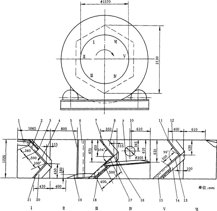
(4)2130型六角滚筒试验机的结构和尺寸见图8-2-28。

图8-2-28 2130型六角滚筒试验机结构尺寸示意图

件4、5、7、11、13、17、21-高65mm、厚5~10mm的钢板 件3、6、8、12、14、16、20-高65mm、宽180mm的硬木 件9-宽180mm、厚45mm的硬木 件2、15、18-宽370mm、厚30mm的板且与平面夹角为105° 件1、19-厚45mm的硬木 件10-高75mm顶部R40mm的金属圆锥体

4.方法

(1)六角滚筒试验机的I面保持水平,将试样的1面向上,以其2面和5面沿导板放置在试验机的I面上,然后起动。

(2)试验进行到下列情况之一时停机

①达到预定的转落次数。

②当试验出现预定的变形和破损状态。

随便看

 

离鸟网收录3541549条中英文词条,其功能与新华字典、现代汉语词典、牛津高阶英汉词典等各类中英文词典类似,基本涵盖了全部常用中英文字词句的读音、释义及用法,是语言学习和写作的有利工具。

 

Copyright © 2004-2024 vtrois.com All Rights Reserved
更新时间:2026/4/6 19:52:52